接口/总线/驱动
CAN总线虽然有强大的抗干扰和纠错重发机制,但目前CAN被大量应用于比如新能源汽车、轨道交通、医疗、煤矿、电机驱动等行业,而这些场合的电磁环境比较严重,所以如何抗干扰是工程师最为关心的话题。
前段时间有个做模台流水线的用户,一条流水线有两路CAN总线,一条总线有22个控制节点,每当启动模台就会出现严重的失控状态,模台下是由很多电机驱动的,而操控台下放着变频器。使用CANScope测试发现,在未启动电机情况下,控制台的CAN通信正常,帧统计结果显示100%成功率,如图1所示。

图1 模台静态状态下帧统计
此时CAN波形图如图2所示。

图2 模台静态状态下波形图
然而当模台电机启动之后,CAN总线质量急剧下滑,使用CANScope帧统计结果显示成功率仅仅为16.33%,如图3所示。

图3 模台动态态状态下帧统计
此时的CAN波形图如图4所示,可见干扰导致波形严重畸变。

图4 模台动态态状态下波形图
干扰导致帧错误增加,重发频繁,正确数据不能及时到达。所以如何解决干扰带来的困扰呢,下面就为大家介绍CAN总线抗干扰的六大解决方案。
一、增加CAN接口电气隔离
干扰不但影响信号,更严重的会导致板子死机或者烧毁,所以接口和电源的隔离是抗干扰的第一步。隔离的主要目的是:避免地回流烧毁威廉希尔官方网站 板和限制干扰的幅度。如图5所示,未隔离时,两个节点的地电位不一致,导致有回流电流,产生共模信号,CAN的抗共模干扰能力是-12~7V,超过这个差值则出现错误,如果共模差超过±36V,烧毁收发器或者威廉希尔官方网站 板。

图5 差分抗干扰示意图
传统用户都采用分立器件自己搭建隔离威廉希尔官方网站 的方式,如今大家更青睐使用隔离收发器做防护隔离。如图6所示的CTM系列隔离收发器的总线隔离技术,与传统分立器件方案相比,产品具备更高的集成度与可靠性,能够有效提升总线通信防护等级,极大程度降低用户的采购与生产成本,大幅缩短开发周期。

图6 隔离CAN收发器
增加CTM隔离模块后,如图7所示。隔绝了地回流,限制了干扰幅度。

图7 隔离地回流
二、共CAN收发器的信号地
共CAN收发器的信号地,并且CAN使用三线制信号传输。可以有效抑制共模干扰。注意图8中屏蔽层为近距离外壳等电势的情况下的接线方法。

图8 CAN信号共地
三、CAN线保证屏蔽效果与正确接地
带屏蔽层的CAN线,可以良好地抵御电场的干扰,等于整个屏蔽层是一个等势体,避免CAN导线受到干扰。如图9所示,为一个标准的屏蔽双绞线,CANH和CANL通过铝箔和无氧铜丝屏蔽网包裹,如图9所示。需要注意的是和与接插件的连接,在连接部分允许有短于25mm的电缆不用双绞。
图9 屏蔽双绞线
使用屏蔽线后,在屏蔽层没有良好接大地前,屏蔽线是不起作用的。所以我们要选择一种接地方式。这里有三种外壳接地法:屏蔽层单点接地,可以避免地回流(不同位置的地电位不同而导致的产生电流),如图10所示。节点信号地阻容接自身外壳,如图11所示。屏蔽层分段屏蔽法,如图12所示,多点接地可以加快高频干扰信号的泄放,屏蔽层单点接地可以避免地回流,所以要根据实际情况选择合适的接地方式。

图10 屏蔽层单点接地

图11 节点信号地阻容接自身外壳地

图12 屏蔽层分段屏蔽法
在CAN的应用场合,由于距离一般都较远,所以大部分采用屏蔽层单点接地的原则,在干线上找一点将屏蔽层用导线直接接地,该点应是所受干扰最小的点,同时该点位于网络中心附近。
四、提高CAN线双绞程度
CAN总线为了提高抗干扰能力,采用CANH和CANL差分传输,达到效果就是遇到干扰后,可以“同上同下”,最后CANH-CANL的差分值保持不变。如图13所示。

图13 差分抗干扰示意图
CANH和CANL要紧密地绞在一起,通常双绞线只有33绞/米,而在强干扰场合,双绞程度要到45-55绞/米才能达到较好的抗干扰效果。另外线缆的芯截面积要大于0.35~0.5mm²,CAN_H对CAN_L的线间电容小于75pF/m,如果采用屏蔽双绞线,CAN_H(或CAN_L)对屏蔽层的电容小于110pF/m。可以更好地降低线缆阻抗,从而降低干扰时抖动电压的幅度。
表1 双绞线对磁干扰的衰减比

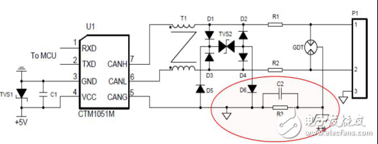
五、增加信号保护器
增加信号保护器,提高抗浪涌群脉冲等EMC能力。上面的隔离只是阻挡,如果干扰强度很高,比如达到2KV浪涌,隔离也会被破坏。所以要想达到更高的防护等级,必须增加防浪涌威廉希尔官方网站 。如图14所示,为ZLG致远电子高速总线标准防浪涌保护威廉希尔官方网站 。
注意,由于电容较大,一条总线最多增加2-3个保护器!

图14 信号保护威廉希尔官方网站
六、CAN转为光纤传输
增加CAN转光纤转换器。解决超强干扰(比如远程激光与电磁脉冲发射装置)与雷击问题,光纤是一种无法被电磁干扰的传输介质,如图15所示,为使用ZLG致远电子的CANHub-AF1S1和CANHub-AF2S2组合的光纤主干网络。

图15 使用光纤转换器实现光纤主干传输
以上就是今天跟大家分享的总线抗干扰的六种解决方案,在文章最后再补充在现场常用的两种手段吧。
1、CAN线远离干扰源
远离干扰源是最简单的抗干扰方法,如果CAN线与强电干扰源远离0.5米,干扰就基本影响不到了。可是在实际布线中,经常遇到空间太小而不得不和强电混在一起,如图16所示,为某新能源汽车的驱动系统,CAN线与驱动线混在一起,结果导致干扰很大。只要与CAN并行的驱动线,具备2A/秒的电流变化,就会耦合出强磁场而导致CAN线上出现干扰脉冲。所以CAN线必须要和电流会剧烈变化的线缆远离。比如继电器、电磁阀、逆变器、电机驱动线等。
图16 干扰现场图
而解决这个问题,只能尽量保证强电与弱电分开捆扎,距离上尽量远离。实在避不开,也要垂直交叉,也不能平行布线。
2、增加磁环或者共模电感
使用抗干扰的磁环,目的就是削弱特定频率的干扰的影响。如图17所示,为增加磁环的效果。CAN差分线缆可以两线一起加,或者单端单独加。
图17 增加磁环
需要注意的是增加磁环或者共模电感时,不可随意添加,如果适应频率不对,则会影响正常信号通讯哦。
全部0条评论
快来发表一下你的评论吧 !