电子说
IDT公司的9ZXL1951D是19路输出零延迟时钟驱动器,具有用于PCIe和CPU的第二代增强性能缓冲器,满足所有发表过的QPI/UPI, DB2000Q和PCIe Gen1–5抖动指标.器件的ZDB模式相位抖动器:
PCIe Gen5 CC < 24fs RMS (低带宽),QPI/UPI 11.4GB/s < 110fs RMS (低带宽),IF-UPI附加抖动< 130fs RMS (低带宽);而Fanout缓冲器模式附加相抖动器: PCIe Gen5 CC < 15fs RMS,DB2000Q 附加抖动 < 25fs RMS,QPI/UPI 11.4GB/s < 40fs RMS,IF-UPI 附加抖动 < 70fs RMS,周期到周期的抖动<50ps,输出到输出偏差<50ps. LP-HCSL输出,
每个输出对可省略多达4个电阻,9个可选择SMBus地址.工作温度-40℃ 到 +85℃ .主要用在服务器,nVME存储,网络,加速度计和工业应用.本文介绍了9ZXL1951D主要指标和优势,框图, 负载相位抖动测量图,以及PCIe时钟发生器评估板EVK9ZXL1951D主要特性和威廉希尔官方网站 图.
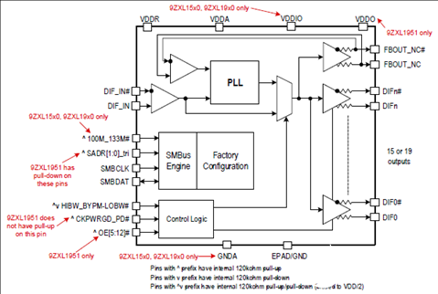
The 9ZXL15x0D/9ZXL19x0D/9ZXL1951D devices comprise a family of 2nd-generation enhanced performance buffers for PCIe and CPU applications. The family meets all published QPI/UPI, DB2000Q and PCIe Gen1–5 jitter specifications. Devices are either 15 or 19 outputs. The devices function as both fanout (FOB) and zero-delay (ZDB) buffers. All devices meet DB2000Q and DB1900Z jitter and skew requirements.
9ZXL1951D主要指标:
▪ ZDB Mode phase jitter:
• PCIe Gen5 CC < 24fs RMS (Low Bandwidth)
• QPI/UPI 11.4GB/s < 110fs RMS (Low Bandwidth)
• IF-UPI additive jitter < 130fs RMS (Low Bandwidth)
▪ Fanout Buffer Mode additive phase jitter:
• PCIe Gen5 CC < 15fs RMS
• DB2000Q additive jitter < 25fs RMS
• QPI/UPI 11.4GB/s < 40fs RMS
• IF-UPI additive jitter < 70fs RMS
▪ Cycle-to-cycle jitter: < 50ps
▪ Output-to-output skew: < 50ps
9ZXL1951D主要特性:
▪ LP-HCSL outputs eliminate up to 4 resistors per output pair
▪ 9 selectable SMBus addresses
▪ Selectable PLL bandwidths minimizes jitter peaking in cascaded PLL topologies
▪ Hardware/SMBus control of ZDB and FOB modes allow change without power cycle
▪ 8 OE# pins support PCIe CLKREQ# functionality (9ZXL1951)
▪ Spread spectrum compatible
▪ 100MHz and 133.33MHz ZDB mode (9ZXL15x0, 9ZXL19x0)
▪ 100MHz ZDB mode (9ZXL1951)
▪ 1–400MHz FOB mode (all devices)
▪ -40°C to +85°C operating temperature range
▪ Package information: see Ordering Information table
输出:
▪ 15 or 19 Low-power HCSL (LP-HCSL) output pairs
PCIe时钟架构:
▪ Common Clocked (CC)
▪ Independent Reference (IR) with and without spread spectrum
9ZXL1951D典型应用:
▪ Servers
▪ nVME Storage
▪ Networking
▪ Accelerators
▪ Industrial

图1. 9ZXL1951D框图
图2. 采用相位噪音分析仪测量负载相位抖动图

图3. 采用示波器测量负载相位抖动图
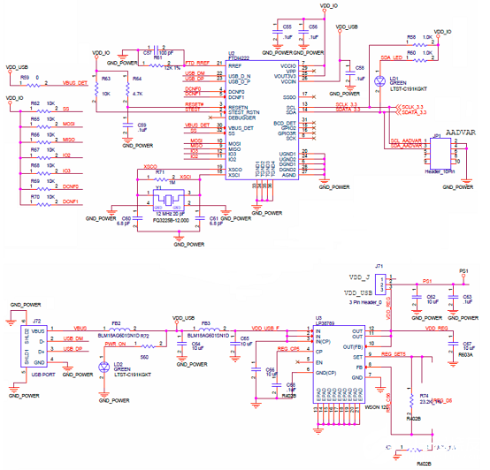
PCIe时钟发生器评估板EVK9ZXL1951D
The evaluation board is designed to help the customer evaluate the 9ZXL1951D. The device is programmable through an SMBus interface. This user guide details the board set and connection, as well as the companion GUI installation for communicating to the device. The board has a self-contained USB to SMBus interface.
图4. 评估板EVK9ZXL1951D外形图

图5. 评估板EVK9ZXL1951D威廉希尔官方网站 图: 9ZXL1951D连接

图6. 评估板EVK9ZXL1951D威廉希尔官方网站 图: USB接口和电源
编辑:jq
全部0条评论
快来发表一下你的评论吧 !