G761、J761穆格电液伺服阀放大器 今日头条

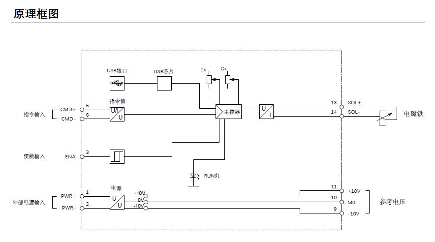
761电液伺服阀作三通和四通节流型流量控制阀,四通阀时控制性能更好。该系列阀为高性能的两极电液伺服阀,在7Mpa额定压降下的额定流量为4L/min至63L/min。阀的先导级是一个对称的双喷嘴挡板阀,由干式力矩马达的双气隙驱动;输出级是一个四通滑阀。阀芯位置由一悬臂弹簧杆进行机械反馈,搭配伺服放大器控制。


审核编辑 黄昊宇
全部0条评论
快来发表一下你的评论吧 !