采用ADC、PLL和RF收发器的现代信号处理系统设计需要更低的功耗和更高的系统性能。为这些噪声敏感型器件选择合适的电源始终是系统设计人员的痛点。在高效率和高性能之间总是需要权衡取舍。
传统上,LDO稳压器通常用于为这些噪声敏感器件供电。LDO稳压器可抑制系统电源中经常出现的低频噪声,并为ADC、PLL或RF收发器提供清洁电源。但LDO稳压器通常效率较低,特别是在LDO稳压器必须从高于其输出电压几伏的电源轨进行稳压的系统中。在这种情况下,LDO稳压器通常提供30%至50%的效率,而使用开关稳压器可以达到90%甚至更高的效率。
开关稳压器比LDO稳压器效率更高,但它们噪声太大,无法直接为ADC或PLL供电,而不会显著降低性能。开关稳压器的噪声源之一是输出纹波,在ADC输出频谱中可能表现为不同的音调或杂散。为了避免降低信噪比(SNR)和无杂散动态范围(SFDR),最大限度地降低开关稳压器的输出纹波和输出噪声非常重要。
为了同时保持高效率和高系统性能,通常需要增加一个次级LC滤波器(L2和 C2)到开关稳压器的输出端,以降低纹波和噪声,如图1所示。然而,两级LC输出滤波器也有相关的缺点。理想情况下,功率级传递函数建模为容易不稳定的四阶系统。如果电流环路的样本数据影响1还考虑到了完整的控制到输出传递函数,显示为五阶。另一种解决方案是检测来自初级LC滤波器(L1和 C1) 点以稳定系统。然而,当负载电流较大时,由于次级LC滤波器上的压降较大,应用这种方法会导致输出电压调节不良,这在某些应用中是不可接受的。
本文提出了一种新的混合反馈方法,以提供足够的稳定性裕量,并在所有负载条件下保持输出精度,其中使用带有次级LC滤波器的开关稳压器为ADC、PLL或RF收发器提供高效率、高性能电源。
关于带有次级LC输出滤波器的DC-DC转换器,已经发表了一些研究工作。2– 5具体而言,文章“具有低电压/高电流输出的两级DC-DC转换器的控制环路设计”和“带两级LC输出滤波器的高带宽AC电源的多回路控制方案的比较评估”讨论了两级电压模式转换器的建模和控制,该转换器不能直接应用于电流模式转换器。带有次级LC滤波器的电流模式转换器已在“电流模式控制转换器的次级LC滤波器分析和威廉希尔官方网站 ”和“多模块转换器系统的三环路控制”中进行了分析和建模。然而,这两篇文章都假设次级电感的电感值比初级电感小得多,这在实际应用中并不总是合适的。

图1.带次级LC滤波器的电流模式降压转换器的威廉希尔官方网站 图
本文概述如下:
分析了带次级LC滤波器的降压转换器的小信号建模。该文提出了一种新的五阶控制到输出传递函数,无论外围电感和电容参数如何,该函数都非常精确。
提出了一种新的混合反馈方法,以提供足够的稳定性裕量,同时保持输出电压的良好直流精度。首次分析了反馈参数的局限性,可为实际设计提供基本依据。
基于功率级小信号模型和新的混合反馈方法,设计了补偿网络。闭环传递函数的稳定性使用奈奎斯特图进行评估。
给出了一个基于电源管理产品ADP5014的简单设计示例。使用次级LC滤波器时,ADP5014在高频范围内的输出噪声甚至优于LDO稳压器。
附录Ι和附录II分别给出了功率级和反馈网络所需的小信号传递函数。
功率级的小信号建模
图2显示了图1的小信号框图。控制回路由内部电流回路和外部电压回路组成。样本数据系数He(s)在电流环路中是指Raymond B. Ridley在“电流模式控制的一种新的连续时间模型”中提出的模型。请注意,在图2的简化小信号框图中,输入电压干扰和负载电流干扰假定为零,因为本文不讨论与输入电压和负载电流相关的传递函数。

图2.带有次级LC滤波器的电流模式降压转换器的小信号框图。
降压转换器示例
新的小信号模型通过具有以下参数的电流模式降压转换器进行演示:
Vg= 5 V
Vo= 2 V
L1= 0.8 μH
L2= 0.22 μH
C1= 47 μF
C2= 3× 47 μF
RESR1= 2 mΩ
RESR2= 2 mΩ
RL= 1 Ω
R我= 0.1 Ω
Ts= 0.833 μs
电流环路增益
第一个感兴趣的传递函数是在占空比调制器输出端测得的电流环路增益。由此产生的电流环路传递函数(参见附录I中的公式16)表现出具有两对复共轭极点的四阶系统,这导致两个系统谐振(ω1和 ω2).这两个谐振频率都由下式决定L1,L2,C1和C2.域零点由负载电阻提供RL,C1和C2.一对复共轭零点 (ω3) 由下式确定L2,C1和C2.此外,样本数据系数He(s)在电流环路中,将在开关频率的一半处引入一对复数的右半平面(RHP)零点。
与不带次级LC滤波器的传统电流模式降压转换器相比,新的电流环路增益多了一对复数共轭极点和一对复数共轭零点,它们彼此非常接近。

图3.降压转换器电流环路增益
图3显示了具有不同外部斜坡值的电流环路增益曲线。对于没有外部斜率补偿的情况(Mc= 1),可以看出电流环路中的相位裕量很小,这可能导致次谐波振荡。通过增加外部斜率补偿,增益和相位曲线的形状不会改变,但增益幅度将减小,相位裕量将增加。
控制至输出增益
当电流环路闭合时,将创建一个新的控制到输出传递函数。由此产生的控制到输出传递函数(参见附录I中的公式19)展示了一个具有一个域极点(ωp) 和两对复共轭极点 (ωl和 ωh).域极点主要由负载电阻决定RL,C1和C2.较低频率的共轭极点对由下式确定L2,C1和C2,而较高频率的共轭极点对位于开关频率的一半。此外,两个零由 ESR 贡献C1和 ESRC2分别。
图4显示了不同外部斜坡值下的控制至输出环路增益曲线。与传统的电流模式降压转换器相比,多了一个复数共轭极点(ωl),在具有次级LC滤波器的电流模式降压转换器的控制至输出增益中。额外的谐振极将提供多达 180 个o额外的相位延迟。相位裕量急剧下降,即使使用ΙΙΙ型补偿,也会使系统不稳定。此外,图4清楚地显示了斜率补偿增加时从电流模式控制到电压模式控制的转换。

图4.降压转换器的控制至输出传递函数
混合反馈方法
本文介绍了一种新的混合反馈结构,如图5(a)所示。混合反馈的想法是通过使用来自初级LC滤波器的额外电容反馈来稳定控制环路。通过电阻分压器输出的外部电压反馈定义为远端电压反馈和通过电容器的内部电压反馈CF以下称为本地电压反馈。远程反馈和本地反馈在频域上携带不同的信息。具体来说,远程反馈检测低频信号以提供良好的输出直流调节,而本地反馈检测高频信号以为系统提供良好的交流稳定性。图5(b)显示了图5(a)的简化小信号框图。

图5.具有所提出的混合反馈方法的电流模式降压转换器,显示(a)威廉希尔官方网站 图和(b)小信号模型。
反馈网络传递函数
混合反馈结构得到的等效传递函数(参见附录II中的公式31和公式32)与传统电阻分压器反馈的传递函数有很大不同。新的混合反馈传递函数的零点多于极点,额外的零点将导致 180o谐振频率下的超前相位由下式确定L2和C2.因此,采用混合反馈方法,控制到输出传递函数中的额外相位延迟将由反馈传递函数中的附加零点进行补偿,这将有利于基于完整控制到反馈传递函数的补偿设计。
反馈参数的限制
除了功率级中的这些参数外,反馈传递函数中还有两个参数。参数β(参见附录II中的公式30)是输出电压放大倍率,这是众所周知的。但是,参数α是一个全新的概念。
可以调整反馈参数α(参见附录II中的公式29)以了解反馈传递函数的行为。图6显示了α降低时反馈传递中零点的变化趋势。它清楚地表明,一对共轭零点将从左半平面(LHP)推到RHP并降低α。

图6.反馈参数α对反馈网络零点的影响。
图7是具有不同α的反馈传递函数图。它表明,当α降低到 10–6(例如:R一个= 10k,CF= 1 nF),反馈网络的传递函数将表现出 180o相位延迟,这意味着复零点已变为 RHP 零点。反馈传递函数已简化为新形式(参见附录II中的公式33)。要在 LHP 中保留零,参数 α 应始终满足以下条件:

公式 1 给出了反馈参数α的最小限制基础。只要满足条件,控制系统就很容易稳定。但是,由于R一个和 CF将用作负载瞬变期间输出电压变化的RC滤波器,负载瞬态性能会随着非常大的α而下降。所以α不应该太大。在实际设计中,参数α建议比最小极限值大20%至~30%。

图7.所提出的具有不同参数α的混合反馈网络的传递函数。
环路补偿设计
设计补偿
控制到反馈的传递功能GP(s)可通过控制到输出传递函数的乘积推导G风险投资(s)和反馈传递功能GFB(s).补偿传递函数GC(s)设计为有一个零点和一个极点。控制到反馈和补偿传递函数的渐近波特图,以及闭环传递函数TV(s),如图 8 所示。以下过程演示如何设计补偿传递函数。
确定交叉频率 (fc).由于带宽受 f 限制Z1,选择 fc小于FZ1推荐
计算增益GP(s)在 Fc,则中频带增益为GC(s)应该是相反的数字GP(s)
将补偿零点放在域极点(f第 1 页) 的功率级
将补偿极点置于零点 (fZ2) 由输出电容器的 ESR 引起的C1.

图8.基于所提出的控制至输出和混合反馈传递函数的环路增益设计。
使用奈奎斯特图分析稳定性
根据图8,闭环传递函数TV(s)已三次超过 0 dB。奈奎斯特图用于分析闭环传递函数的稳定性,如图9所示。由于图远离(–1,j0),闭环稳定且具有足够的相位裕量。请注意,奈奎斯特图中的点 A、B 和 C 对应于波特图中的点 A、B 和 C。

图9.闭环传递函数的奈奎斯特图。
设计示例
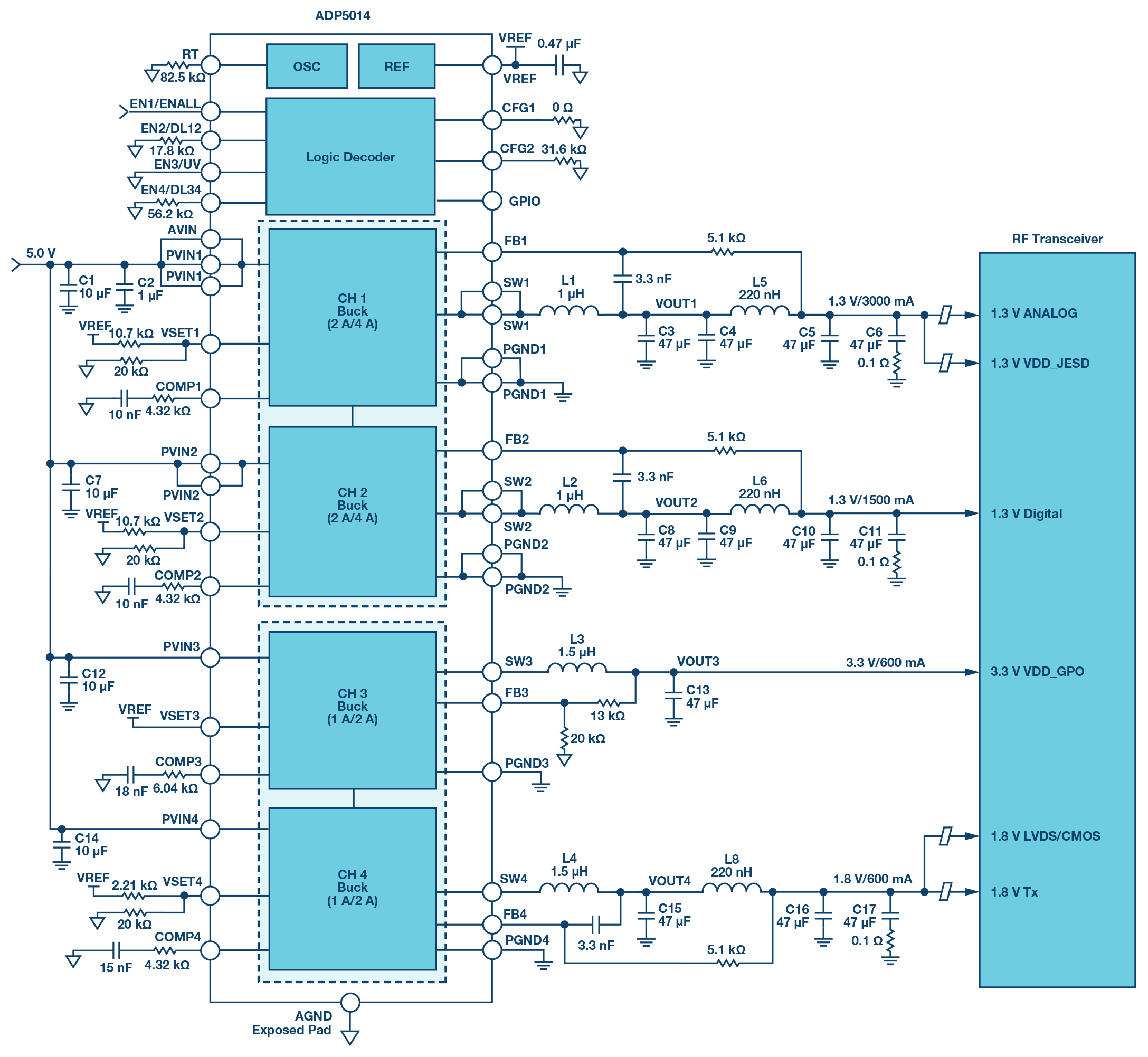
ADP5014优化了许多模拟模块,可在低频范围内实现更低的输出噪声。单位增益电压基准结构还使其输出噪声与V时的输出电压设置无关外设置小于 V裁判电压。增加了一个次级LC滤波器,以衰减高频范围内的输出噪声,特别是对于基波开关纹波及其谐波。图 10 显示了设计细节。

图 10.RF收发器由ADP5014通过次级LC滤波器上电。
图11显示了ADP5014在10 Hz至10 MHz频率范围内测量的噪声频谱密度和在10 Hz至1 MHz频率范围内的积分均方根噪声,与作为另一种传统2 A低噪声LDO稳压器的ADP1740s相比。ADP5014在高频范围内的输出噪声甚至优于ADP1740。

图 11.ADP5014和ADP1740的输出噪声性能比较,显示(a)噪声频谱密度和(b)积分均方根噪声。
结论
本文介绍了一个通用分析框架,用于对带有次级LC输出滤波器的电流模式降压转换器进行建模和控制。讨论了精确的控制到输出传递函数。提出了一种新的混合反馈结构,并推导了反馈参数限制。
设计示例表明,具有次级LC滤波器和混合反馈方法的开关稳压器可以提供清洁、稳定的电源,与LDO稳压器竞争,甚至更好。
本文的建模和控制主要集中在电流模式降压转换器上,但本文介绍的方法也可以应用于电压模式降压转换器。
附录 Ι
图2中的功率级传递函数如下。



哪里:








哪里:L1是初级电感。
C1是主电容。
RESR1是初级电容器的等效串联电阻。
L2是次级电感。
C2是次级电容。
RESR2是次级电容器的等效串联电阻。RL是负载电阻。
电流环路中的增益模块如下。


哪里:


哪里:R我是等效电流检测电阻
Se是斜率补偿的锯齿坡道
Sn是电流检测波形的导通时间斜率
Ts是切换周期
电流环路增益为

哪里:

哪里:
D 是占空比
根据图2,增益模块kr由

控制到输出传递函数为

哪里:






附录 ΙΙ
在图5中,本地反馈和远程反馈传递函数为


根据公式1至公式27,控制到反馈传递函数由下式给出:

哪里:


哪里:R一个是反馈电阻分压器的顶部电阻
RB是反馈电阻分压器的底部电阻
CF是本地反馈电容
等效反馈网络传递函数为

近似反馈传递函数为

哪里:

在典型的低噪声应用中,通常采用单位增益基准电压结构,因此参数β等于1。那么反馈传递函数是

审核编辑:郭婷
全部0条评论
快来发表一下你的评论吧 !