具有固定占空比为 50% 的简单推挽式 DC/DC 转换器通常用作通信系统、医疗器械和分布式电源中的低噪声变压器驱动器。这种简单的方案不提供电压调节,需要低压差(LDO)后置稳压器,这种组合会带来潜在的严重问题。首先,驱动器输入电压的任何显著变化以及固定的50%占空比都会增加LDO两端的差分电压,从而导致LDO的显著功率损耗和高温升。其次,低开关频率需要相对笨重的变压器,有时占用30%至50%的转换器空间。
LT®3999 单片式 DC/DC 推挽式驱动器通过两个重要特性避免了这些问题:占空比控制和高频操作:
占空比控制允许对宽 V 进行补偿在变化是标准固定占空比变压器驱动器无法做到的,在面对宽输入范围时大大降低了LDO损耗。
高达 1MHz 的高开关频率可实现更小的变压器和更低的输出纹波。
LT3999 将这两个特性与高 36V 输入电压和 1A 输入电流能力相结合,使其成为一款高功率和灵活的低噪声推挽式转换器 IC。
本文介绍了两个分步设计过程:一个用于具有宽输入范围的推挽式DC/DC转换器,另一个用于具有固定输入电压的紧凑型高频变压器驱动器。
推挽式 DC/DC 转换器设计,适用于宽范围输入
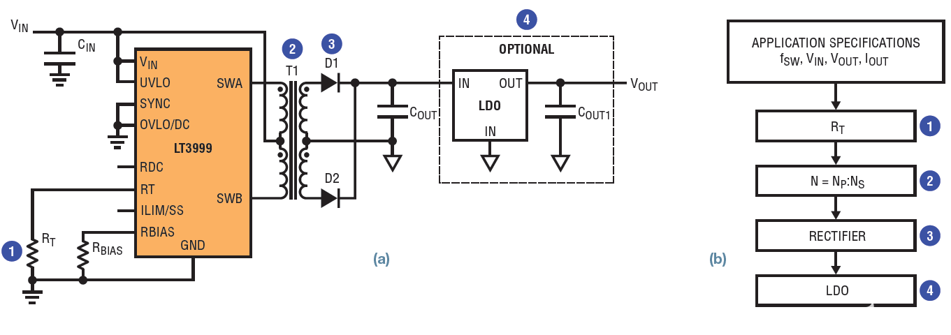
图1b中的流程图显示了如何通过八个简单的步骤设计推挽式转换器。这些阶跃产生 LT3999 10V–15V 输入、±12V 输出、200mA 1MHz 推挽式转换器,如图 1a 所示。

图1.(a) LT3999 推挽式 DC/DC 转换器,具有宽输入范围和占空比控制 (b) 简单的 8 步推挽式转换器设计

图2.通过电阻分压器设置精密 UVLO 和 OVLO/DC,使用 (a) 2 电阻方法或 (b) 3 电阻方法。
第 1 步:设置开关频率 (RT)
首先,用R设置开关频率T;从 LT3999 数据手册的表 1 中选择的值。

第 2 步:设置输入电压范围(UVLO、OVLO/DC)
UVLO(欠压锁定)和 OVLO/DC(过压锁定/占空比)引脚用于设置输入电压范围。可以使用 2 电阻或 3 电阻方法。对于图2a所示的2电阻方法,RB分别使用 UVLO 和 OVLO/DC 的公式 1 和 2 计算。对于低损耗,我们可以假设 R一个= 1MΩ。

对于图2b所示的3电阻方法,R答1和 RB分别由 UVLO 和 OVLO/DC 的等式 3 和 4 计算得出。R答2可以选择1MΩ左右。

对于图1a中使用的2电阻方法:

第 3 步:设置最大占空比 (R直流(最大))
最大占空比(直流).MAX) 由切换周期 (TS = 1/fSW) 和非重叠时间 (TD(分钟)) 在两个电源开关之间,如公式 5 所示。对于2电阻方法,R直流由公式 6 计算。对于 3 电阻方法,将 R 替换为 R一个= R答1( 1答2在等式 6 中。

在图 1(a) 示例中,TS = 1μs/ 7D(分钟)= 70ns (数据手册中的典型值),V在(分钟) = 10V, R一个= 1M, RB= 143k。计算 5 和 6 给出直流.MAX= 0.43 和 R直流= 13.3k。
步骤 4:选择变压器 (T1)
变压器匝数比如公式7所示。

V西 南部是内部开关的开关饱和电压。VF是整流二极管的正向电压。V低密度脂蛋白1和 V低密度脂蛋白2是正负LDO的压差。V西 南部= 0.4V, VF= 0.7V, V低密度脂蛋白1= V低密度脂蛋白2= 0.8V是很好的经验法则。如果找不到具有精确计算匝数比的商用变压器,请选择一个接近的变压器并计算直流.MAX相应地在等式7中。然后,重新计算 R直流在公式6中基于新直流电.MAX.
在图 1(a) 示例中,V输出1= −V输出2= 12V 和 V在(分钟)= 10V,因此为 D 选择沃斯 750314781 (N = 2)最高时电= 0.43。
步骤 5:设计整流器(D1、D2、D3 和 D4)
整流桥两端的峰值电压由变压器二次侧电压(V秒) 加上任何振铃电压尖峰。V秒使用公式 8 计算。然而,振铃电压尖峰很难预测,因为它取决于环路电阻、变压器的漏感和整流器的结电容。作为一般规则,整流器额定电压(V娱乐) 应至少为变压器匝数比乘以最大输入电压的 1.5 倍。由于两个次级绕组连接在整流桥上,因此需要2倍,从而产生整流器额定电压的公式:

整流器的额定电流(I娱乐) 应大于负载电流。
当 V在(最大)= 15.5V, N = 2, V娱乐≥ 93V,I娱乐≥ 200mA:中央CMSH1-200HE(200V,1A)满足这些要求。

图3.LDO (U2) V在− V外差分和功率损耗与输入电压的关系

图4.LDO (U2) V在− V外差分和功率损耗与负载的关系
第 6 步:选择电感器(L1、L2)
最小电感值(L最低) 由内部切换器的峰值电流限值 (I林),如等式9所示。

电感越高,调节效果越好,电压纹波越低,但需要相应更大的体积部件。最佳电感值是通过考虑输出噪声和解决方案体积要求来确定的。
当 V在(最大)= 15.5V,直流最低= 0.28, TS = 1μs, N = 2, I林= 1A, I输出1= I输出2= 200mA, L最低= 38.3μH:线艺XFL3012-393MEC (39.3μH)在不增加不必要的尺寸的情况下满足这些要求。
步骤 7:选择低压差线性稳压器(U2、U3)
LDO的最大电压发生在空载下的最大输入电压下,当V秒等于 V在(最大)• N.LDO的额定电流应大于负载电流。
当 V在(最大)= 15.5V, N = 2,LDO 的额定电压应分别为 31V 和 −31V,分别由 LT3065 (45V, 500mA) 和 LT3090 (−36V, 400mA) 满足。
步骤 8:添加缓冲器(CS 和 RS)
设计RC缓冲器的推荐方法(CS和 RS图 1) 中)是测量 LT3999 的 SWA 和 SWB 引脚在其开关稳压器在没有缓冲器的情况下关断时的振铃周期,然后添加电容 — 从 100pF 范围内的电容开始 — 直到振铃周期延长 1.5 倍至 2 倍。
周期的变化决定了寄生电容的值(C㩱),其中寄生电感(L㩱) 可以从初始周期确定。同样,可以使用数据手册中的开关电容和变压器漏感值来估计初始值。
一旦知道漏极节点电容和电感的值,就可以在缓冲电容上增加一个串联电阻,以耗散功率并严格抑制振铃。使用观测周期(t时期和 t周期(已占用)) 和缓冲电容 (CS) 如下。有关详细信息,请参阅 LT3748 的产品手册。

结果
图3、4和图5中的测量结果表明,图1所示推挽式转换器中的占空比控制保持低V。在− V外LDO 两端的差分,从而将功率损耗和温升降至最低。图3显示,当每个LDO为200mA时,V差异,在 10V – 15V 的整个输入电压范围内保持在 2.5V 以下。图4显示,在整个负载电流范围内,功率损耗仍然很低。图5和图6显示了热结果。
为了进行比较,图7显示了禁用占空比控制并启用占空比控制的设计的效率比较。当输入电压增加时,效率急剧下降。图8显示了禁用占空比控制并启用占空比控制时正LDO两端的差分电压。图9和图10显示了热结果。很明显,占空比控制降低了差分电压,提高了效率和热性能。

图5.图1中设计的热图像,V在= 10V

图6.热图像,V在= 15V
用于固定输入电压的紧凑型变压器驱动器
通常,基本非稳压变压器驱动器转换器的输出电压随着负载电流的变化而显着变化。为了产生稳定的电压,强烈建议在输出端使用LDO。图 6a 示出了使用 LT3999 的低元件数变压器驱动器的原理图。图 6b 显示了设计流程图。
流程图中的四个简单步骤可用于设计一个1MHz、低器件数、5V输入、5V输出400mA输出变压器驱动器。
第 1 步:设置开关频率 (RT)
LT3999 的开关频率由单个 R 设定T根据 LT3999 数据手册中的表 (频率范围为 50kHz 至 1MHz) 选择电阻器。
在设计示例中,对于高频f西 南部= 1兆赫,RT= 12.1k。
步骤 2:选择变压器 (T1)
变压器匝数比由以下因素决定:

其中 V西 南部是内部开关稳压器的开关饱和电压,VF是整流二极管的正向电压。

图7.禁用占空比控制并启用占空比控制时设计的效率比较,I输出1= I输出2= 200mA
V线性分布器是从非稳压变压器驱动器输出到后稳压低噪声输出的压降。V线性分布器是最高电流下的压降,因此应将其最小化。0.8V提供足够的压降,以避免压降,而不会使LDO变热。一个好的经验法则假设是VSW = 0.4V,VF = 0.7V,V线性分布器= 0.8V。
变压器的额定电流应比输出电流大20%~50%,以留出一定的空间。
峰值磁化电流(IM(峰值))和反射到初级侧的满载电流(N•I外) 应小于内部切换器的峰值电流限值 (I林).基于此,最小LM(L米(分钟)) 是必需的。

图8.LDO (U2) V在− V外差分与V在满载时,禁用占空比控制并启用占空比控制,I输出1= I输出2= 200mA

图9.图1、V威廉希尔官方网站 中禁用占空比控制的设计热图像在= 10V

图 10.图1、V威廉希尔官方网站 中禁用占空比控制的设计热图像在= 15V
我M(峰值)+ N • I外

对于 V外= V在= 5V,线艺PA6383-AL(N = 1.5)非常适合。
第 3 步:整流器(D1、D2)
根据电压和电流选择整流二极管。由于其中心抽头结构,二极管两端的电压是变压器二次电压的两倍以上。整流器的额定电压应大于2N•V在= 15V,可能减少20%。

图 11.(a) 零件数量少,固定输入电压互感器驱动器。(b) 变压器驱动器的设计流程图
CMSH1-20M(20V,1A)满足这些要求。
第 4 步:低压差线性稳压器(U2,可选)
可选后置稳压 LDO 的最大输入电压 (VLDO_IN(最大)) 在空载时发生,等于 V在• N = 7.5V。LDO的额定电流应大于负载电流(在设计示例中为>400mA)。
LT1763 (20V, 500mA) 是用于 5V、400mA 输出的良好 LDO。
结论
LT®3999 是一款单片式 DC/DC 变压器驱动器,其具有占空比控制、高频和高功率。它允许宽输入电压范围和LDO的低损耗,同时由于其高频操作而使用小型无源元件。它还具有高达 36V 的输入电压和高达 1A 的输入电流。
审核编辑:郭婷
全部0条评论
快来发表一下你的评论吧 !