在为噪声敏感型模拟/射频应用供电时, 低压差 (LDO) 线性稳压器通常优于其 切换对应方。低噪声 LDO 为各种 模拟/射频设计,包括频率合成器 (PLL/VCO), RF混频器和调制器,高速和高分辨率数据 转换器(ADC和DAC)和精密传感器。不过 这些应用已经达到了功能和灵敏度 正在测试传统低噪声LDO的极限。
例如,在许多高端VCO中,电源噪声 直接影响VCO输出相位噪声(抖动)。此外 为了满足整体系统效率要求,LDO 通常后调节输出相对嘈杂 开关转换器,所以高频电源 LDO的抑制比(PSRR)性能变为 最高的。凭借其超低输出噪声和超高 PSRR 性能,LT3042 可直接为某些 后置稳压时对噪声敏感的大多数应用 开关转换器的输出,无需 笨重的过滤。表 1 比较了 LT3042 的噪声 与传统低噪声稳压器相比的性能。
| 参数 | LT1763 | LT3062 | LT3082 | LT3042 |
| 有效值噪声(10Hz至100kHz) | 20μV有效值 | 30μV有效值 | 33μV有效值 | 0.8μV有效值 |
| 点噪声 (10kHz) | 35nV/√赫兹 | 80nV/√赫兹 | 100nV/√赫兹 | 2nV/√赫兹 |
| 1MHz 时的驻波比 | 22分贝 | 55分贝 | 45分贝 | 79分贝 |
| 最小公共磁比(直流至 1MHz) | 22分贝 | 30分贝 | 40分贝 | 77分贝 |
| 可直接并联 | ✓ | ✓ | ||
| 可编程电流限制 | ✓ | |||
| 可编程电源良好 | ✓ | |||
| 快速启动能力 | ✓ | |||
| 轨到轨输出范围 | ✓ | |||
| 静态电流 | 30μA | 45μA | 300μA | 2毫安 |
性能、稳健性和简单性
LT®3042 是一款高性能低压差线性产品 稳压器采用凌力尔特的超低噪声和 超高 PSRR 架构,用于为噪声敏感型供电 应用。即使具有高性能, LT3042 保持了简单性 和稳健性。图 1 是 典型应用和图2所示 一个完整的演示威廉希尔官方网站 。这 LT3042 的纤巧型 3mm × 3mm DFN 封装 和最低的组件要求 保持较小的整体解决方案尺寸。

图1.典型的LT3042应用。

图2.LT3042演示威廉希尔官方网站 。
设计为精密电流基准 其次是高性能 电压缓冲器,LT3042 可轻松并联 为了增加输出电流,分散 PCB上的热量进一步减少 噪声—输出噪声降低 设备数量的平方根 并行。基于电流基准 提供宽输出电压的架构 范围(0V 至 15V),同时保持 单位增益操作,从而提供 几乎恒定的输出噪声,PSRR, 带宽和负载调节,独立 的编程输出电压。
除了提供超低噪音和 超高 PSRR 性能,LT3042 包括现代所需的功能 系统,如可编程电流 限位,可编程电源良好 阈值和快速启动能力。 此外,LT3042 还集成了 电池供电的保护功能 系统。其反向输入保护 威廉希尔官方网站 可承受负电压 输入不会损坏 IC 或 在输出端产生负电压——本质上是 就像一个理想的二极管一样工作 与输入串联。在 电池备份系统其中输出 可以保持高于输入, LT3042 的反向输出至输入保护 威廉希尔官方网站 可防止反向电流 流向输入电源。The LT3042 包括内部折返电流限制, 以及带迟滞的热极限 用于安全操作区域保护。
超低输出噪声
0.8μV有效值10Hz 的输出噪声* 对于 100kHz 带宽,LT3042 是 业界首款低于 1μV 的电压有效值噪音调节器。 图 3 比较了 LT3042 的集成 输出噪声范围为 10Hz 至 100kHz 至 LT1763 是线性噪声最低的 十多年的监管机构。LT3042 的 超低噪声性能开启 以前没有的应用程序 可能,或需要昂贵的 和笨重的过滤组件。

图3.输出噪声:10Hz至100kHz。
SET引脚电容器(C设置) 绕过 基准电流噪声,基极电流 噪声(误差放大器输入的噪声) 级)和SET引脚电阻(R设置) 固有的热噪声。如 图4、低频噪声性能 随着增加而显着改善 C设置.采用 22μF C设置、输出噪声 在 10Hz 时低于 20nV/√Hz。请注意, 电容器还会产生 1/f 噪声, 特别是电解电容器。自 最小化 1/f 噪音,使用陶瓷、钽 或SET引脚上的薄膜电容器。

图4.噪声频谱密度。
主动驱动SET引脚,采用 电池或低噪声基准电压源 将噪音降低到 10Hz 以下。这样做 基本上消除了基准电流 较低频率的噪声,留下 只有极低误差放大器 噪声。这种驱动SET引脚的能力是 电流基准的另一个优点 建筑。集成有效值噪声 随着SET引脚电容的提高而提高 增加,降至 1μV 以下有效值跟 仅 2.2μF C设置,如图 5 所示。

图5.集成有效值输出噪声(10Hz至100kHz)。
增加SET引脚旁路电容 对于较低的输出噪声,通常引线 以增加启动时间。但是 LT3042 的快速启动威廉希尔官方网站 减轻了 这种权衡。快速启动 使用两个威廉希尔官方网站 即可轻松配置 电阻;图 6 显示了显著的 缩短启动时间。

图6.快速启动能力。
超高噪声抑制比性能
LT3042 的高 PSRR* 在以下情况下非常重要 为噪声敏感型应用供电。 图 7 显示了 LT3042 令人难以置信的 低频和高频 PSRR 性能 — 接近 几乎 120dB 在 120Hz,1MHz时为79dB,优于 70dB 一直到 3MHz。 PSRR 性能 随着减少甚至更好 负载电流,如图8所示。

图7.PSRR 性能。

图8.PSRR 适用于各种负载电流。
与传统的 LDO 不同,其 PSRR 性能下降到10年代 的 dB 当您接近辍学时, LT3042 在甚至低时也能保持高 PSRR 输入至输出差分。如图 9 所示 说明,LT3042 保持 70dB PSRR 高达 2MHz,输入至输出仅为 1V 差分和近 60dB 的 PSRR 高达 2MHz (输入至输出端仅 600mV) 微分。此功能允许 LT3042 用于后置稳压开关转换器 在低输入至输出差分下 - 用于 高效率 - 而 PSRR 性能满足要求 的噪声敏感应用。

图9.PSRR与输入至输出差分。
后置稳压开关
在 LT3042 的应用中 后置调节开关的输出 转换器实现超高PSRR 在高频下,必须小心 使用电磁耦合 开关转换器至输出 LT3042。特别是,虽然“热循环” 的开关转换器应 尽可能小,“暖循环” (交流电流在开关处流动 频率)由切换台形成 IC、输出电感器和输出电容器 (对于降压转换器)也应该是 最小化,并且应将其屏蔽 或放置在距离几英寸的地方 超低噪声器件,如 LT3042 及其负载。虽然 LT3042 的方向 关于“暖循环” 可针对最小磁性进行优化 耦合,在实践中可能具有挑战性 只需通过 优化方向 - 多次迭代 可能需要 PC 板。
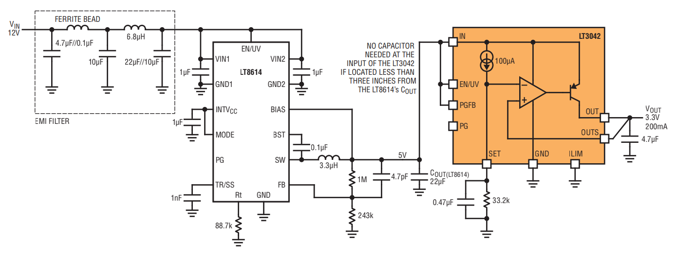
考虑图 10,其中 LT3042 为 后置稳压 LT8614 静音开关稳压器稳压器,该稳压器以 500kHz 运行,具有一个 EMI 开关稳压器输入端的滤波器。随着 LT3042 距离 1 至 2 英寸 开关转换器及其外部 元件,抑制频率接近 80dB 500kHz 无需任何屏蔽即可实现。®

图 10.LT3042 后置稳压 LT8614 静音开关稳压器。
然而,要实现这种性能, 如图 11a 突出显示的那样,没有额外的 电容—开关稳压器上的 22μF 除外 输出 - 放置在 LT3042.但是,如图 11b 所示, 甚至放置一个 4.7μF 的小电容器 直接在 LT3042 结果的输入端 在 PSRR 中超过 10× 的降解。

图 11.LT3042 对 LT8614 静音开关器进行后置稳压 (a) 在 LT3042 输入端没有任何电容器,(b) 在 LT3042 输入端采用一个 4.7μF 电容器。
这是特别违反直觉的——添加 输入电容通常会降低输出纹波,但在 80dB 抑制时, 磁耦合器,通常是 不显著,由中度 高频 (500kHz) 开关电流 流过这个4.7μF电容, 显著降低输出纹波。 在改变方向时 4.7μF 输入电容器和走线 将切换台的输出连接到 该电容器有助于最大限度地减少磁性 耦合,仍然相当困难 在这些情况下实现近 80dB 的抑制 频率,更不用说倍数了 可能需要的 PC 板迭代。
相对较高的输入阻抗 LT3042 可防止高频交流 流向其输入端子的电流。 鉴于 LT3042 是稳定的 不带输入电容(如果位于) 预调节器三英寸以内 开关电源的输出电容, 为了获得最佳的PSRR性能,我们建议不要放置电容器 在 LT3042 的输入端,或将其最小化。
几英寸的走线电感 将 LT8614 连接到 LT3042 输入显著衰减了 高频电源开关转换 尖 峰。一些尖峰仍在传播 通过磁耦合到输出 来自LT8614的“热回路”。 优化 LT3042 威廉希尔官方网站 板方向 减少剩余的峰值。由于 到检测带宽限制, 这些非常高的频率尖峰不是 如图11的输出纹波所示。
从角度来看,试图达到80dB 500kHz 时的抑制,无需使用 超高PSRR LT3042 LDO是一个高 次序。替代品不符合标准。 例如,LC滤波器需要 近 40μH 电感和 40μF 电容,实现 80dB 抑制 在 500kHz 时,增加大而昂贵 组件。成本和董事会房地产 除此之外,如果不正确,LC可能会产生共振 阻尼,增加了复杂性。使用 RC滤波器站不住脚,要求不切实际 电阻可实现 80dB 抑制。 同样,使用传统的LDO 需要将其中至少两个级联到 在 500kHz 时实现 80dB 抑制,这 需要额外的组件和 成本,并降低压差。
此外,为了实现80dB抑制, 这些替代方案也需要注意 磁场耦合。特别是高 必须将频率交流电流降至最低。
由于其超高的PSRR在宽 频率范围,LT3042 允许较低的 上游的频率操作 开关转换器 — 用于改进 效率和 EMI — 无需 过滤器组件尺寸的任何增加 为噪声敏感型应用供电。
结论
LT3042 的突破噪声和 PSRR 性能,再加上其 坚固耐用且易于使用,使其成为理想之选 用于为噪声敏感型应用供电。 基于电流基准 架构、噪声和 PSRR 性能 保持独立于输出 电压。此外,多个 LT3042 可以直接平行到进一步 降低输出噪音,提高输出 电流和传播热量在PCB上。
审核编辑:郭婷
全部0条评论
快来发表一下你的评论吧 !