光电隔离电子威廉希尔官方网站 图
单一电源有时需要加以分割成两个或多个不一定相等的部份。在使用来自干电池或汽车蓄电池的6V、12V、15V、24V、36V或48V电源时经常会遇到这种情况。虽然市场上有精确的专业电压分割器,但不一定能买到,或者对某些项目来说太过于昂贵。而且作为电压分割器使用的IC有时无法提供所需的电流或功率。
所幸对于许多应用来说,当我们需要电压分割器时,可以使用低成本的音频功率放大器(PAA),如LM386、LM380、LM384、TBA820M、TDA2002、TDA2003、TDA2030、TDA2040、TDA2050与LM1875等等分割电源。这种电源分割方案特别适合于测试平台和实验系统使用。
我们可以利用音频功率放大器,为电子设备的电源搭建低成本且非开关型的简单电压分割器。上述的音频功率放大器以及其它许多组件在许多项目中都是大量采购的,这使得它们的使用和更换成本很低,负担较轻。音频功率放大器是许多制造商生产多年的产品,因此非常普及,内部威廉希尔官方网站 也是公开的,测试起来非常方便。即使受损后这些IC也很容易更换。
本文提到的每种威廉希尔官方网站 都可顺利作业,但都有一些特性,因此,在使用某种威廉希尔官方网站 之前应该先进行适当的评估。文中介绍的威廉希尔官方网站 都很简单,不需要复杂的重新设计或调整就能正确作业。
电压分割器类型
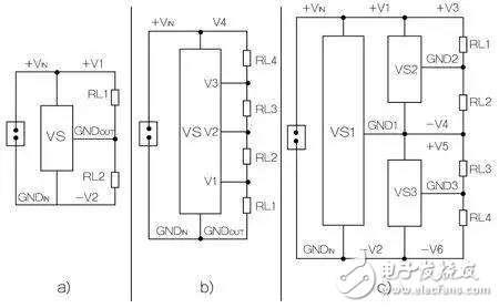
一般来说有三种电压分割器。这三种电压分割器的架构图如图1所示。

图1:三种主要类型的电压分割器方块图。a)有两个输出的电压分割器;b)有4个输出的电压分割器;c)有三个虚拟接地的电压分割器。
图1a显示最常见的电压分割器版本。+Vin和GNDin之间的输入电压被分割成两个不一定相等的部份。这两个部份的电压可以是固定的,也可以在一定范围内调整。通常输入和输出电压之间有少许的差别,这与具体的电压分割器实现有关。
两个输出电压分别是+V1和GNDout之间以及-V2和GNDout之间的电压。在这种电压分割器中,输入和输出电压之间不存在隔离,输入接地GNDin和输出接地GNDout(有时称为虚拟接地)之间也不直接连接。
图1b显示第二种电压分割器的方块图。+Vin和GNDin之间的输入电压被分割成4个不一定相等的部份。这些部份的电压可以是固定的,也可以在一定范围内调整。在这个案例中输入接地GNDin和输出接地GNDout之间是直接相连的。这种应用被称为多输出线性稳压器。
但需要注意的是,因为在这种电压分割器中V1、V2和V3这几个输出都能以推挽威廉希尔官方网站 驱动,而不用单路输出缓冲器。这与线性稳压器不同,因为线性稳压器每个输出端(输出不是推挽威廉希尔官方网站 )通常都有一个晶体管。
图1c显示第三种电压分割器。+Vin和GNDin之间的输入电压被分割成不一定相等的4个部份。事实上这种应用有三个电压分割器,每个分割器将自己的输入电压分成两个部份。每个输出接地(GND1、GND2和GND3)都采用推挽威廉希尔官方网站 驱动。
值得注意的是电压分割器输出电压的测量方式。在这个例子中,V1和-V2针对GND1测量,V3和-V4针对GND2测量,而V5和-V6则针对GND3进行测量。
本文主要使用基于图1a所示方块图威廉希尔官方网站
的电压分割器,很少使用基于图1b的电压分割器。
基于音频放大器的模拟电压分割器优势
现代工业有许多种开关型DC/DC转换器,这些转换器可以当作某种电压分割器使用。但这些组件并不一定都能长期供货,价格可能无法负担,或者可能产生大量电磁噪声,甚至是其它缺点。
将音频功率放大器、音频运算放大器(AOA)和类似的IC和音频模块用于电压分割器有许多优势:
1 许多制造商生产音频功率放大器已有多年历史了。它们可以从许多经销商处购买到,因而已经非常普及,而且价格低廉
2 音频功率放大器的测试简便,更换也很容易
3 音频功率放大器在音频范围内外的噪声都很低,不至于产生大量输出噪声、射频波或电磁干扰(EMI)
4 许多音频功率放大器都有内部热保护、过流保护以及电抗性负载保护和过压保护
5 许多音频功率放大器在需要时可以方便地安装在附加散热器上
在考虑基于放大器的电压分割器之前,首先了解基于二极管和晶体管的多种有用的电压分割器。
基于二极管和齐纳二极管的电压分割器
我们可能需要从一般直流(DC)电源衍生而来的两个或多个低电压电源或参考电压取得几毫安的电流,而且这种威廉希尔官方网站 的电源管理并不需要非常严格。在这些情况下,我们可以使用基于二极管、齐纳二极管和并联稳压器的电压分割器。
现代工业提供种类繁多的齐纳二极管,其功耗在0.3W和1.3W之间,参考电压容差为±2%或更好。这些齐纳二极管可用于实现某些类型的电压分割器。图2显示了三种例子。

图2:采用二极管和齐纳二极管实现的电压分割器。a)使用二极管的电压分割器;b)使用齐纳二极管的电压分割器;c)使用两个并联稳压器(TL431)的电压分割器。
图2a显示使用二极管的简单电压分割器。串联任意合适数量的二极管或发光二极管(LED),使其可用于分路或并联稳压器。在这个例子中,有两个二极管D1和D2产生正输出电压+V1,另外个二极管D3产生负输出电压-V3。输出接地GNDout可以是二极管之间的任何一点。
图2b显示采用齐纳二极管的简单电压分割器。串联任意合适数量的齐纳二极管,使其可作为分路或并联稳压器。在此例中,两个二极管D1和D2产生正输出电压+V1和+V2,另外两个二极管D3和D4产生负输出电压-V3和-V4。输出接地GNDout可以是齐纳二极管之间的任意一点。在此例中,GNDout位于D2和D3之间。齐纳二极管可以采用相同或不同的种类。
我们可以使用像TL431这样的并联稳压器代替二极管和齐纳二极管。这种解决方案的优势在于通过选择电阻或微调电位器或其它组件调整输出电压。
图2c显示采用TL431可调并联稳压器的简单电压分割器。在此例中,可以采用两个TL431或LM341产生正输出电压+V1和负输出电压-V3。电压V1可用微调电位器P1调节,负输出电压-V3可以用P2调节。
我们可以串联连接任何合适数量的并联稳压器,如图2a和图2b所示。事实上,这些稳压器可以被看作是可调的齐纳二极管。
基于双极接面晶体管的电压分割器
图2所示的电压分割器没有推挽输出威廉希尔官方网站 ,因此在没有负载的情况下会浪费很多功率。我们可以使用基于双极接面晶体管(BJT)的电压分割器避免这个问题。当我们需要高输出电压、大电流、大功率或当我们不需要非常好的输出电压调节功能时,这种电压分割器尤其适合。
这些威廉希尔官方网站 都有推挽输出威廉希尔官方网站 和输出电压的简单调节。它们类似于作为DC放大器作业的晶体管型音频放大器威廉希尔官方网站 。

图3:采用晶体管搭建的简单电压分割器。
图3显示围绕两个晶体管搭建的两个简单电压分割器例子。图3a的晶体管T1和T2用于缓冲由电阻R1至R4和二极管D1与D2搭建的分压器输出电压。二极管D1和D2具有温度补偿效果,但不是必要的。如果使用这两种二极管,D1应该与T1保持热接触,D2应该与T2保持热接触。如果不使用D1和D2,那么相应地要增加R2和R3值。
电阻R5、R6和R7提供简单的局部回馈,具有微幅改善和保护威廉希尔官方网站
的作用。R5要比R6和R7更大得多。威廉希尔官方网站
中组件值的计算类似于射极随耦器威廉希尔官方网站
中的组件值。
图3b使用3个晶体管和带负反馈的有效输出电压调节威廉希尔官方网站 。电阻R1和微调电位器P1提供的负反馈可稳定输出电压。输出电压+V1和-V2由P1、R1和R2设定。D1和D2用于温度补偿。电阻R4和R5提供局部负反馈,并在一定程度上保护输出晶体管T2和T3。
有时必须调整以及更有效地调节电压分割器产生的输出电压。在这种情况下,我们可以使用以晶体管搭建的典型差分放大器来解决这些问题。图4显示基于T1至T5这5个晶体管搭建的电压分割器。

图4:在晶体管搭建的差分放大器基础上设计电压分割器。
T1和T2用作差分放大器。T3是输出晶体管T4和T5的放大器和驱动器。电阻R6提供负反馈,用于稳定输出电压。R7和C2并非必要的,但C1是必要的,因为它要提供了威廉希尔官方网站 的频率补偿。
输出电压+V1和-V2由R1、R2和P1进行设定。二极管D1、D2和D3用于输出晶体管的偏置和温度补偿。微调电位器P2用于调整输出晶体管的静态电流,如从1mA至10mA,具体取决于负载情况。电阻R4和R5提供局部负反馈,并对输出晶体管T4和T5提供一定程度的保护。
采用OP和BJT的电压分割器
如果负载持续变化或是不对称,图3和图4所示的电压分割器可能效果并不好。为了解决这个问题,有时采用基于单一OP(如TL071、OPA134、NE5534/A或LM741)和额外补充的BJT(如PN2222A+PN2907A、BD135+BD136等)设计的电压分割器,如图5所示。

图5:采用OP和BJT设计的简单电压分割器。
输出电压用P1调节。这种电压分割器作用就像DC放大器一样,增益Av为Av=1+R4/R5。R5如果不需要可以省略,此时的增益就是单位1。该威廉希尔官方网站 也可以用于随耦器和电流缓冲器。
电压分割器的输出电流限制为50mA至2000mA,具体取决于晶体管T1和T2以及OP的输出能力。电容C4只用于需要为OP提供外部频率补偿之时。大多数音频功率放大器包含图5所示的所有组件,因此非常适合于搭建可调整与不可调的电压分割器。
全部0条评论
快来发表一下你的评论吧 !