AD技术
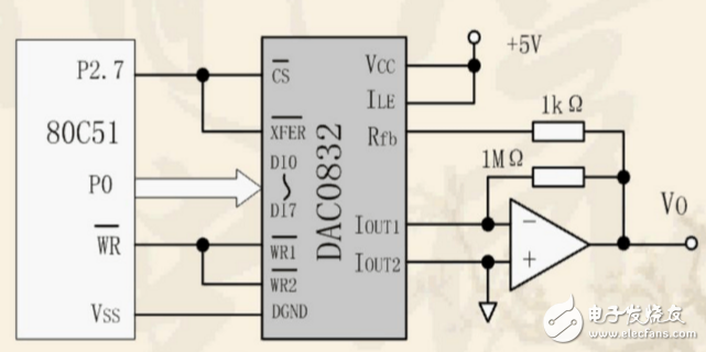
DAC0832是8分辨率的D/A转换集成芯片。与微处理器完全兼容。这个DA芯片以其价格低廉、接口简单、转换控制容易等优点,在单片机应用系统中得到广泛的应用。D/A转换器由8位输入锁存器、8位DAC寄存器、8位D/A转换威廉希尔官方网站 及转换控制威廉希尔官方网站 构成。
DAC0832进行D/A转换,可以采用两种方法对数据进行锁存。
第一种方法是使输入寄存器工作在锁存状态,而DAC寄存器工作在直通状态。具体地说,就是使 和 都为低电平,DAC寄存器的锁存选通端得不到有效电平而直通;此外,使输入寄存器的控制信号ILE处于高电平、 处于低电平,这样,当 端来一个负脉冲时,就可以完成1次转换。
第二种方法是使输入寄存器工作在直通状态,而DAC寄存器工作在锁存状态。就是使 和 为低电平,ILE为高电平,这样,输入寄存器的锁存选通信号处于无效状态而直通;当WR2 和XFER 端输入1个负脉冲时,使得DAC寄存器工作在锁存状态,提供锁存数据进行转换。
DAC0832有三种工作方式:直通方式、单缓冲方式和双缓冲方式。
单缓冲方式是控制输入寄存器和DAC寄存器同时接收资料,或者只用输入寄存器而把DAC寄存器接成直通方式。此方式适用只有一路模拟量输出或几路模拟量异步输出的情形。

双缓冲方式是先使输入寄存器接收资料,再控制输入寄存器的输出资料到DAC寄存器,即分两次锁存输入资料。此方式适用于多个D/A转换同步输出的情节。

直通方式是资料不经两级锁存器锁存,即 CS*,XFER* ,WR1* ,WR2* 均接地,ILE接高电平。此方式适用于连续反馈控制线路和不带微机的控制系统,不过在使用时,必须通过另加I/O接口与CPU连接,以匹配CPU与D/A转换。

全部0条评论
快来发表一下你的评论吧 !