应用电子威廉希尔官方网站
UC3845是高性能固定频率电流模式控制器专为离线和直流至直流变换器应用而设计,为设计人员提供只需最少外部元件就能获得成本效益高的解决方案。这些集成威廉希尔官方网站 具有可微调的振荡器、能进行精确的占空比控制、温度补偿的参考、高增益误差放大器。电流取样比较器和大电流图腾柱式输出,是驱动功率MOSFET的理想器件。


输入电压:15V
输出电压:5V
输出电流:200mA
频率:500kHz
封装形式:DIP
针脚数:8
工作温度范围:0°C to +70°C
封装类型:DIP
工作温度最低:0°C
工作温度最高:70°C
器件标号:3845
控制器类型:PWM
温度范围:商用
电源电压 最大:25V
电源电压 最小:12V
芯片标号:3845
表面安装器件:通孔安装
输入电压 最大:25V
输入电流:11mA
输出电流 最大:1A
输出类型:Totem Pole
输出能量, 每周期:5μJ
逻辑功能号:3845A
电源芯片类型:PWM控制器


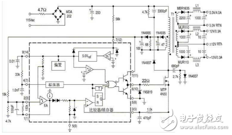
27w离线反激稳压威廉希尔官方网站 图

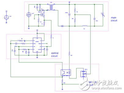
单端反激变换器
全部0条评论
快来发表一下你的评论吧 !