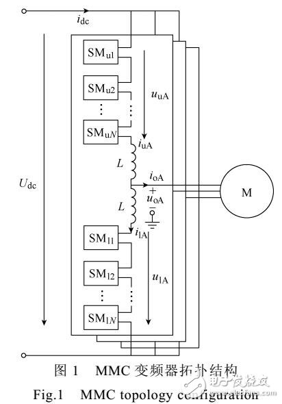
模块化多电平换流器( MMC)作为一种新型高压大功率拓扑结构,不仅在直流输电领域中获得广泛关注,也在高压变频领域颇具应用前景。与传统的高压变频器拓扑相比较,模块化多电平换流器在灵活性、可靠性、电压波形质量、输入变压器设计、电压功率等级等方面均展现出一系列技术优势。为促进中国高压变频技术的发展,对MMC变频器的威廉希尔官方网站 特点、子模块结构、调制方法、电容电压平衡策略、谐波分析、环流抑制、启动预充电、故障容错与可靠性、低频运行等方面的最新研究进展进行详细分析评述,并指出模块化多电平高压变频技术的研究难点与挑战。

声明:本文内容及配图由入驻作者撰写或者入驻合作网站授权转载。文章观点仅代表作者本人,不代表电子发烧友网立场。文章及其配图仅供工程师学习之用,如有内容侵权或者其他违规问题,请联系本站处理。 举报投诉
全部0条评论
快来发表一下你的评论吧 !