AD技术
在pH值在线测量中,电位分析法是实现在线监测和过程监控的唯一方法,该方法所用的电极被称为原电池,使化学反应能量转成为电能。原电池由两个半电池构成,其中一个半电池称作测量电极,它的电位与特定的离子活度有关;另一个半电池为参比半电池,通常称作参比电极,它一般是与测量溶液相通,并且与测量仪表相连。原电池的电压称为电动势(EMF),根据能斯特方程,pH值与电动势E之间的关系如下:

式(1)和式(2)中,aH+为水溶液中氢离子活度;R为气体常数;F为法拉第常数;T为绝对温度,E0为标准电极电位。
从式(1)和式(2)可以看出,pH值计算时的斜率与温度T成线性关系,因此必须对方程中的斜率进行补偿。此外,由于pH测量电极上产生的电动势较小,最大只有几百mV,因此对于pH值在线监测传感器,在设计信号放大和采集威廉希尔官方网站 时,必须考虑放大威廉希尔官方网站 随时间和温度的漂移对pH值的影响,以获得精确且结果可重复的PH值。
一般pH测量系统包括pH电极、信号放大威廉希尔官方网站 、A/D采集威廉希尔官方网站 、微控制器和通信接口,如图1所示。pH电极产生的电动势信号经过缓冲和增益放大后进入A/D芯片进行模数转换,同时传感器输出的温度信号也送入到A/D芯片进行转换,MCU对采集到的pH信号进行滤波和温度补偿,计算出pH值,然后通过RS485接口送到远程控制主机,同时也可通过V/I威廉希尔官方网站 转换成4~20mA的电流信号。

图1测量系统原理框图
如图1所示,要设计一套精确、稳定的pH在线测量系统,首先要减小温度对信号处理和信号采集威廉希尔官方网站 的影响,这就对处理威廉希尔官方网站 和采集威廉希尔官方网站 提出了更高的要求。
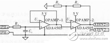
由于pH电极具有较大的输出电阻,要实现精确的pH测量,作为缓冲器的前级,应选用低偏置电流的放大器。经过低漏电流缓冲级后,信号再提供给增益放大级,以实现更高的分辨率。为此,在威廉希尔官方网站 设计中选择ADI公司的ADA4505-2芯片作放大器,设计的威廉希尔官方网站 如图2所示。该芯片是双通道微功耗放大器,具有较低的输入偏置电流(典型值0.5pA)和出色的PSRR和CMRR性能,其典型失调电压为500μV,0.1~10Hz内具有2.95μV的低峰峰值电压噪声,满足威廉希尔官方网站 中作为缓冲器和放大器的要求。此外,该芯片在0~50℃范围内具有较低的失调漂移和偏置电流,对提升威廉希尔官方网站 的温度稳定性具有重要作用。

图2PH信号放大威廉希尔官方网站
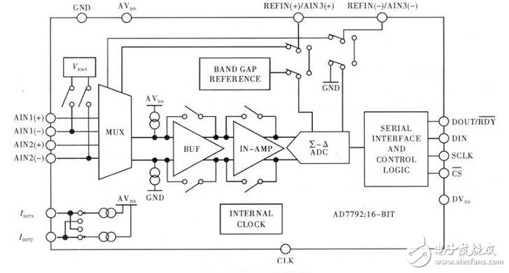
在pH仪表的多数应用中只需要提供3位的分辨率,因此采用16位的∑-△ADC即可满足要求,考虑到pH测量对低噪声和低温漂的要求,采用ADI公司的AD7792作为A/D转换芯片,该芯片内部结构如图3所示。如需更高的采集精度,可采用20位的转换芯片AD7793,其结构原理和引脚功能与AD7792完全相同。

图3AD7792内部结构图
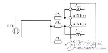
AD7792含有3个差分模拟输入,集成了片内低噪声仪表放大器,因而可直接输入小信号。当增益设置为64,更新速率为4.17Hz时,均方根噪声为40nV。芯片内置一个精密低噪声、低漂移内部带隙基准电压源,也可采用一个外部差分基准电压源。此外,芯片还内置了两个完全匹配的可编程电流源,适合作RTD温度测量,以便对pH测量作温度补偿。温度测量威廉希尔官方网站 如图4所示。

图4RTDd测量威廉希尔官方网站
利用AD7792两个完全匹配的电流源,可以实现最佳的三线式RTD配置。在图4中,如果只使用一路电流,引线电阻将产生误差,由于激励电流流经RL1,将在AIN1+引脚和AIN1-引脚之间产生电压误差。如采用三线式配置,第2个RTD电流源可用于补偿因激励电流流经RL所产生的误差。当图中RL1和RL2相等,IOUT1与IOUT2匹配,第2个RTD电流流经RL2后,RL2的误差电压与RL1的误差电压相等,且AIN1+引脚和AIN1-引脚之间无误差电压。虽然在RL3上产生了两倍电压,但由于所产生的电压为共模电压因此,不存在电压误差,温度测量精度高。
AD7792可以采用内部时钟或外部时钟工作,输出数据速率可通过软件编程设置,在4.17~470Hz范围内选择。
MCU的主要功能是完成对pH信号、温度信号的采集和软件滤波,根据采集的温度信号,自动补偿和修正式(1)中的S斜率,计算出待测溶液的pH值,并根据需要转换成4~20mA的电流信号或通过RS485总线传送到主控计算机。其主要软件流程框图如图5所示。

图5软件流程图
全部0条评论
快来发表一下你的评论吧 !