控制/MCU
城市道路交错分布,交通灯是城市交通的重要指挥系统。交通信号灯作为管制交通流量、提高道路通行能力的有效手段,对减少交通事故有明显效果。可编程控制器PLC作为工业用的计算机,在工业自动化中的地位极为重要。其具有小型化、价格低、可靠性高等特点,在各个行业也得到了广泛应用。
本文基于PLC的十字路口智能交通灯控制系统,构成十字路口带倒计时显示交通信号灯的电气控制以及该系统软、硬件设计方法。实验证明该系统实现简单、经济,能够有效地疏导交通,提高交通路口的通行能力。
系统上电后,交通指挥信号控制系统由两个按钮控制。启动按钮按下,交通指挥系统开始按常规正常控制功能工作,按照如图1所示的工作时序周而复始、循环往复工作。南北绿灯亮25s闪3s,黄灯亮2s后南北红灯亮30s。东西方向与南北方向相同。正常运行时,南北向及东西向均有两位数码管倒计时显示牌同时显示相应的指示灯剩余时间值。系统主要实现十字路口交通灯数码显示控制和显示时间智能调节两大功能。

图1 十字路口交通灯正常工作时序
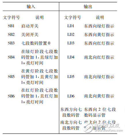
FX系列PLC拥有无以企及的速度、高级的功能逻辑选件以及定位控制等特点。FX2N系列是三菱PLC的FX家族中最先进的系列,具有高速处理及可扩展大量满足单个需要的特殊功能模块等特点;FX2N是从16路到256路输入/输出的多种应用的选择方案。这里选用的是FX2N-80MR-D基本单元,带40点输入/40点继电器输出,选用额定电压12V、额定电流25mA(每段)高亮的共阴极两位25.4cm七段数码管;供电直接使用DC12V/25mA电源供电。选用直径200mm的圆形LED点阵,左边红、绿、黄灯额定电压DC12V,额定电流4.2A,额定功率50W,直接采用DC12V/4.2A电源供电。各控制信号说明如表1所示。SB2按下时,接点断开,停止工作。按下SB3时,七段数码管显示“00”。每当分别按下SB4、SB5、SB6时,在绿黄红阶段,七段数码管分别加1,并增加1s亮灯时间,用于根据车流量大小随时调整各指示灯的工作时间。
表1十字路口交通灯控制信号说明

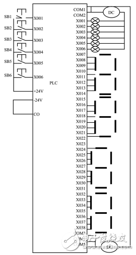
根据控制要求得到基于FX2N-80MR-D的I/O分配表如表2所示
表2 可编程序控制器输入/输出分配

根据交通灯设计系统控制信号说明(见表1)及可编程控制器输入输出分配表(见表2)设计控制系统电气控制图,如图2所示。

图2 交通灯PLC控制系统电气控制图
载入初始化数据,按下启动按钮,系统开始工作。如果系统不需要进行数据调整,则按预置数据工作;如果需要进行数据调整,则按下停止按钮,对原有数据清零后,对数码显示数据实时调整。程序设计流程如图3所示。

图3 程序的流程图
(1)交通灯的总开关当按下SB1时,X000闭合,M0线圈得点,M0触电闭合,形成自锁。如图4所示。

图4 交通灯正开关的梯形图
(2)交通灯东西方向数码管倒计时的段选通梯形图交通灯东西方向数码管倒计时的段选通梯形图如图5所示。其中K1M10为数码管个位选通,K1M14为数码管十位段选通。M8013是1s脉冲。当M50线圈得电时,M50上升沿触头闭合,D4储存器内的数据转换成BCD码传递给M10到M17,并且每秒D4储存器内的数据减1,SEGD将M10到M17内的BCD码转换成七段数码管上显示的数字。

图5 交通灯的东西方向七段数码管显示梯形图
(3)交通灯南北方向数码管倒计时的段选通梯形图交通灯南北方向数码管倒计时的段选通梯形图如图6所示。其中K1M20为数码管个位选通,K1M24为数码管十位段选通。M8013是1s脉冲。当M51线圈得电时,M51上升沿触头闭合,D5储存器内的数据转换成BCD码传递给M20到M27,并且每秒D5储存器内的数据减1,SEGD将M20到M27内的BCD码转换成七段数码管上显示的数字。

图6 交通灯的南北方向七段数码管显示梯形图
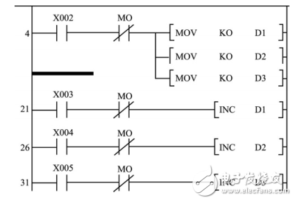
(4)交通灯在停止阶段调整时间的梯形图交通灯在停止阶段调整时间的梯形图如图7所示。D1,D2,D3分别是储存在绿、黄、红阶段的时间。当M0线圈得电时,M0常闭触电断开,只有当M0线圈失电时,才能调整数据储存器内的数值;当M0线圈失电时,按下SB3,D1、D2、D3数据存储器内的数据都为0,每分别按下SB4,SB5,SB6时,D1,D2,D3数据储存器内的数据加1。

图7 交通灯在停止阶段调整时间显示梯形图
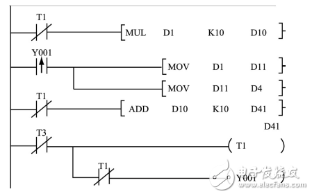
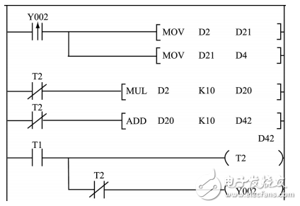
(5)交通灯东西方向绿、黄、红灯正常运转时,工作状态循环梯形图交通灯东西方向绿、黄、红灯正常运转时,工作状态循环梯形图如图8~图10所示。Y001为东西方向绿灯,Y002为东西方向黄灯,Y003东西方向红灯。因为FX2N系列计时器最大是以100ms来计时的,并且七段数码管的显示计数是从1开始的,所以在将数据传递给计时器时要经过处理,用MUL指令分别对D1,D2,D3的数据乘10放入D10、D20、D30内,ADD指令将D10,D20,D30中的数据加10放入D41、D42、D43内,这样,保证了七段数码管可以倒计时到“0”。

图8交通灯东西方向绿灯显示

图9交通灯东西方向黄灯显示

图10交通灯东西方向红灯显示
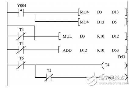
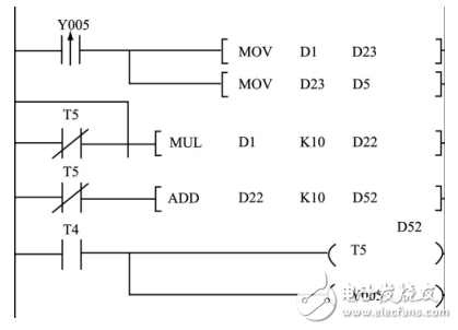
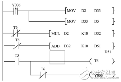
(6)交通灯南北方向红、绿、黄灯正常运转时工作状态循环梯形图如图11~图13所示。Y004为南北方向红灯,Y005为南北方向绿灯,Y006为南北方向黄灯,与东西方向红绿灯同理。

图11交通灯南北方向红灯显示

图12交通灯南北方向绿灯显示

图13交通灯南北方向黄灯显示
用PLC控制交通信号灯要充分利用其特点:(1)高可靠性;(2)丰富的I/O接口模块;(3)采用模块化结构;(4)编程简单易学;(5)安装简单,维修方便。设计过程中主要的难点与重点是编程思路、部分功能指令的应用、梯形图的设计、系统程序输入及调试方法。
全部0条评论
快来发表一下你的评论吧 !