电子说
国内的新能源汽车正如火如荼发展,如何才能构建一致性更好的车载CAN总线网络?让我们从国际标准开始学习。
ISO11898是CAN总线国际标准,由德国BOSCH公司开发至今已经成为汽车控制系统的标准总线协议,而今国内新能源汽车发展随着双积分制已经开始对传统车企大面积普及,为了在转型过程中提高汽车稳定性,国际标准的研读成为重中之重。
图1 新能源汽车CAN总线透视图
任何一种通讯协议都要基于物理介质去构建,那么高速(发送速率1Mbps)介质有哪些特性值得我们注意的呢?今天我们以《ISO11898-2:高速介质访问单元》作为切入点去了解这份国标。
一、介质的特性
1、总线电平
(1)总线能有两种逻辑状态中的一个:接收或发送(见图2)。
在接收状态,VCAN_L和VCAN_H固定在平均电平,由总线终端决定。Vdiff低于最大阈值时,接收状态在总线空闲和接收数据位期间传递。

图2 CAN总线逻辑状态
(2)在物理介质方面,CAN网络线束拓扑应尽量接近单根线的结构,线缆所使用的双绞线保持在一米50绞左右,外裹一层屏蔽线,有效减少干扰信号对差分电压的影响,同时也避免线束反射波,而其d和l的距离需要达到一定程度。
LS-CAN网段拓扑结构采用总线型拓扑结构,如图3所示,具体数值见表1。通信速率是125 k~500kbit/s,除此之外,还需要满足下列技术要求:
为了减小驻波,各ECU距离干线的长度不能相等,同时应避免ECU在总线上等间距布置,即任何两个ECU之间d值不能相等;
诊断接口到诊断设备的距离不允许超过5 m。

图3 车身CAN网络拓扑图
表1 网段拓扑结构

(3)小结
根据上述特性,我们在做车身总线设计时,需要控制好从站到主站的距离以及从站与从站间的距离,避免距离过大或过小引起信号失真或幅值不足等问题。
二、一致性测试
1、概述
介质访问单元的一致性应当遵循ISO16845规范进行测试,其中以CAN_H和CAN_L分别对地或两者之间的阻抗、容抗、总线传输延时为主。
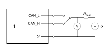
(1)CAN_L和CAN_H相对于地的内部终端电阻
Rin_L和Rin_H由Rtest确定,计算公式如下:


图4 CAN_L和CAN_H相对于地的内部终端电阻测试等效图
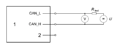
(2)内部差分电阻
Rdiff由总线空闲期间Rtest确定:


图5 内部差分电阻测试等效图
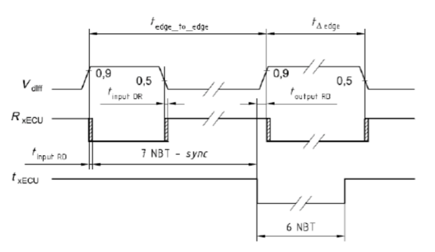
(3)内部延时测量法
内部延时tnode测量应当在通过在空闲状态,错误有效的CAN节点的CAN总线输入一个发送位。CAN节点应当认为这个发送位为帧的起始位并执行硬件二次同步。CAN控制器应当在发送位后的第六个接收位检测到填充错误,并且作为有效的错误标志响应。外部发送发送位到错误标志开始之间的时间为tedgeotooedgeoo 。
t∆edge=6∙NBT−(toutputRD−toutputDR) o
tinputRD+toutputRD=tedge_to_edge−7∙NBT+synco
同步条件能通过调整相位消除,得到tedgeotooedgeoo 最大值(CAN核采样误差最大:1tq)。

图6 内部传输延时测量
2、IOS11898一致性测试快捷可靠的方法
要用万用表、Excel数据加计算公式的方式将上述的内部传输延时、阻抗、容抗、CAN节点接收发送输出输入、等数十种测试项做完效率极低且准确度不高,人为计算错误的情况较多,所以CANscope总线分析仪的一键测试上述一致性的项目在效率和权威性上有极大的提升。

图7 一致性测试四大观测界面

图8 CANTester物理层与数据链路层一致性测试部分项目

图9 等效威廉希尔官方网站 功能进行输入电容电阻等测试
图10 CANscope总线分析仪
CANscope总线分析仪是CAN总线故障定位、干扰排除、可靠性测试全球唯一的解决方案,兼容CAN总线各种主流协议,也就意味着在各种现在施行或将来升级的标准,CANscope都能及时兼容更新,一致性测试更全、更快、更可靠。
全部0条评论
快来发表一下你的评论吧 !