变流、电压变换、逆变威廉希尔官方网站
buck变换器轻载时有三种工作模式:跳脉冲模式、突发工作模式、强迫连续模式。下文将对这三种工作模式进行详细介绍。
对于恒定频率的常规Buck控制器,通常其电感电流iL工作于连续电流模式(CCM),电感的平均电流IL即为输出的负载电流iload。当iload降低时,IL也将降低;当iload降低到一定值时,变换器进入临界电流模式。此时,若iload进一步降低,iL回到零后,开关周期还没有结束,在iL=0处保持一段时间后,开关周期才结束,进入下一个开关周期,此时变换器为完全的非连续电流模式(DCM)。变换器进入DCM模式后,若iload仍然进一步降低,此时为了维持输出电压的调节,高端开关管的开通时间将减小,直到达到控制器的最小导通时间tonmin,当达到tonmin后,若iload仍然在降低,控制器就必须屏蔽掉即跳掉一些开关脉冲,以维持输出电压的调节。这种控制方法即为跳脉冲模式。跳脉冲模式可在最宽的输入电流范围内提供恒定频率的不连续电流操作,防止iL反向。
由于控制器允许调节器跳掉一些不需要的脉冲,相比于连续模式操作,提高了轻载的效率,但其轻载的工作效率比突发模式的低,其轻载的输出纹波亦不如连续模式操作。跳脉冲模式的确提供了一种工作效率和噪声的折衷方案。
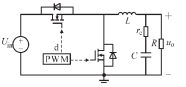
图1示出Buck突发模式的原理图。突发工作模式比较器A2通过检测UITH的电压来检测输出负载的变化。正常工作时,UITH》UB-UH/2(UH为A2的滞回电压),A2输出为低电压,系统不会进入突发工作模式。当输出负载降低时,输出电压uo将会提高,输出电压反馈脚的电压UFB也相应提高。

图1突发模式原理图
此时,由于电压误差放大器A1为负反馈,因此UITH将随之降低,但仍高于UB-UH/2,突发工作模式比较器的输出仍然为低电压,系统仍然不会进入突发工作模式。当输出负载降低到一定的值时,UITH将低于UB-UH/2,A2输出将从低电压翻转变为高电压,控制威廉希尔官方网站 将使高端MOSFET的输出驱动为低电平,高端MOSFET关断并停止开关操作,此时输入不再向输出端传输能量,输出的大电容Co将维持低的输出负载,因此uo逐渐降低,UFB也相应地降低,此时UITH随之提高,但仍低于UB+UH/2,突发工作模式比较器仍然输出为高电压,高端MOSFET仍然关断。
随着uo的进一步降低,UFB也相应地继续降低,UITH随之继续提高。经过一段长时间后,UITH将高于UB+UH/2,A2输出将从高电压翻转变为低电压,高端MOSFET的驱动输出屏蔽被释放,系统进入正常的PWM操作,高端MOSFET进入开关操作。由于输入的能量大于输出负载所消耗的能量,因此uo将随之提高。当uo提高到一定值时,A2输出将又一次翻转,从低电压变为高电压,如此反复。这种工作模式即为突发工作模式。
突发模式通过使用滞洄比较器控制高端开关管工作的时间很短,停止工作的时间很长,因此极大地降低了开关损耗,提高了系统的效率。另一方面由于高端开关管停止工作的时间很长,在此期间,输出电容Co将维持输出负载的能量,Co的电压uCo降低的值较大,因此Co的纹波电压uCo也大,这意味着输出纹波电压uo大。迟滞比较器的上下门限电压决定了uo值。
强迫连续模式主要针对同步Buck变换器,即把续流二极管换为MOSFET。在正常工作时,强迫连续模式和跳脉冲模式一样都工作于CCM模式。当输出负载降低到一定值时,如前所述,跳脉冲模式将由CCM进入DCM模式,在iL=0时,续流二极管将自然关断,并将这一状态维持到进入下一个开关周期。
而对于强迫连续模式,在iL=0时,由于同步开关管仍然导通,因此uCo将反向加在电感上从而对电感反向激磁,iL将从零反向增加到一定值,然后同步管关断,主开关管导通,输入电压加在电感上,电感两端的电压uL为正电压,iL将从一定负值正向增加,在过零后继续正向增加到一定值。

图2 同步Buck原理图
注意,主开关管和同步开关管在每个开关周期都在工作,因此开关的功耗大,系统的效率极低。低输出负载条件下,在每个开关周期,高端的主开关导通时,从输入端向输出负载传输的能量大于实际负载所需要的能量,因此必须依靠同步开关管的导通,使uo对电感反向激磁,从而将多余部分的能量储存在电感中,以维持输出的调节。这部分的能量只是在电感中来回交换,并未消耗在实际负载中。由于电感有磁损耗(磁芯中的功率损耗)和铜损耗(导线电阻的损耗)能量,因此也进一步降低了效率。然而也正是因为主开关管和同步开关管在每个开关周期都在工作,即使在轻载条件下,在每个开关周期,输入和输出的能量能够得到平移,因此uo也最小。
这种效率最低的操作模式适合于一些特定的应用。在该模式中,输出可以提供电流也可以吸收电流,因此可用于DDR存储器的供电。另外,在一些通讯系统中,即使是在轻负载条件下,仍需要低的uo,因此也必须采用这种工作模式,而效率并不是主要的考虑因素。uo和频率在整个负载变化范围内恒定,容易滤除噪声,适用于通讯等要求干扰噪声低的场合。
在强制连续模式操作中吸收电流且处于开关管死区时间,iL对输入电容充电,使其电压提升,设计时不要使实际的输入电压最大值大于允许的额定值。
全部0条评论
快来发表一下你的评论吧 !