传感器
霍尔传感器是根据霍尔效应制作的一种磁场传感器。通过霍尔效应实验测定的霍尔系数,能够判断半导体材料的导电类型、载流子浓度及载流子迁移率等重要参数。
霍尔效应是磁电效应的一种,这一现象是霍尔(A.H.Hall,1855—1938)于1879年在研究金属的导电机构时发现的。后来发现半导体、导电流体等也有这种效应,而半导体的霍尔效应比金属强得多,利用这现象制成的各种霍尔元件,广泛地应用于工业自动化技术、检测技术及信息处理等方面。霍尔效应是研究半导体材料性能的基本方法。
磁场中有一个霍尔半导体片,恒定电流I从A到B通过该片。在洛仑兹力的作用下,I的电子流在通过霍尔半导体时向一侧偏移,使该片在CD方向上产生电位差,这就是所谓的霍尔电压。

霍尔电压随磁场强度的变化而变化,磁场越强,电压越高,磁场越弱,电压越低,霍尔电压值很小,通常只有几个毫伏,但经集成威廉希尔官方网站 中的放大器放大,就能使该电压放大到足以输出较强的信号。若使霍尔集成威廉希尔官方网站 起传感作用,需要用机械的方法来改变磁场强度。下图所示的方法是用一个转动的叶轮作为控制磁通量的开关,当叶轮叶片处于磁铁和霍尔集成威廉希尔官方网站 之间的气隙中时,磁场偏离集成片,霍尔电压消失。这样,霍尔集成威廉希尔官方网站 的输出电压的变化,就能表示出叶轮驱动轴的某一位置。

利用这一工作原理,可将霍尔集成威廉希尔官方网站 片用作用点火正时传感器。霍尔效应传感器属于被动型传感器,它要有外加电源才能工作,这一特点使它能检测转速低的运转情况。
1、精度高:在工作温度区内精度优于1%,该精度适合于任何波形的测量;
2、线性度好:优于0.1%;
3、霍尔传感器可以测量任意波形的电流和电压,如:直流、交流、脉冲波形等,甚至对瞬态峰值的测量。副边电流忠实地反应原边电流的波形。而普通互感器则是无法与其比拟的,它一般只适用于测量50Hz正弦波;

4、原边威廉希尔官方网站 与副边威廉希尔官方网站 之间有良好的电气隔离,隔离电压可达9600Vrms;
5、宽带宽:高带宽的电流传感器上升时间可小于1μs;但是,电压传感器带宽较窄,一般在15kHz以内,6400Vrms的高压电压传感器上升时间约500uS,带宽约700Hz。
6、测量范围:霍尔传感器为系列产品,电流测量可达50KA,电压测量可达6400V。
在使用霍尔电流传感器时,应注意一下几点:
1、为了得到较好的动态特性和灵敏度,必须注意原边线圈和副边线圈的耦合,要耦合得好,最好用单根导线且导线完全填满霍尔传感器模块孔径。
2、使用中当大的直流电流流过传感器原边线圈,且次级威廉希尔官方网站 没有接通电源|稳压器或副边开路,则其磁路被磁化,而产生剩磁,影响测量精度(故使用时要先接通电源和测量端M),发生这种情况时,要先进行退磁处理。其方法是次边威廉希尔官方网站 不加电源,而在原边线圈中通一同样等级大小的交流电流并逐渐减小其值。

3、霍尔传感器都具有较强的抗外磁场干扰能力,但是,为了获得较高的测量准确度,当有较强的磁场干扰时,要采取适当的措施来解决。通常方法有:
调整模块方向,使外磁场对模块的影响最小;
在模块上加罩一个抗磁场的金属屏蔽罩。
4、测量的最佳精度是在额定值下得到的,当被测电流远低于额定值时,要获得最佳精度,原边可使用多匝,但是,需要注意导线的空间位置(参照第一条)。
霍尔传感器的应用非常的广泛,在航空航天技术,医疗技术,交通运输,工业以及测量和测试等诸多领域都做出了重大的的贡献。目前应用领域比较活跃的就是电动自行车领域。这一切都归根于霍尼韦尔的高质量四霍尔式元件,其它高灵敏度霍尔效应锁存器采用的是双霍尔或者单霍尔元件,这使得它对封装应力非常敏感,而四霍尔元件则使这些传感器更加稳定和出色。
1、霍尔传感器信号放大威廉希尔官方网站

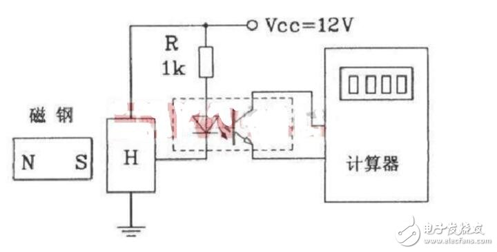
2、霍尔接近开关组成的计数器威廉希尔官方网站
HK-1型霍尔接近开关组成的计数器威廉希尔官方网站 图中采用了光电耦合器隔离和8位计算器。每当磁钢接近HK-1开关一次,计算器记一个数,并累加,从而完成计数功能。

3、霍尔接近开关用于数控机床PLC威廉希尔官方网站
此威廉希尔官方网站 还可用于数控机床可编程控制器(PLC)上,其精度可达0.02mm,还可用于高速冲床、复杂纹进模具的送切料、行程控制等方面。

1、改变磁场的大小线性霍尔元件的好坏
将线性霍尔元件通电,输出端接上电压表,磁铁从远到近逐渐靠近线性霍尔元件时,该线性霍尔元件的输出电压逐渐从小到大变化,这说明该线性霍尔元件是好的,如果磁铁从远到近逐渐地靠近线性霍尔元件,该线性霍尔元件的输出电压保持不变,这说明该线性霍尔元件已被损坏。
2、改变线性霍尔元件恒流源的电流大小判断线性霍尔元件的好坏
磁铁保持不动(即对线性霍尔元件加入一个固定不变的磁场),使得线性霍尔元件恒流源的电流从零逐渐地向额定电流变化时(不能超过线性霍尔元件的额定电流),这时线性霍尔元件的输出电压也从小逐渐地向大变华,这说时该线性霍尔元件是好的,如果线性霍尔元件恒流的电流从零逐渐地向额定电流变化时,这时该线性霍尔元件的电压保持不变,这说明该线性霍尔元件已损坏。
将单极开关霍尔元件通电5V,输出端串联电阻,当磁铁远离开关霍尔元件时,开关霍尔元件的输出电压为高电平(+5V),当磁铁靠近开关霍乐元件时,开关霍尔元件的输出电压为低电平(+0.2V左右),这说明该开关开型霍尔元件是好的。如果不认靠近或离开霍尔开关,该霍尔开关的输出电平保持不变,则说明该霍尔开关已损坏。
当磁铁N极或S极靠近霍尔开关,输出是高电平或低电平,然后拿开霍尔元件,电平保持不变,再用刚才相反的磁极得到与刚刚相反的电平,这时说明霍尔元件是好的,如果当霍尔元件靠近得到的电平,在磁铁离开后不锁存,说明霍尔是坏的,当磁铁用相反的极性靠近霍尔,得不到与另一个极性靠近霍尔所得出相反的电平,那么这个霍尔开关也是坏的。
霍尔传感器相关文章:
全部0条评论
快来发表一下你的评论吧 !