开关电源的威廉希尔官方网站 组成
开关电源的主要威廉希尔官方网站 是由输入电磁干扰滤波器(EMI)、整流滤波威廉希尔官方网站 、功率变换威廉希尔官方网站 、PWM控制器威廉希尔官方网站 、输出整流滤波威廉希尔官方网站 组成。辅助威廉希尔官方网站 有输入过欠压保护威廉希尔官方网站 、输出过欠压保护威廉希尔官方网站 、输出过流保护威廉希尔官方网站 、输出短路保护威廉希尔官方网站 等。开关电源的威廉希尔官方网站 组成方框图如下:

输入威廉希尔官方网站 的原理及常见威廉希尔官方网站
AC 输入整流滤波威廉希尔官方网站 原理:

① 防雷威廉希尔官方网站 :当有雷击,产生高压经电网导入电源时,由MOV1、MOV2、MOV3:F1、F2、F3、FDG1 组成的威廉希尔官方网站 进行保护。当加在压敏电阻两端的电压超过其工作电压时,其阻值降低,使高压能量消耗在压敏电阻上,若电流过大,F1、F2、F3 会烧毁保护后级威廉希尔官方网站 。
② 输入滤波威廉希尔官方网站 :C1、L1、C2、C3组成的双π型滤波网络主要是对输入电源的电磁噪声及杂波信号进行抑制,防止对电源干扰,同时也防止电源本身产生的高频杂波对电网干扰。当电源开启瞬间,要对 C5充电,由于瞬间电流大,加RT1(热敏电阻)就能有效的防止浪涌电流。因瞬时能量全消耗在RT1电阻上,一定时间后温度升高后RT1阻值减小(RT1 是负温系数元件),这时它消耗的能量非常小,后级威廉希尔官方网站 可正常工作。
③ 整流滤波威廉希尔官方网站 :交流电压经BRG1整流后,经C5滤波后得到较为纯净的直流电压。若C5容量变小,输出的交流纹波将增大。
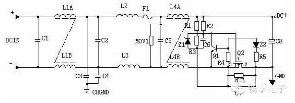
DC 输入滤波威廉希尔官方网站 原理:

① 输入滤波威廉希尔官方网站 :C1、L1、C2组成的双π型滤波网络主要是对输入电源的电磁噪声及杂波信号进行抑制,防止对电源干扰,同时也防止电源本身产生的高频杂波对电网干扰。C3、C4 为安规电容,L2、L3为差模电感。
② R1、R2、R3、Z1、C6、Q1、Z2、R4、R5、Q2、RT1、C7组成抗浪涌威廉希尔官方网站 。在起机的瞬间,由于 C6的存在Q2不导通,电流经RT1构成回路。当C6上的电压充至Z1的稳压值时Q2导通。如果C8漏电或后级威廉希尔官方网站 短路现象,在起机的瞬间电流在RT1上产生的压降增大,Q1导通使 Q2没有栅极电压不导通,RT1将会在很短的时间烧毁,以保护后级威廉希尔官方网站 。
功率变换威廉希尔官方网站
MOS管的工作原理:目前应用最广泛的绝缘栅场效应管是MOSFET(MOS管),是利用半导体表面的电声效应进行工作的。也称为表面场效应器件。由于它的栅极处于不导电状态,所以输入电阻可以大大提高,最高可达105欧姆,MOS管是利用栅源电压的大小,来改变半导体表面感生电荷的多少,从而控制漏极电流的大小。
工作原理:
R4、C3、R5、R6、C4、D1、D2组成缓冲器,和开关MOS管并接,使开关管电压应力减少,EMI减少,不发生二次击穿。在开关管Q1关断时,变压器的原边线圈易产生尖峰电压和尖峰电流,这些元件组合一起,能很好地吸收尖峰电压和电流。从 R3测得的电流峰值信号参与当前工作周波的占空比控制,因此是当前工作周波的电流限制。当R5上的电压达到1V时,UC3842($0.1656)停止工作,开关管Q1立即关断 。 R1和Q1中的结电容CGS、CGD一起组成RC网络,电容的充放电直接影响着开关管的开关速度。R1过小,易引起振荡,电磁干扰也会很大;R1过大,会降低开关管的开关速度。Z1通常将MOS管的GS电压限制在18V以下,从而保护了MOS管。 Q1的栅极受控电压为锯形波,当其占空比越大时,Q1导通时间越长,变压器所储存的能量也就越多;当Q1截止时,变压器通过D1、D2、R5、R4、C3 释放能量,同时也达到了磁场复位的目的,为变压器的下一次存储、传递能量做好了准备。IC根据输出电压和电流时刻调整着⑥脚锯形波占空比的大小,从而稳定了整机的输出电流和电压。 C4和R6为尖峰电压吸收回路。
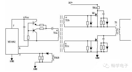
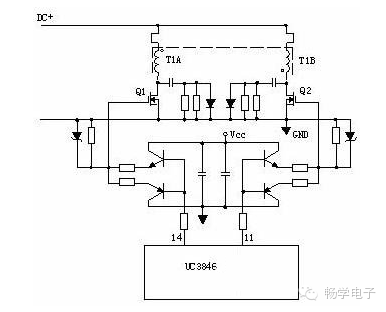
推挽式功率变换威廉希尔官方网站 :
Q1和Q2将轮流导通。

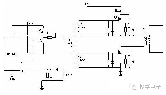
有驱动变压器的功率变换威廉希尔官方网站 :
T2为驱动变压器,T1为开关变压器,TR1为电流环。

输出整流滤波威廉希尔官方网站 :
正激式整流威廉希尔官方网站 :

T1为开关变压器,其初极和次极的相位同相。D1为整流二极管,D2为续流二极管,R1、C1、R2、C2为削尖峰威廉希尔官方网站 。L1为续流电感,C4、L2、C5组成π型滤波器。
反激式整流威廉希尔官方网站 :

T1为开关变压器,其初极和次极的相位相反。D1为整流二极管,R1、C1为削尖峰威廉希尔官方网站 。L1为续流电感,R2为假负载,C4、L2、C5组成π型滤波器。
同步整流威廉希尔官方网站 :

工作原理:当变压器次级上端为正时,电流经 C2、R5、R6、R7使Q2导通,威廉希尔官方网站 构成回路,Q2 为整流管。Q1栅极由于处于反偏而截止。当变压器次级下端为正时,电流经C3、R4、R2使 Q1导通,Q1为续流管。Q2栅极由于处于反偏而截止。L2为续流电感,C6、L1、C7组成π 型滤波器。R1、C1、R9、C4为削尖峰威廉希尔官方网站 。
工作原理:
R4、C3、R5、R6、C4、D1、D2组成缓冲器,和开关MOS管并接,使开关管电压应力减少,EMI减少,不发生二次击穿。在开关管Q1关断时,变压器的原边线圈易产生尖峰电压和尖峰电流,这些元件组合一起,能很好地吸收尖峰电压和电流。从 R3测得的电流峰值信号参与当前工作周波的占空比控制,因此是当前工作周波的电流限制。当R5上的电压达到1V时,UC3842停止工作,开关管Q1立即关断 。 R1和Q1中的结电容CGS、CGD一起组成RC网络,电容的充放电直接影响着开关管的开关速度。R1过小,易引起振荡,电磁干扰也会很大;R1过大,会降低开关管的开关速度。Z1通常将MOS管的GS电压限制在18V以下,从而保护了MOS管。 Q1的栅极受控电压为锯形波,当其占空比越大时,Q1导通时间越长,变压器所储存的能量也就越多;当Q1截止时,变压器通过D1、D2、R5、R4、C3 释放能量,同时也达到了磁场复位的目的,为变压器的下一次存储、传递能量做好了准备。IC根据输出电压和电流时刻调整着⑥脚锯形波占空比的大小,从而稳定了整机的输出电流和电压。 C4和R6为尖峰电压吸收回路。
推挽式功率变换威廉希尔官方网站 :
Q1和Q2将轮流导通。

有驱动变压器的功率变换威廉希尔官方网站 :
T2为驱动变压器,T1为开关变压器,TR1为电流环。

输出整流滤波威廉希尔官方网站 :
正激式整流威廉希尔官方网站 :

T1为开关变压器,其初极和次极的相位同相。D1为整流二极管,D2为续流二极管,R1、C1、R2、C2为削尖峰威廉希尔官方网站 。L1为续流电感,C4、L2、C5组成π型滤波器。
反激式整流威廉希尔官方网站 :

T1为开关变压器,其初极和次极的相位相反。D1为整流二极管,R1、C1为削尖峰威廉希尔官方网站 。L1为续流电感,R2为假负载,C4、L2、C5组成π型滤波器。
同步整流威廉希尔官方网站 :

工作原理:当变压器次级上端为正时,电流经 C2、R5、R6、R7使Q2导通,威廉希尔官方网站 构成回路,Q2 为整流管。Q1栅极由于处于反偏而截止。当变压器次级下端为正时,电流经C3、R4、R2使 Q1导通,Q1为续流管。Q2栅极由于处于反偏而截止。L2为续流电感,C6、L1、C7组成π 型滤波器。R1、C1、R9、C4为削尖峰威廉希尔官方网站 。
全部0条评论
快来发表一下你的评论吧 !