电子常识
MAX7219是一种高集成化的串行输入/输出共阴极显示驱动器,可实现微处理器与7段码的接口,可以显示8位或64位单一LED。芯片上包括BCD码译码器、多位扫描威廉希尔官方网站 、段驱动器、位驱动器、内含8&TImes;8位静态RAM,用于存放显示数据。只需外接一个电阻就可为所有的LED提供段电流。
MAX7219的三线串行接口适用于所有微处理器,单一位数据可被寻址和修正,无需重写整个显示器。MAX7219具有软件译码和硬件译码两种功能,软件译码是根据各段笔划与数据位的对应关系进行编码,硬件译码采用BCD码(简称B码)译码。MAX7219工作模式包括150μA低压电源关闭模式、模拟数字亮度控制、限扫寄存器(允许用户从第1位数字显示到第8位)及测试模式(点亮所有LED)。
MAX1279引脚排列如图1所示,

图1 MAX1279引脚排列图
DIN:串行数据输入端。当CLK为上升沿时,数据存入内部的16位寄存器
DOUT:串行数据输出端,用于级连扩展
LOAD:装载数据输入,在装载的上升沿,串行输入的最后一个16位数据被锁存。
CLK:串行时钟输入,其最大工作频率可达10MHz。时钟上升沿是数据输入,时钟下降时数据从串行数据输出口输出
DIG0~DIG7:8位LED位选线,从共阴极LED中吸入电流
SEGA~SEGGDP7段驱动和小数点驱动
ISET:通过一个10k电阻和Vcc相连,设置段电流
GND:地线
V+:电源

图2 MAX7219的功能框图
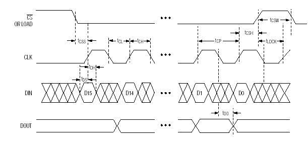
串行输入数据在时钟上升沿时移入内部的16位移位寄存器,在装载的上升沿时数据被锁存在每一位或寄存器中。装载信号必须在第16个时钟上升沿发生时或之后达到高电平,但要在下一个时钟的上升沿和数据丢失之前到达。串行输入数据通过移位寄存器传输,在以后数据输出的16.5个时钟循环出现,数据在时钟的下降沿记录下来。数据各位记录为D0~D15(如表2所列),D8~D11为移位寄存器地址,D0~D7为数据,D12~D15是无关位。第一位接收到的位是最高位D15。D7为数据最高有效位,D0为数据最低有效位。

MAX7219有14个可寻址的控制字寄存器(如表3),控制字寄存器由芯片的8&TImes;8双端口SRAM识别,SRAM直接寻址,这样单一的位能被更改或保留,条件是电源电压明显大于2V。控制字寄存器包括译码模式、显示强度、扫描限制(被扫描位的个数)、关闭模式、显示测试(点亮所有的LED)。另外还有一个空操作寄存器,该寄存器允许数据从DIN直送DOUT,在设备串接情况下,不会改变显示或影响任何控制寄存器。

图3 MAX7219内部的相关寄存器
(1)译码控制寄存器(X9H)
如图4所示,MAX7219有两种译码方式:B译码方式和不译码方式。当选择不译码时,8个数据为分别一一对应7个段和小数点位;B译码方式是BCD译码,直接送数据就可以显示。实际应用中可以按位设置选择B译码或是不译码方式。

图4 MAX7219的译码控制寄存器
当选择软件译码方式时,数据D7~D0对应的MAX7219码的各段笔划如表5所列。当工作于硬件(B码)译码模式时,译码器只选择数据寄存器中较低的几位(D3~D0),不考虑D4~D6位。D7位显示十进制小数点,独立于译码器,当D7=1时,十进制小数DP点亮。字符0~9对应的16进制码为&TImes;0~&TImes;9,字符-、E、H、L、P和消隐分别对应的16进制码为×A~×F。

(2)扫描界限寄存器(XBH)
如图5所示,此寄存器用于设置显示的LED的个数(1~8),比如当设置为0xX4时,LED0~5显示。

图5 MAX7219的扫描界限控制寄存器
(3)亮度控制寄存器(XAH)
共有16级可选择,用于设置LED的显示亮度,从0xX0~0xXF
(4)关断模式寄存器(XCH)
共有两种模式选择,一是关断状态,(最低位D0=0)一是正常工作状态(D0=1)。
(5)显示测试寄存器(XFH)
显示检测寄存器有两种操作模式:一般测试和显示测试。显示测试模式时所有的LED点亮,方法是将所有控制字寄存器(包括关闭寄存器)置成无效。在显示测试模式下扫描8位的串行接口8位LED显示驱动器MAX7219工作周期是31/32。正常测试的16进制码为×0,显示测试的16进制码为×1。
(6)空操作寄存器
空操作寄存器在MAX7219串接时使用,把所有芯片的LOAD端连在一起,并将DOUT连接到下一个MAX7219的DIN上。DOUT是CMOS输出,可以驱动后边的串接MAX7219。例如,4个MAX7219串联,然后写第4个片子,再送入设想的16位字,紧跟3个空操作码(×0××),当LOAD升高时,所有装置的数据被锁存,前3个芯片接到空操作命令,第4个芯片接到设想的数据。
MAX7129是SPI总线驱动方式。它不仅要向寄存器写入控制字,还需要读取相应寄存器的数据。
要想与MAX7129通信,首先要先了解MAX7129的控制字。MAX7129的控制字格式如图6。
图6 控制字(即地址及命令字节)
如图,工作时,MAX7219规定一次接收16位数据,在接收的16位数据中:D15~D12可以与操作无关,可以任意写入,D11~D8决定所选通的内部寄存器地址,D7~D0为待显示数据或是初始化控制字。在CLK脉冲作用下,DIN的数据以串行方式依次移入内部16位寄存器,然后在一个LOAD上升沿作用下,锁存到内部的寄存器中。注意在接收时,先接收最高位D16,最后是D0,因此,在程序发送时必须先送高位数据,在循环移位。工作时序图见图7。
由于51是8位单片机故需要分两次来送数据。具体操作见驱动程序详解。
图7 数据读写时序
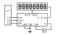
下图是MAX7219的一种典型应用威廉希尔官方网站 。

MAX7219的3线串行接口可方便地连接到各种通用的μP上,当其16位数据串行发送到DIN端后,该数据将在每个CLK的上升沿被移入内部16位移位寄存器中,然后在LOAD的上升沿锁存到数字或控制寄存器中。在强干扰环境下,如大功率电机的起停或高压发生过程中,干扰源可能通过供电电源或3根信号线串入显示威廉希尔官方网站 而造成显示器的不稳定,从而出现笔段跳跃、显示不全、甚至全暗或全亮的现象。为此,可通过在3根信号线上对地接入一个1000pF的瓷片电容来有效地滤除因空间干扰而引起的尖脉冲。
MAX7219通过V+和ISET之间所接的外部电阻(RSET)来控制亮度。通常来自驱动器的峰值电流为ISET的100倍,当RSET取最小值9.53kΩ时,段电流为37mA。在笔者的产品应用中,最初RSET取10kΩ电阻,当采用RC复位威廉希尔官方网站 时,显示正常;而采用MAX813L监控复位威廉希尔官方网站 时,在LED各段均亮时复位有效,从而使单片机系统无法工作。其原因在于MAX7219的各个数字驱动器的消耗功率太大,即选定的RSET太小而使峰值段电流增大,从而引起单片机系统的供电电压低于MAX813L的监控电压而使系统长期复位。后来将RSET换为30kΩ电阻后,显示威廉希尔官方网站 可正常工作。
为防止微机系统电源及其干扰源对显示威廉希尔官方网站 造成影响和避免上面所描述的问题,同时为了给显示威廉希尔官方网站 提供足够的电源功率,在实际设计中,应对显示威廉希尔官方网站 单独供电,并在MAX7219的电源(V+)与地(GND)间并接一个0.1μF去耦电容和一个10μF/16V电解电容,以有效提高其工作可靠性。
全部0条评论
快来发表一下你的评论吧 !