医疗电子
连接/参考器件
ADAS1000集成呼吸与脉搏检测的心电图(ECG)前端
ADP151超低噪声、200 mA CMOS线性稳压器
评估和设计支持
威廉希尔官方网站 评估板
评估板(EVAL-ADAS1000SDZ)
系统演示平台(EVAL-SDP-CB1Z)
设计和集成文件
原理图、布局文件、物料清单
威廉希尔官方网站 功能与优势
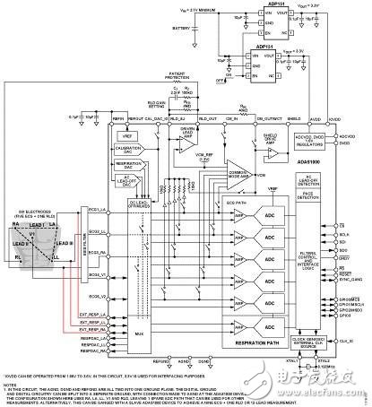
本威廉希尔官方网站 是高度集成的心电图(ECG)前端,用于电池供电式病人监护应用。图1显示典型5导联(4个肢体导联和1个心前胸导联)ECG测量系统物理连接的顶层框图,该系统集成了呼吸与脉搏检测功能。这种配置通常用于便携式遥测ECG测量或线路供电式床边仪器的最小导联设置。
在皮肤表面测量时,ECG信号幅度较小,通常为1 mV.有关病人的健康及其它参数的重要信息都蕴藏在那个小信号之中,因此要求器件具有μV级的测量灵敏度。就系统而言,许多医疗标准都要求最大噪声不超过30μV p-p;然而,设计人员通常把这一数值定的更低。因此,设计满足系统层面需求的解决方案时,必须考虑所有的噪声源。
ADAS1000的额定噪声性能针对多种不同的工作环境。电源须经过设计,确保不会降低整体性能。选择ADP151线性稳压器是由于它的超低噪声性能(9μV rms典型值,10 Hz至100 kHz),配合ADAS1000的电源抑制性能,可确保ADP151产生的噪声不影响整体噪声性能。

图1.用于典型4电极+ RLD或5导联配置的ADAS1000简化功能框图(未显示所有连接和去耦)
威廉希尔官方网站 描述
ADAS1000五电极ECG模拟前端(AFE)解决新一代低功耗、低噪声、高性能系留式和便携式ECG系统带来的挑战。
ADAS1000是一款高度集成的芯片,由五个电极输入和一个专用右腿驱动(RLD)输出参考电极组成,专为监控与诊断级ECG测量而设计。
除了支持监控ECG信号的基本元件,ADAS1000还配备了呼吸测量(胸阻抗测量)、起搏伪像检测、导联/电极连接状态以及内部校准等功能。
单个ADAS1000支持5个电极输入,轻松进行传统的6导联ECG测量。并联第二个ADAS1000从机设备便可将系统调节到真正的12导联测量(由9个电极和1个RLD组成),若加入多个从机设备(3个或更多),便可将系统调节到15导联测量甚至更多。
呼吸 ADAS1000集成用于在46 kHz至64 kHz的可编程频率下进行呼吸驱动的数模转换器(DAC),以及用于简化这一复杂测量过程的模数转换器(ADC)。测量信号经解调,转换为幅度和相位信息,可据此确定相应的呼吸信息,从而得到具体的线缆参数。本威廉希尔官方网站 使用内部电容时分辨率为200 mΩ,使用外部电容时具有较高的分辨率(《200 mΩ)。威廉希尔官方网站 具有灵活的开关方案,允许测量三个导联中的一个(I、II或III)。
起搏检测算法起搏检测算法在四根可能的导联线(I、II、III或aVF)中的三根上运行三个数字算法实例。它与内部抽取和滤波并行针对高频心电图数据运行。该算法设计用于检测并测量宽度范围从100 μs到2 ms、幅度从400 μV到1000 mV的起搏伪像。ADAS1000返回一个标志,用以表示是在一根还是多根导联线上检测到起搏信号,同时返回检测到信号的高度和宽度。当用户希望运行自己的数字起搏算法时,ADAS1000提供了一个高速起搏接口,以极快的数据速率(128 kHz)提供ECG数据,与此同时,标准接口上经过滤波和抽取的ECG数据保持不变。
低功耗 ADAS1000针对低功耗设计,仅需21 mW便可进行5个ECG电极的测量。若需进一步降低电池供电式动态心电和遥测仪等应用的整体功耗,所有未用到的通道和特性都可轻松禁用,以便进一步将单个ECG导联的功耗降低至11 mW.
全部0条评论
快来发表一下你的评论吧 !