电源/新能源
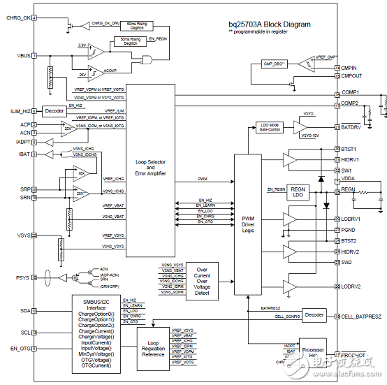
TI公司的bq25703A是带有系统电源监视器和处理器热监视器的I2C多种化学电池升压-降压充电控制器,具有低元件数量和高效率的优势,可从各种输入源对1-4颗电池充电,输入电压3.5V-24V,支持USB2.0, USB 3.0, USB 3.1 (Type C)和USB_PD输入电流设定,降压和升压工作无缝转换.输出电流高达6.35A,可编程开关频率800kHz或1.2MHz,充电电压±0.5%,输入/充电电流±2%,输入/充电电流监视±2%,电源监视±5%.主要用在无人机,蓝牙扬声器, IP照相机,可拆电源,平板电脑和电源组,工业和医疗设备和带可充电电池的手持设备.本文介绍了bq25703A主要特性,功能框图,典型应用威廉希尔官方网站
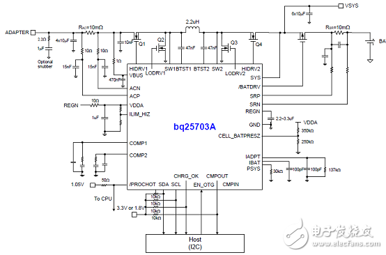
图以及评估模块bq2570x EVM (bq25700AEVM-732和bq25703AEVM-732)主要特性,威廉希尔官方网站
图,材料清单和PCB装配图.
The bq25703A is a synchronous NVDC battery buck-boost charge controller, offering low component count, high efficiency solution for space-constraint, multi-chemistry battery charging applications.
The NVDC-1 configuration allows the system to be regulated at battery voltage, but not drop below system minimum voltage. The system keeps operating even when the battery is completely discharged or removed. When load power exceeds input source rating, the battery goes into supplement mode and prevents the input source from being overloaded.
The bq25703A charges battery from a wide range of input sources including USB adapter, high voltage USB PD sources and traditional adapters.During power up, the charger sets converter to buck, boost or buck-boost configuration based on input source and battery conditions. The charger automatically transits among buck, boost and buck-boost configuration without host control.
In the absence of an input source, the bq25703A supports On-the-Go (OTG) function from 1- to 4-cell battery to generate 4.48 V to 20.8 V on VBUS. During OTG mode, the charger regulates output voltage and output current.
The bq25703A monitors adapter current, battery current and system power. The flexibly programmed PROCHOT output goes directly to CPU for throttle back when needed.
bq25703A主要特性:
Charge 1- to 4-Cell Battery From Wide Range of Input Sources
3.5-V to 24-V Input Operating Voltage
Supports USB2.0, USB 3.0, USB 3.1 (Type C), and USB_PD Input Current Settings
Seamless Transition Between Buck and Boost Operation
Input Current and Voltage Regulation (IDPM and VDPM) Against Source Overload
Power/Current Monitor for CPU Throttling
Comprehensive PROCHOT Profile, IMVP8 Compliant
Input and Battery Current Monitor
System Power Monitor, IMVP8 Compliant
Narrow-VDC (NVDC) Power Path Management
Instant-On With No Battery or Deeply Discharged Battery
Battery Supplements System When Adapter is Fully-Loaded
Ideal Diode Operation in Supplement Mode
Power Up USB Port From Battery (USB OTG)
Output 4.48-V to 20.8-V Compatible With USB PD
Output Current Limit up to 6.35 A
800-kHz or 1.2-MHz Programmable Switching frequency for 1-µH to 2.2-µH Low Profile Inductor
Host Control Interface for Flexible System Configuration
I2C (bq25703A) Port for Optimal System Performance and Status Reporting
Hardware Pin to Set Input Current Limit Without EC Control
High Accuracy Regulation and Monitor
±0.5% Charge Voltage Regulation
±2% Input/Charge Current Regulation
±2% Input/Charge Current Monitor
±5% Power Monitor
Safety
Thermal Shutdown
Input, System, Battery Overvoltage Protection
MOSFET Inductor Overcurrent Protection
Low Battery Quiescent Current
Input Current Optimizer (ICO) to Extract Max Input Power
Charge Any Battery Chemistry: Li+, LiFePO4, NiCd, NiMH, Lead Acid
Package: 32-Pin 4 × 4 WQFN
bq25703A应用:
• Drones, Bluetooth Speakers, IP Cameras,Detachable, and Tablet PCs and Power Bank
• Industrial and Medical Equipment
• Portable Equipment With Rechargeable Batteries


全部0条评论
快来发表一下你的评论吧 !