电源/新能源
实践证明,在很多应用中,经过适当滤波的开关转换器可以代替线性稳压器从而产生低噪声电源。哪怕在要求极低噪声电源的苛刻应用中,上游电源树的某个地方也有可能存在开关威廉希尔官方网站 。因此,有必要设计经过优化和阻尼处理的多级滤波器,来消除开关电源转换器的输出噪声。此外,了解滤波器设计如何影响开关电源转换器的补偿也很重要。
最近,开关电源几乎用于所有电子设备中。它们由于尺寸小、成本低和效率高而具有极高的价值。但是,它们最大的缺点就是高开关瞬态导致高输出噪声。这个缺点使它们无法用于以线性稳压器供电为主的高性能模拟威廉希尔官方网站 中。
本文示例威廉希尔官方网站 将采用升压转换器,但结果可以直接应用于任意DC-DC转换器。图1所示为升压转换器在恒定电流模式(CCM)下的基本波形。

图1. 升压转换器的基本电压和电流波形
输出滤波器对升压拓扑或其它任何带有断续电流模式的拓扑之所以重要,是因为它在开关B内电流具有快速上升和下降时间。这会导致激励开关、布局和输出电容中的寄生电感。其结果是,在实际使用中,输出波形看上去更像图2而非图1,哪怕布局布线良好并且使用陶瓷输出电容。

图2. DCM中升压转换器的典型测量波形
由于电容电荷的变化而导致的开关纹波(开关频率)相比输出开关的无阻尼振铃而言非常小,下文称为输出噪声。一般而言,此输出噪声范围为10 MHz至100 MHz以上,远超出大部分陶瓷输出电容的自谐振频率。因此,添加额外的电容对噪声衰减的作用不大。
还有很多各类滤波器适合对此输出滤波。本文将解释每一种滤波器,并给出设计的每一个步骤。文中的公式并不严谨,且做了一些合理的假设,以便一定程度上简化这些公式。仍然需要进行一些迭代,因为每一个元件都会影响其它元件的数值。ADIsimPower设计工具利用元件值(比如成本或尺寸)的线性化公式在实际选择元件前进行优化,然后从成千上万器件的数据库中选出实际元件后对其输出进行优化,从而避免了这个问题。但在刚开始进行设计时,这种程度的复杂性是没有必要的。通过提供的计算公式,使用SIMPLIS仿真器——比如免费的ADIsimPE™——或者在实验室工作台上花费一些时间,就能以最少的精力得到满意的设计。
开始设计滤波器前,考虑一下单级滤波器RC或LC滤波器可以做什么。通常采用二级滤波器可以合理地将纹波抑制到几百μV p-p范围内,并将开关噪声抑制在1 mV p-p 以下。降压转换器噪声较低,因为电源电感提供了很好的滤波能力。这些限制是因为,一旦纹波降低至μV级别,元件寄生和滤波器级之间的噪声耦合便开始成为限制因素。如果使用噪声更低的电源,则需添加三级滤波器。然而,开关电源的基准电压源一般不是噪声最低的元件,并且常常受到抖动噪声的影响。这些都导致了低频噪声(1 Hz至100 kHz),通常不易滤除。因此,对于极低噪声电源而言,使用单个二级滤波器然后在输出端添加一个LDO可能更合适。
在更详细地介绍各类滤波器的设计步骤前,部分在设计步骤中使用的各类滤波器的数值定义如下:
进入输出滤波器的峰峰值电流近似值。为方便计算,假定是正弦信号。数值取决于拓扑。对于降压转换器而言,它是电感中的峰峰值电流。对于升压转换器而言,它是开关B(通常是一个二极管)中的峰值电流。
转换器开关频率处的输出电压纹波近似值。
所选输出电容的ESR。
转换器开关频率。
输出电容的计算中,假定所有流入其中。
施加于输出时,的变化。
输出负载的瞬时变化。
转换器对于输出负载瞬时变化的近似响应时间。
转换器的交越频率。对于降压转换器而言,其值通常为对于升压或降压/升压转换器而言,它通常位于右半平面零点(RHPZ)约1/3位置处。
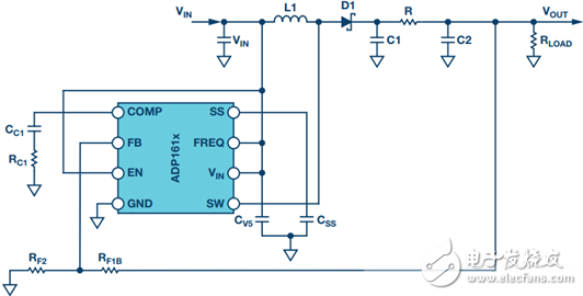
最简单的滤波器类型为RC滤波器,如图3中基于低电流ADP161x升压设计的输出端所连接的那样。该滤波器具有低成本优势,无需阻尼。但是,由于功耗的原因,它仅对极低输出电流转换器有用。本文假定陶瓷电容具有较低ESR。

图3. 在输出端添加RC滤波器的ADP161x低输出电流升压转换器设计
RC二级输出滤波器设计步骤
第1步:根据以下条件选择:假设的输出纹波近似值可以忽略其余滤波器;5 mV p-p至20 mV p-p就是一个很好的选择。随后可通过公式1计算得出。
第2步:R可以根据功耗选择。R必须远大于电容和这个滤波器才能起作用。这将输出电流的范围限制在50 mA以下。
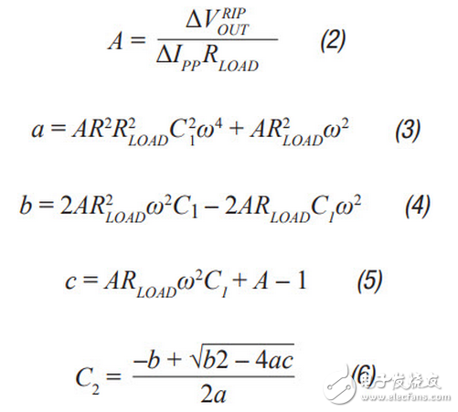
第3步:随后可通过公式2至公式6计算得出。A、a、b和c是简化计算的中间值,没有实际意义。这些公式假定且每个电容的ESR较小。这些都是很好的假设,引入的误差很小。应等于或大于。可调节第1步中的纹波,使其成为可能。

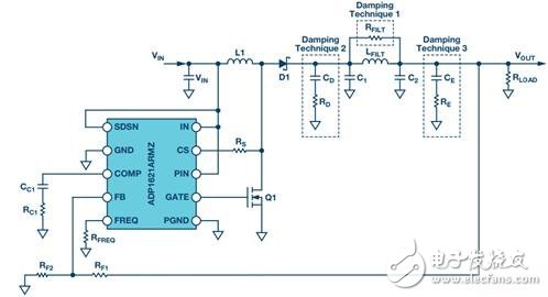
对于较高电流电源而言,将pi滤波器中的电阻以如图4中的电感代替是有好处的。这种配置提供了极佳的纹波和开关噪声抑制能力,并具有较低的功耗。问题在于,我们现在引入了一个额外的储能威廉希尔官方网站 ,它可能产生谐振。这就有可能导致振荡,使电源不稳定。因此,设计该滤波器的第一步是如何选择阻尼滤波器。图4显示了三种可行的阻尼技术。添加具有额外成本和尺寸增加较少的优势。阻尼电阻的损耗通常很少(甚至没有),哪怕大电源情况下都很小。缺点是,它会降低电感的并联阻抗,从而大幅降低滤波器的有效性。第二种技术的优势是滤波器性能最大化。如果需要采用全陶瓷设计,则可以是与陶瓷电容串联的分立式电阻。否则需使用具有高ESR且物理尺寸较大的电容。这个额外的电容会大幅增加设计的成本和尺寸。阻尼技术3看上去具有极大的优势,因为阻尼电容添加至输出端,它可能对瞬态响应和输出纹波性能有所助益。然而,这种技术成本最高,因为所需电容数量极大。此外,输出端相对而言较多的电容会降低滤波器谐振频率,进而减少转换器可实现的带宽——因此不建议使用第3种技术。对于ADIsimPower设计工具来说,我们采用第1种技术,因为它成本较低,且在自动化设计步骤中相对来说较为容易实现。

图4. 采用输出滤波器并突出多种不同阻尼技术的ADP1621
需注意的另一个问题是补偿。尽管这可能不符合直觉,但把滤波器放在反馈环路内部几乎一直都是更好的做法。这是因为,将其放在反馈环路内有助于在一定程度上抑制滤波器,消除直流负载偏移和滤波器的串联电阻,同时能提供更好的瞬态响应、更低的振铃。图5显示了一个升压转换器的波特图,其在输出端添加了LC滤波器输出。

图5. 输出端带LC滤波器的升压转换器
反馈在滤波器电感之前或之后获取。人们没有想到的是,哪怕滤波器不在反馈环路内部,开环波特图依然存在非常大的变化。由于控制环路无论滤波器是否在反馈环路中都会受影响,因此也应对其进行适当补偿。一般而言,这意味着将目标交越频率向下调整至不超过滤波器谐振频率的五分之一到十分之一。
这类滤波器的设计步骤本质上是一个迭代过程,因为每一个元件的选择都会影响其它元件的选择。
使用并联阻尼电阻的LC滤波器设计步骤(图4中的第1种技术)
第1步:选择,使其等于输出端没有输出滤波器时的情况。5 mV至20 mV p-p是一个很好的开端。随后可通过公式8计算得出。
第2步:选择电感根据经验,较好的数值范围为0.5 μF至2.2 μF。应按照高自谐振频率(SRF)来选择电感。较大的电感具有较大的SRF,这意味着它们的高频噪声滤波效率较差。较小的电感对纹波的影响没有那么大,需要更多电容。开关频率越高,电感值越小。比较电感值相同的两个电感时,SRF较高的器件具有较低的绕组间电容。绕组间电容用作滤波器周围的短路,作用于高频噪声。
第3步:如前所述,添加滤波器会影响转换器补偿,具体表现为降低可实现的交越频率(Fu)。根据公式7的计算,对于电流模式转换而言,可实现的最大Fu是开关频率的1/10以下,或者是滤波器的1/5以下。幸运的是,大部分模拟负载不需要太高的瞬态响应。公式9计算转换器输出所需的输出电容近似值以提供指定的瞬态电流阶跃。
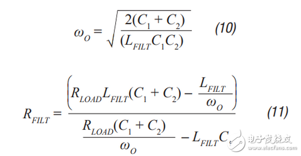
第5步:利用公式10和公式11计算阻尼滤波器电阻近似值。这些公式并非绝对精确,但它们是不使用泛代数的最接近的闭式解决方案。ADIsimPower设计工具通过计算转换器在滤波器和电感短路时的开环传递函数(OLTF)从而计算值为猜测值,直到滤波器仅为转换器OLTF以上10 dB时转换器OLTF的峰值(电感短路)。这种技术可用于ADIsimPE等仿真器中,或用于使用频谱分析仪的实验室中。

第6步:现在可以通过公式12至公式15计算得出。a、b、c和d用于简化公式16。

第7步:应重复第3步至第5步,直至计算出满足所需纹波和瞬态规格的优秀阻尼滤波器设计。应注意,这些公式忽略了滤波器电感的直流串联电阻对于较低的电源电流而言,该电阻可能非常大。它通过帮助抑制滤波器而改善了滤波器性能,增加了所需的同时也增加了滤波器阻抗。这两个效应都会极大地改善滤波器性能。因此,以中的少量功耗换来低噪声性能是很划算的,这样可以改善噪声性能。中的内核损耗还有助于衰减部分高频噪声。因此,高电流供电的铁磁芯是一个很好的选择。它们在电流能力相同的情况下尺寸更小、成本更低。当然,ADIsimPower具有滤波器电感电阻值以及两个电容的ESR值,可实现最高精度。
第8步:选择实际的元件来匹配计算值时,注意需对任意陶瓷电容进行降低额定值处理,以便将直流偏置纳入考量中!
如前文所述,图4给出了抑制滤波器的两种可行技术。如果未选择并联电阻,那么可以选择来抑制滤波器。这会增加一些成本,但相比其它任何技术它能提供最佳的滤波器性能。
使用RC阻尼网络的LC滤波器设计步骤(图4中的第2种技术)
第1步:正如之前的拓扑,选择,使其等于没有输出滤波器时的情况。10 mV p-p至100 mV p-p是个不错的开始,具体取决于最终目标输出纹波。随后可通过公式8计算得出。在这个拓扑中可以采用比之前拓扑更小的数值,因为滤波器效率更高。
第2步:在之前的拓扑中,选择数值为0.5 μH至2.2 μH的电感。对于500 kHz至1200 kHz的转换器而言,1 μH是一个很好的数值。
第3步:与前文相同,可以从公式16中选择,但应设为较大的值,比如1 MΩ,因为不会安装该元件。无论是否有额外 的电容,它的值不变的原因是,为了提供良好的阻尼,会足够大,以至于不会过多地降低纹波。将设为、计算得出的最小值。此时回到第1步并调节上的纹波会很有用,这样计算得到的近似等于。
第4步:的值应当等于。理论上,使用更大的电容可以实现滤波器的更多抑制,但它不必要地增加了成本和尺寸,并且会降低转换器带宽。
第5步:可以通过公式17计算得出。通过公式7计算得出,忽略。这是一个很好的近似,因为通常足够大,从而几乎不影响滤波器谐振位置。

第6步:现在,和都已算出,可以使用带有串联电阻的陶瓷电容,或者选择带有大ESR的钽电容或类似电容来满足计算得出的规格。
第7步:选择实际的元件来匹配计算值时,注意需对任意陶瓷电容进行降低额定值处理,以便将直流偏置纳入考量中!
另一种滤波器技术是以铁氧体磁珠代替之前滤波器中的L。但是,这种方案有很多缺点,它限制了开关噪声滤波的有效性,而对开关纹波几乎没有好处。首先是饱和。铁氧体磁珠将在极低的偏置电流电平处饱和,这意味着铁氧体会比所有数据手册中零偏置曲线所表示的都要低得多。它可能依然需要抑制,因为它仍然是一个电感,因此会跟随输出电感谐振。但现在电感是一个变量,而且以大部分数据手册所能提供的极少量数据进行极差的特性化。由于这个原因,不建议使用铁氧体磁珠作为二级滤波器,但可以用在下游以进一步降低极高的频率噪声。
结论
本文提供了多种开关电源输出滤波器技术。本文为每一个拓扑提供了逐步骤的设计过程,缩短猜测时间并减少滤波器设计中的检查。文中的公式都在一定程度上经过了简化,工程师可以通过了解二级输出滤波器可以达到的程度而实现快速设计。
全部0条评论
快来发表一下你的评论吧 !