MEMS/传感技术
基于CD4069DIY制作的感应测电笔其灵敏度比普通测电笔高,且能悬空测量导线是否带电,这是普通测电笔所不能做到的。
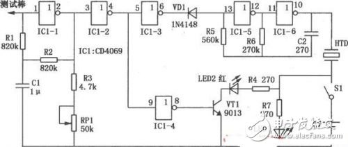
ICl为六反相器集成威廉希尔官方网站 CD4069,其反相器IC1-1及周围元件组成一个高输入阻抗、高增益的电压放大器。探针接收到微弱电场信号后,经该放大器放大输出,并通过反相器ICl-2整形去控制后级威廉希尔官方网站 。反相器ICl-5、IC1-6和电阻R5、R5及电容C2组成多谐振荡器,其工作受控于反相器ICl-3的工作状态。探针检测到信号时,ICl-3输出高电平,二极管VDl截止,振荡器工作,推动压电陶瓷片HTD发声。同时反相器ICl-4输出高电平,三极管VTl导通,红色发光二极管LED2点亮,表示被测导线带电。声光显示的灵敏度可通过调整电位器RPl使之合适,调节电容C2、电阻R5可以获得满意的音调。本威廉希尔官方网站 耗电甚微,可用两节纽扣电池供电。

全部0条评论
快来发表一下你的评论吧 !