开关电源威廉希尔官方网站
人们在开关电源技术领域是边开发相关电力电子器件,边开发开关变频技术,两者相互促进推动着开关电源每年以超过两位数字的增长率向着轻、小、薄、低噪声、高可靠、抗干扰的方向发展。这些优势在家用电器中尤其明显,催生了不少动手达人改造为开关电源的想法,首要任务,还是要从看懂开关电源威廉希尔官方网站 图开始。

开关电源的主要威廉希尔官方网站 是由输入电磁干扰滤波器(EMI)、整流滤波威廉希尔官方网站 、功率变换威廉希尔官方网站 、PWM控制器威廉希尔官方网站 、输出整流滤波威廉希尔官方网站 组成。辅助威廉希尔官方网站 有输入过欠压保护威廉希尔官方网站 、输出过欠压保护威廉希尔官方网站 、输出过流保护威廉希尔官方网站 、输出短路保护威廉希尔官方网站 等。

主威廉希尔官方网站
从交流电网输入、直流输出的全过程,包括:
1、输入滤波器:其作用是将电网存在的杂波过滤,同时也阻碍本机产生的杂波反馈到公共电网。
2、整流与滤波:将电网交流电源直接整流为较平滑的直流电,以供下一级变换。

3、逆变:将整流后的直流电变为高频交流电,这是高频开关电源的核心部分,频率越高,体积、重量与输出功率之比越小。
4、输出整流与滤波:根据负载需要,提供稳定可靠的直流电源。

控制威廉希尔官方网站
一方面从输出端取样,经与设定标准进行比较,然后去控制逆变器,改变其频率或脉宽,达到输出稳定,另一方面,根据测试威廉希尔官方网站 提供的资料,经保护威廉希尔官方网站 鉴别,提供控制威廉希尔官方网站 对整机进行各种保护措施。

检测威廉希尔官方网站
除了提供保护威廉希尔官方网站 中正在运行中各种参数外,还提供各种显示仪表资料。
辅助电源
提供所有单一威廉希尔官方网站 的不同要求电源。

开关K以一定的时间间隔重复地接通和断开,在开关K接通时,输入电源E通过开关K和滤波威廉希尔官方网站 提供给负载RL,在整个开关接通期间,电源E向负载提供能量;当开关K断开时,输入电源E便中断了能量的提供。可见,输入电源向负载提供能量是断续的,为使负载能得到连续的能量提供,开关稳压电源必须要有一套储能装置,在开关接通时将一部份能量储存起来,在开关断开时,向负载释放。

这是一种家用开关电源工作原理图解, 从交流电网输入、直流输出的全过程,输入滤波器:其作用是将电网存在的杂波过滤,同时也阻碍本机产生的杂波反馈到公共电网。 整流与滤波:将电网交流电源直接整流为较平滑的直流电,以供下一级变换。

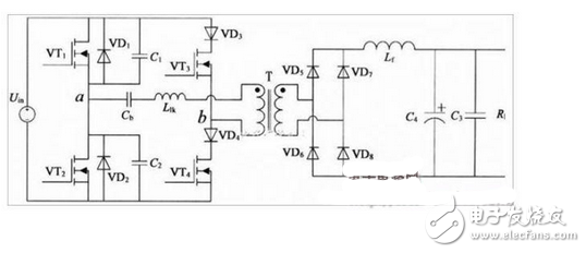
这款软开关电源采用了全桥变换器结构,使用MOSFET作为开关管来使用,参数为1000V/24A。采用移相ZVZCSPWM控制,即超前臂开关管实现 ZVS、滞后臂开关管实现ZCS。威廉希尔官方网站 结构简图如图1,VT1~VT4是全桥变换器的四只MOSFET开关管,VD1、VD2分别是超前臂开关管VT1、VT2的反并超快恢复二极管,C1、C2分别是为了实现VTl、VT2的ZVS设置的高频,VD3、VD4是反向电流阻断二极管,用来实现滞后臂 VT3、VT4的ZCS,Llk为变压器漏感,Cb为阻断电容,T为主变压器,副边由VD5~VD8构成的高频整流威廉希尔官方网站 以及Lf、C3、C4等滤波器件组成。

当开关管VT1、VT4或VT2、VT3同时导通时,威廉希尔官方网站
工作情况与全桥变换器的硬开关工作模式情况一样,主变压器原边向负载提供能量。通过移相控制,在 关断VT1时并不马上关断VT4,而是根据输出反馈信号决定移相角,经过一定时间后再关断VT4,在关断VT1之前,由于VT1导通,其并联电容C1上电 压等于VT1的导通压降,理想状况下其值为零,当关断VT1时刻,C1开始充电,由于电容电压不能突变,因此,VT1即是零电压关断。由于变压器漏感L1k以及副边整流滤波电感的作用,VT1关断后,原边电流不能突变,继续给Cb充电,同时C2也通过原边放电,当C2电压降到零后,VD2自然导通,这时开通VT2,则VT2即是零电压开通。当C1充满电、C2放电完毕后,由于VD2是导通的,此时加在变压器原边绕组和漏感上的电压为阻断电容Cb两端电压,原边电流开始减小,但继续给Cb充 电,直到原边电流为零,这时由于VD4的阻断作用,电容Cb不能通过VT2、VT4、VD4进行放电,Cb两端电压维持不变,这时流过VT4电流为零,关 断VT4即是零电流关断。
用UC3842做的开关电源的典型威廉希尔官方网站 见图1。过载和短路保护,一般是通过在开关管的源极串一个电阻(R4),把电流信号送到3842的第3脚来实现保护。

当电源过载时,3842保护动作,使占空比减小,输出电压降低,3842的供电电压Vaux也跟着降低,当低到3842不能工作时,整个威廉希尔官方网站 关闭,然后靠R1、R2开始下一次启动过程。这被称为“打嗝”式(hiccup)保护。在这种保护状态下,电源只工作几个开关周期,然后进入很长时间(几百ms到几s)的启动过程,平均功率很低,即使长时间输出短路也不会导致电源的损坏。
由于漏感等原因,有的开关电源在每个开关周期有很大的开关尖峰,即使在占空比很小时,辅助电压Vaux也不能降到足够低,所以一般在辅助电源的整流二极管上串一个电阻(R3),它和C1形成RC滤波,滤掉开通瞬间的尖峰。仔细调整这个电阻的数值,一般都可以达到满意的保护。使用这个威廉希尔官方网站 ,必须注意选取比较低的辅助电压Vaux,对3842一般为13~15V,使威廉希尔官方网站 容易保护。

图2、3、4是常见的威廉希尔官方网站 。图2采取拉低第1脚的方法关闭电源。图3采用断开振荡回路的方法。图4采取抬高第2脚,进而使第1脚降低的方法。在这3个威廉希尔官方网站 里R3电阻即使不要,仍能很好保护。注意威廉希尔官方网站 中C4的作用,电源正常启动,光耦是不通的,因此靠C4来使保护威廉希尔官方网站 延迟一段时间动作。在过载或短路保护时,它也起延时保护的左右。在灯泡、马达等启动电流大的场合,C4的取值也要大一点。


图1是使用最广泛的威廉希尔官方网站 ,然而它的保护威廉希尔官方网站 仍有几个问题:
1. 在批量生产时,由于元器件的差异,总会有一些电源不能很好保护,这时需要个别调整R3的数值,给生产造成麻烦;
2. 在输出电压较低时,如3.3V、5V,由于输出电流大,过载时输出电压下降不大,也很难调整R3到一个理想的数值;
3. 在正激应用时,辅助电压Vaux虽然也跟随输出变化,但跟输入电压HV的关系更大,也很难调整R3到一个理想的数值。
这时如果采用辅助威廉希尔官方网站 来实现保护关断,会达到更好的效果。辅助关断威廉希尔官方网站 的实现原理:在过载或短路时,输出电压降低,电压反馈的光耦不再导通,辅助关断威廉希尔官方网站 当检测到光耦不再导通时,延迟一段时间就动作,关闭电源。
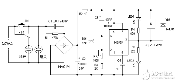
家用电器、照明灯等电源的开或关,常常需要在不同的时间延迟后进行,本电源插座即可满足这种不同的需要。
威廉希尔官方网站 如图所示,它由降压、整流、滤波及延时控制威廉希尔官方网站 等部分组成。 按下AN,12V工作电压加至延迟器上,这时NE555的②脚和⑥脚为高电平,则NE555的③脚输出为低电平,因此继电器K得电工作,触点K1-1向上吸合,这时“延关”插座得电,而“延开”插座无电。 这时电源通过电容器C3 、电位器RP、电阻器R3至“地”,对C3进行充电,随着C3上的电压升高,NE555的②、⑥脚的电压越来越往下降,当此电压下降至2/3Vcc 时,NE555的③脚输出由低电平跳变为高电平,这时继电器将失电而不工作,则其控制触点恢复原位,则“延关”插座失电,而“延开”插座得电。就这样满足了不同的需求,LED、LED2作相应的指示。

本威廉希尔官方网站 只要元器件是好的,装配无误,装好即可正常工作。
延时时间由C3及PR+R3的值决定,T≈1.1C3(PR+R3)。RP指有效部分。C3可用数十pF至1000μF的电容器,(PR+R3)的值可取2K~10MΩ。C1的耐压值应≥400V,R1的功率应≥2W,AN按钮开关可选用K-18型的,继电器的型号为JQX-13F-12V。其它元器件无特殊要求。
全部0条评论
快来发表一下你的评论吧 !