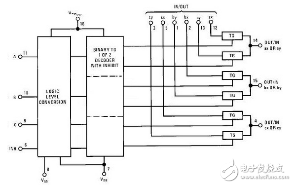
芯片引脚图
CD4053是三2通道数字控制模拟开关,有三个独立的数字控制输入端A、B、C和INH输入,具有低导通阻抗和低的截止漏电流。幅值为4.5~20V的数字信号可控制峰-峰值至20V的数字信号。例如若VDD=+5,VSS=0,VEE=-13.5V,则0~5V的数字信号可控制-13.5~4.5V的模拟信号。这些开关威廉希尔官方网站 在整个VDD-VSS和VDD-VEE电源范围内具有极低的静态功耗,与控制信号的逻辑状态无关。当INH输入端=“1”时,所有通道截止。控制输入为高电平时,“0”通道被选,反之,“1”通道被选。


(1)16引脚: 符号VDD,引脚功能是电源+
(2)8引脚:符号Vss,引脚功能是数字信号接地端
(3)7 引脚:符号VEE,引脚功能是模拟信号接地端
(4)6 引脚:符号INH,引脚功能是禁止端为零时,CMOS三组二路模拟开关CD4053BE工作,否则CMOS三组二路模拟开关CD4053BE被禁止。
(5)4 引脚:符号OUT/IN cx or cy ,引脚功能是公共输出/输入端cx 或 cy
(6)15 引脚:符号OUT/IN bx or by ,引脚功能是公共输出/输入端 bx 或 by
(7)14 引脚:符号OUT/IN ax or ay ,引脚功能是公共输出/输入端ax或ay
(8)9 、10、 11引脚: 符号c 、b、 a ,引脚功能是控制端当c b a分别为0 0 0时,“开”通道cx, bx, ax,这三个通道工作。 当c b a分别为0 0 1时,“开”通道cx, bx, ay当c b a分别为0 1 0时,“开”通道cx, by, ax当c b a分别为0 1 1时,“开”通道cx, by, ay当c b a分别为1 0 0时,“开”通道cy, bx, ax当c b a分别为1 0 1时,“开”通道cy, bx, ay当c b a分别为1 1 0时,“开”通道cy, by, ax当c b a分别为1 1 1时,“开”通道cy, by, ay(9)1、 2、 3 、5、 12 、13



cd4053典型应用威廉希尔官方网站
所谓模拟开关,实际上就是MOS管构成的传输门。模拟开关的电压电流关系具有电阻的性质,即电流趋于零时压降也趋于零。它类似于实际的开关,信号电流一定是从输入端流到输出端,信号是传过去的,而且模拟开关的信号传达方向可以是双向的。
如下图所示,输入模拟量A1与输入模拟量A2分别输入到CD4053的ax,ay,而CD4053的输出a连接到A/D转换器中,同时CD4053的A由单片机的P1.1控制管脚控制,根据CD4053输入输出状态的真值表得到,当P1.1=A=0时,a=ax;当P1.1=A=1时,a=ay。即当单片机P1.1=0时,单片机得到的是输入模拟量A1的转换数据;而当单片机P1.1=1时,单片机得到的是输入模拟量A2的转换数据。

同样,当实现更多通道的开关时,就需要应用模拟开关CD4053的B、C通道。如输入模拟量B1与输入模拟量B2分别输入到CD4053的bx,by,而CD4053的输出b连接到A/D转换器中,同时CD4053的B由单片机的P1.2控制管脚控制,根据CD4053输入输出状态的真值表得到,当P1.2=B=0时,b=bx;当P1.2=B=1时,b=by。即当单片机P1.2=0时,单片机得到的是输入模拟量B1的转换数据;而当单片机P1.2=1时,单片机得到的是输入模拟量B2的转换数据。模拟开关CD4053C通道的工作原理也是如此。
最后值得一提的是,当模拟开关CD4053需要控制模拟量为负数的导通与断开时,即输入模拟量为负数时,模拟开关CD4053的管脚7(VEE)必须连接到电源负电压(一般为-5V),只有这样,模拟开关CD4053的输出量才能与输入模拟量一样同为负数,否则其输出量会与输入模拟量不一致,这也就失去了模拟开关的作用。
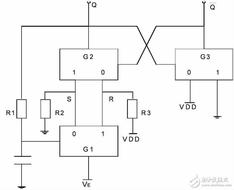
当机械开关工作时,其开关触点的闭合和张开,都会产生随机性的机械抖动,给威廉希尔官方网站 产生不希望的振荡脉冲和干扰,因此防抖动威廉希尔官方网站 得到普遍应用。如图下所示,防抖动威廉希尔官方网站 由1只CD4053、3只电阻器(R1~R3)和1只电容器C等构成。

CD4053中的3个模拟开关(G1~G3)都是双向单刀双掷模拟开关,用单电源电压VDD供电。模拟开关G3的1端作为输入端接地,0端也作为输入端接电源VDD,输出端Q相对于其控制端Q呈倒相门工作状态。同样模拟开关G2的1端作为输入端经电阻器R2接地,0端也作为输入端经电阻器R3接电源VDD,输出端Q相对于其控制端Q也呈倒相门工作状态。模拟开关G2、G3的输出端和控制端相互交连,构成了一个S---R双稳触发器,触发信号S和R分别设在模拟开关G2的1输入端和0输入端。模拟开关G1的公用端作为输入信号VI的输入端;0端作为触发信号S的输出端,连到模拟开关G2的1输入端;1端作为触发信号R的输出端,连到模拟开关G2的0输入端。模拟开关G2的输出端Q经电阻器R1和电容器C构成的积分器连到模拟开关G1的控制端A。
要选择电阻器R1~R3的参数使R1》》R2=R3》》RON,其中RON是模拟开关G2的导通电阻,约为300Ω;同时还要选择电容器C,使时间常数RIC足够大于输入信号VI边沿振荡的时间。
在加电的瞬间,输入信号VI=0,由于电容器C上的电压不能突变,故使模拟开关G1控制端A的电压VA=0,因此,模拟开关G1的0输出端S导通在输入端VI=0电位上,1输出端R经电阻器R3接电压VDD。此时SR=01,QQ=QQ,即S---R双稳触发器处于QQ=01或QQ=10的随机状态。假如S---R双稳触发器处于QQ=01的初始状态,则模拟开关G1的状态不再变化,模拟开关G2的状态也不再变化,S—R双稳触发器也就停留在QQ=01的初始状态。假如S---R双稳触发器处于QQ=10的初始状态,则G2开关的输出电压VQ=VDD要经过电阻器R1对电容器C开始充电,G1开关的模拟开关型防抖动威廉希尔官方网站 。
在DX中波发射机中,调制编码板是射频通路中实现幅度调制和功率控制的重要元件,它把A/D转换板传来的12比特数字音频信号转换成224个开通,关断控制信号。此外,提供功放柜内模块电缆连锁、风量温度检测、保险故障检测的功能。CD4053在此板上应用于B+/B一电源允许禁止威廉希尔官方网站 的U44。B+/B一电源提供工作电压给编码器输出驱动器;同时,B+/B一电源的异常会引起编码器电源故障而导致发射机关机。
B+/B一电源允许禁止威廉希尔官方网站 在发射机待机时使得编码输出驱动器停止工作,同时屏蔽了B+/B一电源的故障检测威廉希尔官方网站 。只有在接收到开机指令后B+/B一电源才提供工作电压给编码输出驱动器,根据12比特数字音频信号对射频模块进行开通或关断。

发射机待机时
从控制板传来的发射机开机允许信号为低电平,这个低电平信号通过J8—3接口进入调制编码板,经过测试开关s6的Nc结点使晶体管Q3截止。Q3集电极的+5VB电源通过电阻R164使晶体管O4基极为高电平,Q4饱和导通,B+稳压器U42输出电压为1.55V,则B+稳压电源不工作。同时,Q3基极的+5VB电源通过R139使模拟开关U44的3个输入端为高电平,此时开关A的A—AY接通,+5VB电源无法提供到保险丝检测威廉希尔官方网站 中。此时,开关B的B—BY接通,差分放大器U47—1输出端的调制B一驱动将接地,U45无输出。此时开关c的c—CY接通,通过开关C—CY、CR44和CR45给B+电源故障检测端U37—5和B一电源故障检测端U37—11送入+5VB,使这两个比较器失去作用,B+/B一电源故障检测威廉希尔官方网站 屏蔽。
发射机开机时
发射机开机情况下,开机允许信号TX—ON—ENABLE为高电平,通过J8—35接口进入调制编码板,s6的NC结点使Q3导通,Q4的基极为低电平,Q4截止。B+稳压器U42—3输出+7.2VDC提供给编码输出驱动器。B+稳压电源启动。此时U44的3个输入端为低电平,开关A的A—AX接通,+5VB电源通过A—AY通路提供给保险丝检测威廉希尔官方网站 ,保险丝检测功能启动。此时,开关B的B—BX接通,U47—1输出端的调制B一驱动正常输出,B一稳压器U45启动工作,在TP11处建立了一2.5VDC一一6.5VDC的B一电压,形成B一驱动电源。开关c的C—CX通路接通,使得B+电源故障检测端U37—5和B一电源故障检测端U37—11分别为稳压后的B+和B一电源电压,解除了B+/B一电源故障检测威廉希尔官方网站 的屏蔽。
用1只CD4053结合部分立分器件实现的脉冲分解器威廉希尔官方网站 示于图2(a)。在图2(a)中,G1~G3是CD4053中的3个单刀双掷双向模拟开关,0端和1端作为输人端,共用端作为输出端,注意G1、G2、G3控制端接点各不相同,它的1、0两个电平直接控制输出与输人1还是输人0接通。二极管D和电阻器R并联后再和电容器C串联,并接在输人脉冲信号A和地之间,形成1个正脉冲微分威廉希尔官方网站 ,将输人脉冲序列A变换成正尖脉冲序列Aio.Gi开关的0输人端接脉冲序列Ai,1输人端接电压Udd,输出端B经电容器C2连接在控制端。电阻器R2并联在控制端和地之间。G1开关和电阻器R2、电容器C2构成1个正脉冲触发并输出正脉冲的单稳触发器。它在脉冲序列A的触发下产生1个具有一定脉冲宽度的脉冲宽度的脉冲序列B。适当地选择电阻器RZ和电容器C2的参数,使脉冲序列B的脉冲宽度小于脉冲序列A中宽脉冲的宽度,大于脉冲序列A中窄脉冲的宽度。G2开关的0输人端接G开关的输出端B,1输人端接地,控制端接输人脉冲信号A.G3开关的0输人端接输人脉冲信号A,1输人端接地,控制端接G1开关的输出端B。图2(b)是图2(a)威廉希尔官方网站 的工作时序图。下面,结合图2(b)简单介绍图2(a)威廉希尔官方网站 的工作原理。

当输入脉冲信号A为0电位时,G1开关的0输入端是地电位,控制端也是地电位,G1开关的输出端B导通在0输入端的地电位。G2开关的0输入端和1输入端都是地电位,故输出端D导通在0输入端B的地电位。B端为地电位,也使G3开关的输出端E导通在0输入端输入信号A的0电位上。
每当输入脉冲信号A出现1个正脉冲时,经过电容器G1和电阻器Ri构成的正微分威廉希尔官方网站 在Ai点就会出现1个正尖脉冲,引起1个单稳延时过程。G1开关输出端B也随0输入端Ai信号上跳1个电位,经电容器C2耦合到控制端,继而使G1开关输出端B导通在1输入端的Udd电位。电压Udd开始经电阻器RZ对电容器C2充电,单稳态威廉希尔官方网站 进入暂稳态延时过程。随着Udd不断对电容器C2的充电,G1开关控制端的电压呈指数方式下降,等到降到转换开关电压Ut时,G1开关的输出端B又回到导通在0输入端的0电位。电容器C2经过G1开关的0输入端,电阻器R1和控制端内部保护威廉希尔官方网站 放电,直到放完。电阻器R1的参数要尽量选小些,以免过分影响放电。
当输入脉冲A刚进入高电位,G1开关的输出端B也刚进入高电位,这时G2开关的输出端D导通在1输入端的地电位,输出电位和初始状态一样。G3开关输出端E导通1输入端的地电位,输出和初始状态一样。假如当前输入脉冲A的脉冲宽度小于单稳延迟时间,则输入脉冲A先前于G1开关输出端B的脉冲回到0电位,从而使G2开关输出端D导通在0输入端B的高电位,G3开关的输出端E仍导通在1输入端的地电位,直到G1开关输出端B回到地电位,G2开关输出端D也随0输入端B回到地电位,开关G3的输出端E又导通在0输入端A的地电位,输出电位恢复到初始电位。假如当前输入脉冲A的脉冲宽度大于单稳延迟时间,则G1开关输出端B的脉冲先于当前脉冲A回到0电位。此时开关G2输出端D仍导通在1输入端的地电位,开关G3输出端E导通在0输入端输入信号A的高电位,直到输入信号A回到0电位,威廉希尔官方网站 又回到初始状态,即E端又导通在0输入端输入信号A的0电位,D端导通在0输入端B的0电位状态。所以D端和E端输出脉冲分别相应于输入脉冲序列A中的窄脉冲和宽脉冲。它们的逻辑表

全部0条评论
快来发表一下你的评论吧 !