电子技术
TI公司的DRV10987是50W 12V-24V三相无传感器BLDC马达驱动器,集成了功率MOSFET,提供连续驱动电流高达2A,马达工作电压6.2V-28V,集成了降压转换器5V/100mA,LDO 3.3V/20mA,主要用在空气净化器和加湿器,三向BLDC和PMSM马达,烘干循环风机,排水和水泵,台扇和吊扇.本文介绍了DRV10987主要特性,框图,应用威廉希尔官方网站
图以及评估模块DRV10987 EVM主要特性,威廉希尔官方网站
图,材料清单.
The DRV10987 device is a 3-phase sensorless 180°sinusodial motor driver with integrated powerMOSFETs, which can provide continuous drivecurrent up to 2 A. The device is specifically designedfor cost-sensitive, low-noise, low-external-componentcount fan and pump applications.™
The DRV10987 device delivers current to the motorwith supply voltage as low as 6.2 V. If the powersupply voltage is higher than 28 V, the device stopsdriving the motor and protects the DRV10987circuitry.
The DRV10987 device uses a proprietary sensorless control scheme to provide continuous sinusoidal drive,which significantly reduces the pure tone acoustics that typically occur as a result of commutation. The interfaceto the device is designed to be simple and flexible. The motor can be controlled directly through PWM, analog, orI2C inputs. Motor speed feedback is available through both the FG pin and the I2C interface simultaneously.
The DRV10987 device features an integrated buck regulator to step down the supply voltage efficiently to 5 V forpowering both internal and external circuits. The 3.3-V LDO also may be used to provide power for externalcircuits. The standby-mode (8.5 mA) version (DRV10987S) leaves the regulator running, and the sleep-mode (48μA) version (DRV10987D) shuts the regulator off. Throughout this data sheet, the DRV10987 part number isused for both devices, that is, DRV10987D (sleep version) and DRV10987S (standby version), except for specificdiscussions of sleep vs standby functionality.
An I2C interface allows the user to rEPROgram specific motor parameters in registers and to program theEEPROM to help optimize the performance for a given application. The DRV10987 device is available in athermally-efficient HTSSOP, 24-pin package with an exposed thermal pad. The operating ambient temperature isspecified from –40℃ to 125℃.
DRV10987主要特性:
1• Operation Voltage Range:
– Motor Operation, 6.2 V to 28 V
• Total Driver H + L rDS(on)
– 250 mΩ at TA = 25℃
• Drive Current: 2-A Continuous Winding Current(3-A Peak)
• Sensorless Sinusoidal 180° Commutation Scheme
• Configurable Output PWM Slew Rate andFrequency for EMI Management
• Initial Position-Detect Algorithm to Avoid Back-Spin During Start-Up
• No External Sense Resistor Required
• Flexible User Interface Options:
– I2C Interface: Access Registers for Commandand Feedback
– Dedicated SPEED Pin: Accepts Either Analogor PWM Input
– Dedicated FG Pin: Provides TACH Feedback
– Spin-Up Profile Can Be Customized WithEEPROM
– Forward-Reverse Control With DIR Pin
• Integrated Buck Converter, 5‑V, 100-mA
• Integrated LDO, 3.3‑V, 20-mA
• Standby Current, 8.5-mA
• Supply Current of 8.5 mA With Standby Version(DRV10987S)
• Supply Current of 48 μA With Sleep Version(DRV10987D)
• Protection Features
– Overcurrent Protection (Phase-to-Phase,Phase-to-GND and Phase-to-VCC Short
Circuits)
– Lock Detection to Detect Rotor Lock Condition
– Anti-Voltage Surge (AVS) Protection
– Undervoltae Lockout (UVLO)
– Overvoltage Protection
– Thermal Warning and Shutdown
• Thermally Enhanced Package
DRV10987应用:
• Pedestal and Ceiling Fans
• Air Purifiers and Humidifiers
• Dryer Circulation Fans
• Drain and Water Pumps
• Three-Phase BLDC and PMSM Motors

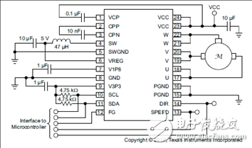
图1.DRV10987功能框图

图2.DRV10987典型应用威廉希尔官方网站
图
评估模块DRV10987 EVM
This user ’s guide provides complete details of the customer evaluation module (EVM) for the DRV10987device including hardware implementation, jumper configuration, and operating procedure to run 3-phaseBLDC motors. This EVM user’s guide is intended to be used with the DRV10987 Tuning Guide tooptimally tune a user motor.
The DRV10987 EVM is a complete solution for evaluating the DRV10987 12-V or 24-V, three-phasesensorless BLDC motor drivers. Device evaluation and configuration for specific applications is possiblewith the provided DRV10987 EVM GUI. This document describes the kit details and explains the functionsand locations of test points, jumpers, and connectors present on the kit. This document is also a quickstartguide for using the GUI to tune a motor for application. For detailed information about the operatingmodes of the DRV10987 device
全部0条评论
快来发表一下你的评论吧 !