汽车电子
TI公司的PMP11769是700W汽车D类音频放大器完整解决方案,包括两个D类放大器:向4欧姆负载提供2x175W和向2欧姆负载提供1x350W.输入电压9-16V,100kHz带宽,支持高分辨率音频文件和格式.本文介绍了PMP11769主要特性,威廉希尔官方网站 图,材料清单和PCB设计图.
The PMP11769 reference design is a complete solution for a 700W automotive audio amplifier. The boost converter provides 36.0V @ 10.0A continuous / 20.0A peak from an input voltage of 9 .. 16V. It contains two Class-D amplifiers which provide 2x 175W @ 4 Ohm load (left & right channel)and 1x 350W @ 2 Ohm(subwoofer).
PMP11769主要特性:
Easily integrated into automotive systems with 50V load dump and integrated protection system
Ultra-HD audio for best quality sound for any integrated Class-D amplifier
100kHz bandwidth, which enables support for high resolution audio files and formats
Low noise, which eliminates the "hiss" or "buzz" sounds
图1.PMP11769 700W汽车D类音频放大器外形图

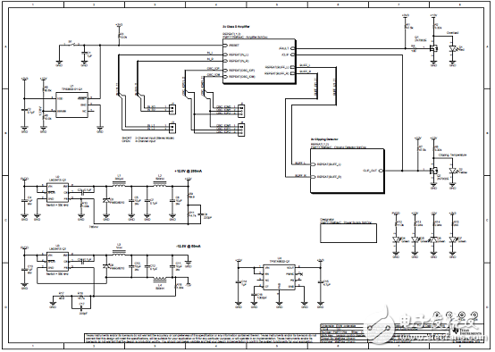
图2.PMP11769 700W汽车D类音频放大器参考设计威廉希尔官方网站 图(1)

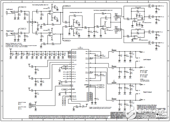
图3.PMP11769 700W汽车D类音频放大器参考设计威廉希尔官方网站 图(2)

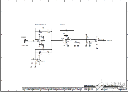
图4.PMP11769 700W汽车D类音频放大器参考设计威廉希尔官方网站 图(3)

图5.PMP11769 700W汽车D类音频放大器参考设计威廉希尔官方网站 图(4)
PMP11769 700W汽车D类音频放大器参考设计材料清单:







图6.PMP11769 700W汽车D类音频放大器参考设计PCB设计图(1)

图7.PMP11769 700W汽车D类音频放大器参考设计PCB设计图(2)

图8.PMP11769 700W汽车D类音频放大器参考设计PCB设计图(3)

图9.PMP11769 700W汽车D类音频放大器参考设计PCB设计图(4)
全部0条评论
快来发表一下你的评论吧 !