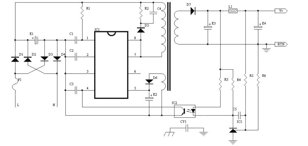
芯片引脚图
THX202H 采用专利技术防过载防饱和、能满足更高绿色环保标准的开关电源集成威廉希尔官方网站 。适用于手机充电器等小功率开关电源设备。
1、防过载防饱和专利技术设计,能及时防范过载、开关变压器饱和、输出短路等故障;
2、采用内置功率三极管为开关管;同时利用其放大作用完成启动,并将启动电阻的功耗减少 10 倍以上;
3、内置斜坡补偿威廉希尔官方网站 、热保护威廉希尔官方网站 、斜坡电流驱动威廉希尔官方网站 ;
4、宽压输出 5.5W,220Vac 输出 8W;无输出功耗可小于 0.25W。

管脚图:

上电后为启动阶段,此阶段,VR无输出,三极管Q2关断,FB上拉电流源关闭;外围威廉希尔官方网站 从OB输入小电流(约0.05~0.2mA)到高压功率管Q1基极,Q1集电极OC和发射极OE输入启动电流到VCC;OB内威廉希尔官方网站 控制Q1基极电流,限制Q1集电极OC电流(即THX202H启动接受电流,约2mA),从而保证了Q1的安全;在VCC电压上升到8.8V,启动阶段结束,进入正常阶段。
正常阶段,VCC电压应保持在4.75~9.8V,VR输出2.5V基准;FB上拉电流源开启;振荡器输出OSC1决定最大占空比,输出OSC2试图触发电源进入开周期、及屏蔽功率管开启电流峰;若FB小于1.8V(约在1.2-1.8V之间)后,FB越小振荡器周期越宽、直至振荡器停振(此特性降低了开关电源的待机功耗);若外围反馈试图使VCC大于9.8V,则内威廉希尔官方网站 反馈到FB使VCC稳压在9.8V(利用此特性可以不采用外围反馈威廉希尔官方网站 ,由内威廉希尔官方网站 稳定输出电压,但稳压精度较低);开周期,Q1基极开电流,Q2下拉Q1发射极到IS,而且采用斜坡电流驱动(指Q1基极开电流是IS的函数,当IS=0V时开电流约24mA,然后开电流随IS线性增加,当IS增加到0.6V时开电流约40mA,此特性有效地利用了开电流,降低了THX202H的功耗),若IS检测到FB指定电流则进入关周期;关周期,Q1基极下拉,Q1不会立即关断,但OE箝位1.5V(Q1关断后基极反向偏置,提高了Q1的耐压);在开或关周期,如检测到Q1超上限电流,则上限电流触发器优先置位,强制FB下降,占空比变小,从而保护Q1和变压器;在下一个关周期开始沿或FB小于1.8V,上限电流触发器复位。另外,THX202H内置热保护,在内温度高于125℃后调宽振荡器的周期,使THX202H温度不超过135℃。内置斜坡补偿,在THX202H大占空比或连续电流模式时能稳定开/关周期。
若VCC降到4.4V左右,振荡器关闭,OSC1、OSC2低电平,电源保持关周期;VCC继续下降到3.8V左右,THX202H重新进入启动阶段。


启动接受电流:启动阶段OB开始有0.1mA下拉电流时OE点电流。
启动静态电流:VCC接滤波电容和可调电流源,CT接330PF,其它引脚悬空,能使VCC振荡时(即能完成THX202H启动的)最小电流源电流。
启动电压:上述VCC振荡的最大VCC值。
再启动电压:上述VCC振荡的最小VCC值。
振荡器关闭电压:上述VCC振荡下降沿,使振荡器停振的VCC值。
静态电流:正常阶段,FB由1.8K电阻接地,VCC电源电流。z振荡器上拉/下拉电流:正常阶段,FB=2.5V,CT=1.25V,CT处上拉/下拉电流。

FB 上拉电流:正常阶段,FB=2.5V,Ioc=0A 时,FB 处上拉电流。
FB 防上限电流:正常阶段,FB=6V,Ioc=0.3A,FB 处下拉电流。
内反馈电源电压:无外围待机反馈威廉希尔官方网站 的 THX202H 电源,正常阶段时 VCC 值。
OC 上限电流:FB=6V,FB 处有下拉电流的最小 OC 电流。
振荡器周期:是 CT 外接电容 CT 的函数,约 CT*48000 秒。


反激式电流控制型开关电源设计,不连续电流工作模式;
电源启动电流选择0.5-2mA,功率管Q1放大倍数可按10计算,则启动电阻(如图3的R2)选择应保证电源启动时功率管基极电流为0.05-0.2mA,因此,可10倍减少启动电阻的功耗,降低了待机功耗;
图3中C3=330pF,最高工作频率约66KHz;
开关变压器(图3的T1),参考绕组整流输出4.8~9.2V(推荐6V)为THX202H提供工作电源;
开关变压器初级峰值电流最大值为0.3A,在宽压或110Vac、80V退磁电压,则最大输出功率可达5.5W以上;
THX202H的OC(7,8脚)高压,而OE(6脚,测试用)无连接,因此可容易在PCB板THX202H的6、7脚间开分割槽来满足安规要求;
尽管THX202有热保护,但在需要较高输出功率时,如不考虑THX202H的PCB板散热,则可能会降低输出功率和输出电压。
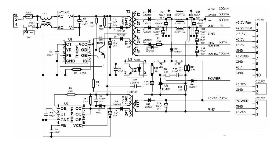
图3,虚线内为两组可选输出电压基准,选择TL431(U2、R5、R6、R7、R8、R9、C9)基准精度较高和无需调校;选择稳压管(Z1、RZ)基准精度较低、但成本更低,调校RZ可采用成批稳压管分为几档,每档稳压管对应一个RZ。

利用THX202可以容易的实现一个反激开关电源的应用,其待机功耗低于(0.25W。THX202用于反激式变换器的典型应用如下图所示:

今天给大家介绍的是有独立待机的DVD或机顶盒等电源;采用THX202H作待机电源,THX201作主电源。待机时,POWER低电平,光耦U3饱和使U1.FB、U1.TC和U1.OB低电平,主电源关闭,但U1由R4提供电源电流,U1为保持状态;主电源工作时,POWER高电平,由于R4提供电源电流较小,U1.THX201的各种保护功能依然有效。由于待机电源要求输出电流较小,因此无需采用光耦反馈威廉希尔官方网站 就能使+5Vsb达到要求。

thx202h相关文章:thx202h应用威廉希尔官方网站 图大全(四款电源威廉希尔官方网站 /开关电源适配器/控制型开关电源)
thx202h相关下载:THX202H中文资料,pdf
全部0条评论
快来发表一下你的评论吧 !