汽车电子
Renesas公司的RZ-A1L系列(R7S721020)是基于ARM Cortex-A9内核的单片MCU,集成了配置一个系统所需的外设,如3MB RAM,多功能不定时器,OS定时器,实时时钟,带FIFO的串行通信接口, 串行通信接口,I2C总线接口,串行声接口,媒体本地总线, SCUX, CAN接口, IEBus控制器, Renesas SPDIF 接口,CD-ROM译码器,ADC,SPI多I/O总线控制器,LIN接口,以太网控制器,USB 2.0,视频显示控制器,SD主接口,MMC主接口,中断控制器模块,捕获引擎单元和通用I/O端口等.CPU工作频率高达400MHz,主要用在家用电器,工业设备,建筑维护系统,电网,汽车以及交通设施.本文介绍了RZ/A1L系列产品主要特性,框图, RZ/A1H系列RSK入门评估板主要特性,框图,威廉希尔官方网站
图和PCB元件布局图.
This LSI is a single-chip microcontroller that includes an ARM Cortex™-A9 processor along with the integrated peripheral functions required to configure a system.
This LSI includes a 32-Kbyte L1 instruction cache, a 32-Kbyte L1 data cache, and a 128-Kbyte L2 cache. This LSI also includes on-chip peripheral functions necessary for system configuration, such as a 3-Mbyte large-capacity RAM (128 Kbytes are shared by the data-retention RAM), data-retention RAM, multi-function timer pulse unit 2, OS timer, realtime clock, serial communication interface with FIFO, serial communication interface, I2C bus interface, serial sound interface, media local bus, SCUX, CAN interface, IEBus™* controller, Renesas SPDIF interface, Renesas serial peripheral interface, SPI multi I/O bus controller, CD-ROM decoder, A/D converter, LIN interface, Ethernet controller, USB 2.0 host/function, video display controller 5, capture engine unit, SD host interface, MMC host interface, interrupt controller modules, and general I/O ports.







图1. RZ/A1L系列框图
Renesas microcontroller programming
User code debugging
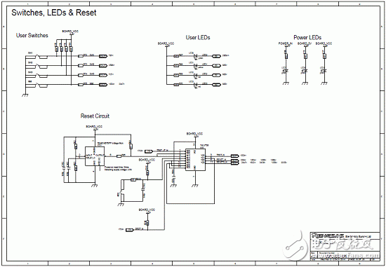
User circuitry such as switches, LEDs and a potentiometer
Sample application
Sample peripheral device initialisation code
This RSK+ is supplied with a SEGGER JLink-Lite debugger. This board is supplied with a 5Vdc supply using a 5.0mm barrel power jack. The board can operate with a supply of up to 12Vdc if required.

图2. RZ/A1H系列RSK入门评估板外形图

图3. RZ/A1H系列RSK入门评估板元件分布图

图4. RZ/A1H系列RSK入门评估板顶层元件布局图

图5. RZ/A1H系列RSK入门评估板底层元件布局图

图6. RZ/A1H系列RSK入门评估板框图

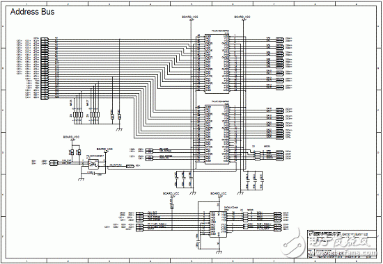
图7. RZ/A1H系列RSK入门评估板威廉希尔官方网站
图(1)

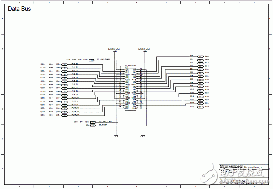
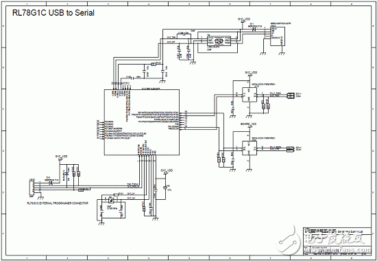
图8. RZ/A1H系列RSK入门评估板威廉希尔官方网站
图(2)

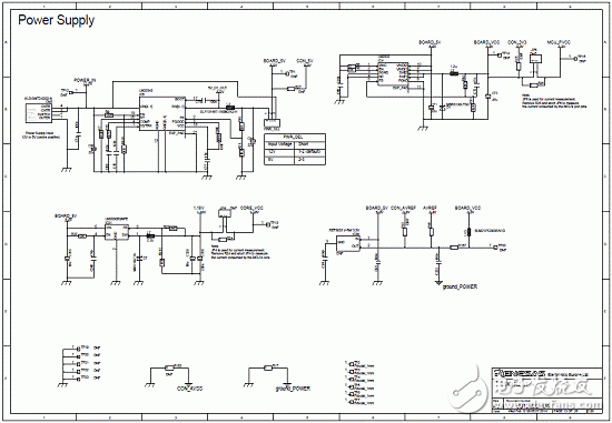
图9. RZ/A1H系列RSK入门评估板威廉希尔官方网站
图(3)

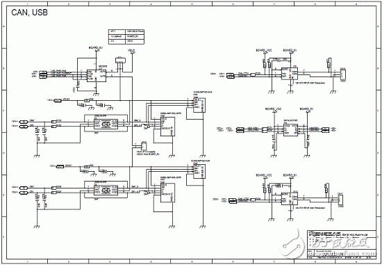
图10. RZ/A1H系列RSK入门评估板威廉希尔官方网站
图(4)

图11. RZ/A1H系列RSK入门评估板威廉希尔官方网站
图(5)

图12. RZ/A1H系列RSK入门评估板威廉希尔官方网站
图(6)

图13. RZ/A1H系列RSK入门评估板威廉希尔官方网站
图(7)

图14. RZ/A1H系列RSK入门评估板威廉希尔官方网站
图(8)

图15. RZ/A1H系列RSK入门评估板威廉希尔官方网站
图(9)

图16. RZ/A1H系列RSK入门评估板威廉希尔官方网站
图(10)

图17. RZ/A1H系列RSK入门评估板威廉希尔官方网站
图(11)

图18. RZ/A1H系列RSK入门评估板威廉希尔官方网站
图(12)

图19. RZ/A1H系列RSK入门评估板威廉希尔官方网站
图(13)

图20. RZ/A1H系列RSK入门评估板威廉希尔官方网站
图(14)

图21. RZ/A1H系列RSK入门评估板威廉希尔官方网站
图(15)

图22. RZ/A1H系列RSK入门评估板威廉希尔官方网站
图(16)

图23. RZ/A1H系列RSK入门评估板威廉希尔官方网站
图(17)

图24. RZ/A1H系列RSK入门评估板威廉希尔官方网站
图(18)

图25. RZ/A1H系列RSK入门评估板威廉希尔官方网站
图(19)

图26. RZ/A1H系列RSK入门评估板威廉希尔官方网站
图(20)

图27. RZ/A1H系列RSK入门评估板威廉希尔官方网站
图(21)

图28. RZ/A1H系列RSK入门评估板威廉希尔官方网站
图(22)

图29. RZ/A1H系列RSK入门评估板威廉希尔官方网站
图(23)

图30. RZ/A1H系列RSK入门评估板威廉希尔官方网站
图(24)

图31. RZ/A1H系列RSK入门评估板威廉希尔官方网站
图(25)
全部0条评论
快来发表一下你的评论吧 !