LED照明
cypress公司的S6AL211是用于智能照明的四路LED驱动器,为商业照明,住宅照明和其它照明系统提供最优化的解决方案。输入电压VIN DC 24V,输出功率72W,效率大于 94 %.器件可依靠通信以及各种感应器来对应调光和调色,削减BOM 成本。本文介绍了S6AL211主要特性,框图和应用框图和威廉希尔官方网站 ,以及40W智能LED 驱动板S6SAL211A94SA1001主要指标,威廉希尔官方网站 图,材料清单和PCB设计图。
There are possible to the light dimming and tune colors control of 4 ch. LED strings. This device can be dimming and toning for 4 ch.LEDs. The dimming and color control is corresponded to communication interfaces and sensors. Through it can use for not only thegeneral lighting but also office, shop and residence lighting control systems. Moreover, S6AL211 series integrate a 3V-LDO regulatorcircuit for supplying the power to the peripheral circuits. It contributes to the BOM cost reduction. S6AL211 series can offer the bestsolution according to your usage.
S6AL211主要特性:
Control of up to 4 channels LED strings (such as Red, Green, Blue, White or White×4 etc.)
Input voltage range VIN: DC 24 V (Absolute Maximum rating: 35 V)
Output power range: 72 W (1A/18 V at LED Vf 3.6 V(typ)×5 / 1 ch. )
LED brightness control method: LED current control and LED ON/OFF PWM control
LED constant current control method: Based on Buck DC/DC converter
High efficiency 》 94 % (Dimming type B,C at 4 ch. 100 % brightness, Typ-sample)
Communication interfaces: DALI, External module of Bluetooth® (UART)
Integrates 3V-LDO regulator circuit for supplying the power to the peripheral circuits
Protection functions
Output signal of IC protection status
Low input voltage protection
Output over current protection, etc.
Small package: 48-pin, LQFP (7.0 mm × 7.0 mm× 1.7 mm [Max])
S6AL211应用:
Commercial lightings such as office, shop and so on
Residential lighting such as down-light, ceiling-light
Street light, Sensor light
Illumination
etc.
Supported to the standards:
Japanese Electrical Appliances and Materials Safety Law (PSE)
Japanese lamp industrial standard (JEL)

图1.S6AL211简化框图(样本1)

图2.S6AL211简化框图(样本2)

图3.S6AL211简化框图(样本3)

图4.S6AL211框图

图5.S6AL211办公室基本照明系统:DALI,C型调光,VIN=24V

图6.S6AL211消费类下射式照明系统:UART,C型调光,VIN=24V
40W智能LED 驱动板S6SAL211A94SA1001
40W智能LED 驱动板主要指标:

图7.40W智能LED 驱动板外形图

图8.40W智能LED 驱动板连接图

图9.40W智能LED 驱动板和LED连接图

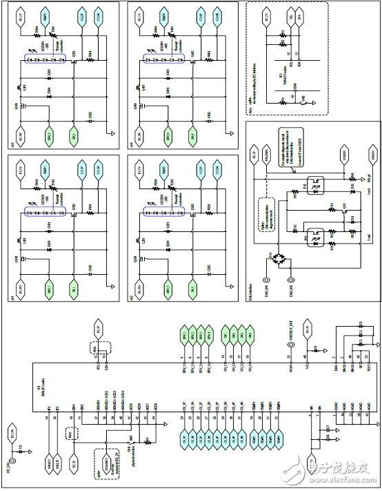
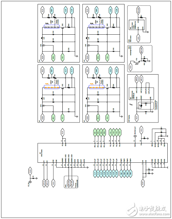
图10.40W智能LED 驱动板威廉希尔官方网站 图(1)

图11.40W智能LED 驱动板威廉希尔官方网站 图(2)

图12.40W智能LED 驱动板威廉希尔官方网站 图(3)
40W智能LED 驱动板材料清单:




图13.40W智能LED 驱动板PCB设计图(1):元件布局

图14.40W智能LED 驱动板PCB设计图(2):铜线布局
详情请见:
和
以及
002-08453_S6AL211_Series_ASSP_4ch._LED_Driver_IC_for_Intelligent_Lighting.pdf
002-08455_S6AL211_Series_ASSP_4ch._LED_Driver_IC_for_Intelligent_Lighting_Chinese.pdf
S6SAL211A94SA1001_Intelligent_LED_Lighting_Starter_Kit.pdf
全部0条评论
快来发表一下你的评论吧 !