控制/MCU
Microchip公司的ATmega3208/3209/4808/4809是采用AVR®处理器的megaAVR® 0系列MCU,具有工作高达20MHz的硬件乘法器,以及高达48KB闪存储器,6KB SRAM和256B EEPROM,采用最新的技术和灵活的低功率架构,包括事件系统和SleepWalking,精密模拟特性和先进的外设,采用28,32或48引脚封装,主要用在工业,医疗,家庭自动化和物联网(IoT)应用。本文介绍了ATmega3208/3209/4808/4809主要特性, 框图以及开发板AVR-IoT WG主要特性,威廉希尔官方网站 图PCB设计图和材料清单。
The ATmega3208/3209/4808/4809 microcontrollers of the megaAVR® 0-series are using the AVR®processor with hardware multiplier, running at up to 20 MHz, with a wide range of Flash sizes up to 48 KB, up to 6 KB of SRAM, and 256 bytes of EEPROM in 28-, 32-, or 48-pin package. The series uses the latest technologies from Microchip with a flexible and low-power architecture including Event System and SleepWalking, accurate analog features and advanced peripherals.
The devices described here offer Flash sizes from 32 KB to 48 KB in a 32-pin package.
ATmega3208/3209/4808/4809主要特性:
• AVR® CPU
– Single-cycle I/O access
– Two-level interrupt controller
– Two-cycle hardware multiplier
• Memories
– Up to 48 KB In-system self-programmable Flash memory
– 256B EEPROM
– Up to 6 KB SRAM
– Write/Erase endurance:
• Flash 10,000 cycles
• EEPROM 100,000 cycles
– Data retention: 20 Years at 85°C
• System
– Power-on Reset (POR) circuit
– Brown-out Detection (BOD)
– Clock options:
• 20 MHz low power internal oscillator with fuse-protected frequency setting
• 32.768 kHz Ultra Low Power (ULP) internal oscillator
• 32.768 kHz external crystal oscillator
• External clock input
– Single pin Unified Program Debug Interface (UPDI)
– Three sleep modes:
• Idle with all peripherals running and mode for immediate wake-up time
• Standby
– Configurable operation of selected peripherals
– SleepWalking peripherals
• Power Down with limited wake-up functionality
• Peripherals
– One 16-bit Timer/Counter type A with dedicated period register, three compare channels (TCA)
– Three 16-bit Timer/Counter type B with input capture (TCB)
– One 16-bit Real Time Counter (RTC) running from external crystal or internal RC oscillator
– Three USART with fractional baud rate generator, autobaud, and start-of-frame detection
– Master/slave Serial Peripheral Interface (SPI)
– Dual mode Master/Slave TWI with dual address match
• Standard mode (Sm, 100 kHz)
• Fast mode (Fm, 400 kHz)
• Fast mode plus (Fm+, 1 MHz)
– Event System for CPU independent and predictable inter-peripheral signaling
– Configurable Custom Logic (CCL) with up to four programmable Lookup Tables (LUT)
– One Analog Comparator (AC) with scalable reference input
– One 10-bit 150 ksps Analog to Digital Converter (ADC)
– Five selectable internal voltage references: 0.55V, 1.1V, 1.5V, 2.5V, and 4.3V
– CRC code memory scan hardware
• Optional automatic scan after reset
– Watchdog Timer (WDT) with Window Mode, with separate on-chip oscillator
– External interrupt on all general purpose pins
• I/O and Packages:
– 27 programmable I/O lines
– 32-pin VQFN 5x5 and TQFP 7x7
• Temperature Range: -40°C to 125°C
• Speed Grades:
– 0-5 MHz @ 1.8V – 5.5V
– 0-10 MHz @ 2.7V – 5.5V
– 0-20 MHz @ 4.5V – 5.5V, -40°C to 105°C

图1. ATmega3208/3209/4808/4809框图
开发板AVR-IoT WG
The AVR-IoT WG development board is a small and easily expandable demonstration and development platform for IoT solutions, based on the AVR® microcontroller architecture using Wi-Fi® technology. It was designed to demonstrate that the design of a typical IoT application can be simplified by partitioning the problem into three blocks:
• Smart - represented by the ATmega4808 microcontroller
• Secure - represented by the ATECC608A secure element
• Connected - represented by the WINC1510 Wi-Fi controller module
The AVR-IoT WG development board features a USB interface chip Nano Embedded Debugger (nEDBG) that provides access to a serial port interface (serial to USB bridge), a mass storage interface for easy ‘drag and drop’ programming, configuration and full access to the AVR microcontroller UPDI interface for programming and debugging directly from Microchip MPLAB® X IDE and the Atmel® Studio 7.0 IDE. The AVR-IoT WG development board comes preprogrammed and configured for demonstrating connectivity
to the Google Cloud IoT Core.
开发板AVR-IoT WG 主要特性:
• A light sensor
• A high-accuracy temperature sensor - MCP9808
Additionally, a mikroBUS™ connector is provided to expand the board capabilities with 450+ sensors and actuators offered by MikroElektronika () via a growing portfolio of Click boards™。
图2. 开发板AVR-IoT WG 外形图
图3. 开发板AVR-IoT WG 布局图
The AVR-IoT WG development board combines a powerful 8-bit ATmega4808 MCU, an ATECC608A CryptoAuthentication™ secure element IC and the fully certified ATWINC1510 Wi-Fi® network controller - which provides the most simple and effective way to connect your embedded application to Google’s Cloud IoT core platform. The board also includes an on-board debugger, and requires no external hardware to program and debug the MCU.

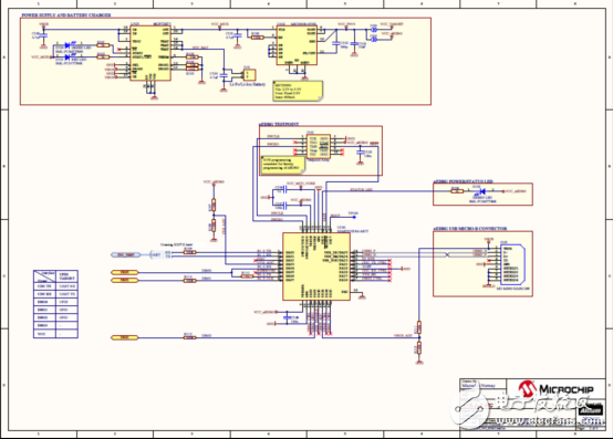
图4. 开发板AVR-IoT WG 威廉希尔官方网站 图(1)

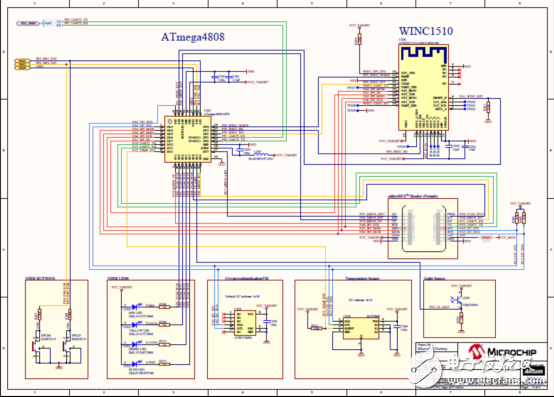
图5. 开发板AVR-IoT WG 威廉希尔官方网站 图(2)

图6. 开发板AVR-IoT WG 威廉希尔官方网站 图(3)

图7. 开发板AVR-IoT WG PCB设计图(1)

图8. 开发板AVR-IoT WG PCB设计图(2)

图9. 开发板AVR-IoT WG PCB设计图(3)

图10. 开发板AVR-IoT WG PCB设计图(4)

图11. 开发板AVR-IoT WG PCB设计图(5)
图12. 开发板AVR-IoT WG PCB设计图(6)
图13. 开发板AVR-IoT WG PCB设计图(7)
图14. 开发板AVR-IoT WG PCB设计图(8)

图15. 开发板AVR-IoT WG PCB设计图(9)

图16. 开发板AVR-IoT WG PCB设计图(10)
图17. 开发板AVR-IoT WG PCB设计图(11)
开发板AVR-IoT WG材料清单:

全部0条评论
快来发表一下你的评论吧 !