关键词:
高压板威廉希尔官方网站
, 逆变器 , 液晶彩电
高压板威廉希尔官方网站
(逆变器)是一种DC-AC(直流-交流)变换器,它的工作过程就是开关电源工作的逆变过程。开关电源的作用是将市电电网的交流电压转变为稳定的Vcc电压(12V或24V),而高压板威廉希尔官方网站
正好相反,它是将开关电源输出的Vcc电压(12V或24V)转变为高频(40~80kHz)的高压(600~800V)交流电。
高压板威廉希尔官方网站
的种类较多,根据驱动威廉希尔官方网站
的不同,主要有以下几种构成方案。
一、 “PWM控制芯片+Royer结构驱动威廉希尔官方网站
”构成方案
1.“PWM控制芯片+Royer结构驱动威廉希尔官方网站
”构成方案的基本结构形式
图1所示是“PWM控制芯片+Royer结构驱动威廉希尔官方网站
”构成方案的基本结构形式。
从图中可以看出,该高压板威廉希尔官方网站
主要由驱动控制威廉希尔官方网站
(振荡器、调制器)、直流变换威廉希尔官方网站
、Royer结构驱动威廉希尔官方网站
、电压和电流检测威廉希尔官方网站
、CCFL等组成。在实际的高压板中,常将振荡器、调制器、保护威廉希尔官方网站
集成在一起,组成一块小型集成威廉希尔官方网站
,一般称为PWM控制芯片。
图1中的ON/OFF为振荡器启动/停止控制信号输入端。该控制信号来自主板微控制器(MCU),当液晶彩电由待机状态转为正常工作状态后,MCU向振荡器送出启动工作信号(高/低电平变化信号),振荡器接收到信号后开始工作,产生频率40~80kHz的振荡信号送入调制器,在调制器内部与MCU部分送来的PWM亮度调整信号进行调制后,输出PWM激励脉冲信号,送往直流变换威廉希尔官方网站
,使直流变换威廉希尔官方网站
产生可控的直流电压,为Royer结构的驱动威廉希尔官方网站
功率管供电。功率管及外围电容c1和变压器绕组L1(相当于电感)组成自激振荡威廉希尔官方网站
,产生的振荡信号经功率放大和升压变压器升压耦合,输出高频交流高压,点亮背光灯管。

2011-12-30 20:41:23 上传
下载附件 (77.67 KB)
图1“PWM控制芯片+Royer结构驱动威廉希尔官方网站
”构成方案的基本结构形式。
为了保护灯管,需要设置过电流和过电压保护威廉希尔官方网站
。过电流保护检测信号从串联在背光灯管上的取样电阻R上取得,输送到驱动控制芯片。过电压保护检测信号由从L3上取得,也输送到驱动控制芯片,当输出电压及背光灯管工作电流出现异常时,驱动控制芯片控制调制器停止输出,从而起到保护的作用。
当调节亮度时,亮度控制信号加到驱动控制芯片,通过改变驱动控制芯片输出的PWM脉冲的占空比,进而改变直流变换器输出的直流电压大小,也就改变了加在驱动输出管上的电压大小,即改变了自激振荡的振荡幅度,从而使升压变压器输出的信号幅度、CCFL两端的高压幅度发生变化,达到调节亮度的目的。
该威廉希尔官方网站
只能驱动一只背光灯管,由于背光灯管不能并联和串联应用,所以,若需要驱动多只背光灯管,必须由相应的多个升压变压器输出威廉希尔官方网站
及相适配的激励威廉希尔官方网站
来驱动。
2.实际威廉希尔官方网站
分析
采用“PWM控制芯片+Royer结构驱动威廉希尔官方网站
” 的高压板威廉希尔官方网站
中,PWM控制Ic主要采用TL1451、BA9741、BA9743、SP9741、BI3101、BI3102、TL494、KA7500等。下面以“TL1451+Royer结构驱动威廉希尔官方网站
”高压板威廉希尔官方网站
为例进行介绍,有关威廉希尔官方网站
如图2所示。

2011-12-30 20:41:23 上传
下载附件 (303.59 KB)
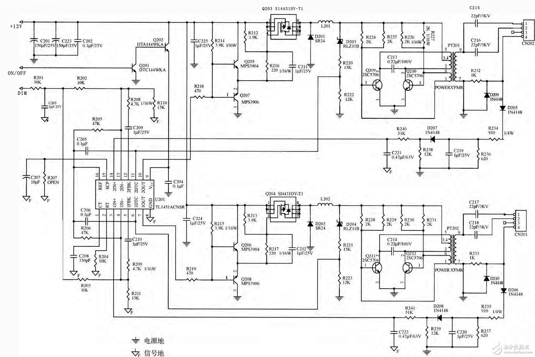
图2 “TL1451+Royer结构驱动威廉希尔官方网站
”高压板威廉希尔官方网站
TL1451是一个PWM控制芯片,在开关电源、逆变威廉希尔官方网站
中有着广泛的应用,该芯片由基准电源、振荡器、误差放大器、定时器和PWM比较器等部分组成,利用TL1451可以组成各种开关电源和控制系统,不仅能使开关电源和控制系统简化,容易维修,成本降低,更重要的是能降低系统的故障率,提高系统设备运行的可靠性。
TL1451为双通道驱动控制威廉希尔官方网站
,可输出两路PWM控制脉冲,分别两路驱动威廉希尔官方网站
进行控制,每路驱动威廉希尔官方网站
均可驱动两只CCFL工作。TL1451适应电源电压范围宽,可以在3.6~40V的单电源下工作,具有短路和低电压误动作保护威廉希尔官方网站
。TL1451内部威廉希尔官方网站
框图如图3所示,引脚功能见表1.另外, 与TL1451内部威廉希尔官方网站
和引脚功能基本一致的芯片还有BA9741、SP9741等。

2011-12-30 20:41:23 上传
下载附件 (103.01 KB)
图3 TL1451内部威廉希尔官方网站
框图
表1 TL1451引脚功能

2011-12-30 20:41:23 上传
下载附件 (124.45 KB)
(1)控制威廉希尔官方网站
控制威廉希尔官方网站
由PWM控制芯片U201(TL1451)及其外围元器件组成。
在需要点亮灯管时,微控制器输出的ON/OFF信号为高电平,控制晶体管Q201、Q202导通,于是,由开关电源产生的12V直流电压经导通的Q202加到U201(TL1451)的供电端9脚,TL1451得电后,其内部基准电压源先工作,输出2.5V的基准电压,该基准电压不但供给TL1451片内威廉希尔官方网站
,还通过16脚输出,供给片外部威廉希尔官方网站
作基准电压。然后,TL1451启动内部振荡威廉希尔官方网站
开始工作,振荡频率由1、2脚外接的定时电阻R204、定时电容C208的大小决定。振荡威廉希尔官方网站
工作后,产生振荡脉冲,加到PWM比较器1和PWM比较器2,经过变换整形后从7、10脚输出PWM脉冲,去两路DC-DC变换威廉希尔官方网站
。
(2)直流变换威廉希尔官方网站
直流变换威廉希尔官方网站
共两路,分别由Q205、Q207、Q203、D201、L201和Q206、Q208、Q204、D202、L202组成,其作用是将输入的12V直流电压变换为可控的直流电压,为功率输出管(Q209、Q210和Q211、Q212)供电。由于两路的工作原理相同,下面只分析其中一路(TL1451的10脚输出的那一路)的工作情况。
U201(TL1451)的10脚输出的PWM激励脉冲,经Q205、Q207组成的图腾柱威廉希尔官方网站
推挽放大,R216、C211耦合,加到P沟道场效应开关管Q203的栅极,使开关管Q203工作在开关状态。Q203导通时,12v电压经场效应管Q203的S、D极,电感L201,升压变压器PT201的4~5和4~2绕组分别加到功率输出管Q209、Q210的集电极,为Q209、Q210供电;Q203截止期间,由于电感中的电流不能突变,所以L201通过自感产生右正、左负的脉冲电压。于是,L201右端正的电压经PT201的4~5和4~2绕组、输出管Q209或Q210的ce结、续流二极管D201、L201左端构成放电回路,释放能量,继续为输出管Q209、Q210供电。
从以上分析可以看出,这是一个开关降压型DC-DC变换器。
(3)驱动威廉希尔官方网站
驱动威廉希尔官方网站
(共两路)用于产生符合要求要交流高压,驱动CCFL工作,主要由驱动输出管(Q209、Q210和Q211、Q212)、升压变压器(PT201和PT202)等组成,下面以其中的一路(Q209、Q210、RT201)为例进行介绍。
从图2中可以看出,由Q209、Q210、RT201等元器件组成的威廉希尔官方网站
是一个典型Royer结构的驱动威廉希尔官方网站
,即自激式多谐振动振荡器。威廉希尔官方网站
靠变压器一次侧、反馈绕组同名端的正确连接来满足自激振荡的相位条件,即满足正反馈条件。而振幅条件的满足,首先靠合理选择威廉希尔官方网站
参数,使放大器建立合适的静态工作点,其次是改变反馈绕组的匝数,或它与一次绕组之间的耦合程度,以得到足够强的反馈量。稳幅作用是利用晶体管的非线性来实现的。
由自激式振荡威廉希尔官方网站
产生的正弦波电压,经变压器PT201感生出高压,通过C215、C216及接插件CN202给CCFL供电。因为变压器耦合自激振荡威廉希尔官方网站
振荡波形为标准的正弦波,恰好适合CCFL的供电要求,因此可以简化末级威廉希尔官方网站
的设计。
(4)亮度调节威廉希尔官方网站
U201(TL1451)的4脚、13脚为亮度控制端,由于这两路控制信号的控制过程相同,下面只以13脚的亮度控制信号为例进行分析。
当需要调节亮度时,由微控制器输出的DIM控制脉冲发生变化→经R201、C203低通滤波后产生的直流电压发生变化→TL1451的13脚电压发生变化→TL1451的10脚输出脉冲的占空比发生变化→Q205、Q207的基极电压发生变化→Q203的栅极电压发生变化→Q203输出的供电电压发生变化→Q209、Q210振荡的幅度发生变化→PT201输出的高压发生变化→CCFL两端的电压发生变化,从而达到调节亮度的目的。
(5)保护威廉希尔官方网站
①过电压保护威廉希尔官方网站
:当某种意外原因造成Q203输出的电压过高时,稳压管D203击穿,经R220、R222分压, 使加到TL1451的11脚电压上升,通过内部威廉希尔官方网站
控制10脚停止输出PWM脉冲,从而达到保护的目的。
同理,当某种意外原因造成Q204输出的电压过高时,稳压管D204击穿,经R221、R223分压,使加到TL1451的6脚电压上升,通过内部威廉希尔官方网站
控制7脚停止输出PWM脉冲,从而达到保护的目的。
②欠电压保护威廉希尔官方网站
:当系统刚上电或意外原因使TL1451供电电压不足3.6V时,其输出驱动晶体管很可能因为导通不良而损坏,因此,TL1451内部设置了欠电压保护威廉希尔官方网站
(UVLO)。
欠电压保护威廉希尔官方网站
启动后,将切断7脚、10脚输出的PWM脉冲,从而达到保护的目的。
③过电流保护威廉希尔官方网站
:过电流保护威廉希尔官方网站
用来保护CCFL不致因电流过大而老化或损坏,下面以CN202一路为例进行说明。PT201产生的高压经过CN202所接的CCFL后,将在R236两端产生随工作电流变化的交流电压,电流越大,R236两端电压越高,此电压经过D207整流,R240、C221滤波后,加到TL1451的14脚;若CCFL的工作电流过大,会使14脚电压升高很多,当达到一定值时,经TL1451内部处理,会控制10脚停止输出PWM脉冲,从而达到保护的目的。
④平衡保护威廉希尔官方网站
:TL1451的5脚、12脚内部有一个电压比较器,电压比较器具有两个同相输入端和一个反相输入端,反相输入端电压为基准电压(2.5V)的一半(1.25V),两个同相输入端分别和误差放大器1和误差放大器2的输出端相连。因此,电压比较器能够检测出两个误差放大器输出电压的大小,只要其中一个高于基准电压的一半(1.25V)时,电压比较器的输出即为高电平,该输出电压触发定时回路,从而使基准电压通过15脚向电容C207充电。当C207的电压达到一定值时,内部触发器置位,控制7脚、10脚停止输出PWM脉冲,从而保护了后级威廉希尔官方网站
和设备。
二、 “PWM控制芯片+推挽结构驱动威廉希尔官方网站
”构成方案
1.“PWM控制芯片+推挽结构驱动威廉希尔官方网站
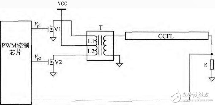
”构成方案的基本结构形式
“PWM控制芯片+推挽结构驱动威廉希尔官方网站
”构成方案的基本结构形式非常简单,如图4所示。推挽驱动器只用到两只N沟道功率场效应管V1、V2,并将升压变压器T的中性抽头接于正电源Vcc,两只功率管V1、V2交替工作,输出得到交流电压,由于功率晶体管共地,所以驱动控制威廉希尔官方网站
简单;另外由于变压器具有一定的漏感,可限制短路电流,因而提高了威廉希尔官方网站
的可靠性。
对于推挽结构的驱动威廉希尔官方网站
,要求直流电源Vcc的变化范围要小,否则,会使驱动威廉希尔官方网站
的效率降低。因此,推挽结构不适用于笔记本电脑,但对于液晶显示器和液晶彩电非常理想,因为逆变器直流电源电压通常会稳定在±20%以内。
威廉希尔官方网站
工作时,在PWM控制芯片的控制下,使推挽威廉希尔官方网站
中两个开关管V1和V2交替导通,在一次绕组L1和L2两端分别形成相位相反的交流电压。改变输入到V1、V2开关脉冲的占空比,可以改变V1、V2的导通与截止时间,从而改变了变压器的储能,也就改变了输出的电压值。需要注意的是,当V1和V2同时导通时,相当于变压器的一次绕组短路,因此应避免两个开关管同时导通。

2011-12-30 20:41:23 上传
下载附件 (39.98 KB)
图4 “PWM控制芯片+推挽结构驱动威廉希尔官方网站
”构成方案的基本结构形式
2.实际威廉希尔官方网站
分析
采用“PWM控制芯片+推挽结构驱动威廉希尔官方网站
”的高压板威廉希尔官方网站
中,PWM控制芯片主要采用OZ9RR等。下面以“OZ9RR+推挽结构驱动威廉希尔官方网站
”高压板威廉希尔官方网站
为例进行分析,有关威廉希尔官方网站
如图5所示。

2011-12-30 20:41:23 上传
下载附件 (129.96 KB)
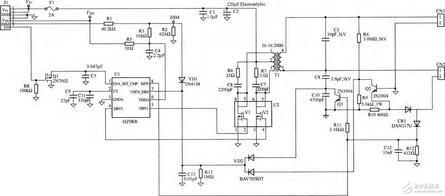
图5“OZ9RR+推挽结构驱动威廉希尔官方网站
”高压板威廉希尔官方网站
OZ9RR是凸凹公司(OZMicro)生产的背光灯高压逆变PWM控制芯片、具有如下特点:工作频率恒定,且工作频率可被外部信号所同步;内置同步式PWM灯管亮度控制威廉希尔官方网站
,亮度控制范围宽;内置智能化灯管点火及正常工作状态控制威廉希尔官方网站
;设有灯管开路及过电压保护功能;可支持多灯管方式工作。OZ9RR内部威廉希尔官方网站
框图如图6所示,引脚功能见表2.
表2 OZ9RR引脚功能

2011-12-30 20:41:23 上传
下载附件 (66.36 KB)

2011-12-30 20:41:23 上传
下载附件 (66.8 KB)
图6 OZ9RR内部威廉希尔官方网站
框图
(1)控制威廉希尔官方网站
控制威廉希尔官方网站
由PWM控制芯片U1(OZ9RR)及其外围元器件组成。
由电源威廉希尔官方网站
产生的Vdd电压(5V)经R5限流后加到OZ9RR的供电端6脚,为OZ9RR提供工作时所需电压。
当需要点亮灯管时,高压板输入端口EN信号(来自主板MCU)为低电平(0~1V),控制N沟道场效应管Q1截止,进而控制OZ9RR的1脚为高电平(3~5V)。
OZ9RR在6脚得到供电,同时1脚得到高电平信号后,内部振荡威廉希尔官方网站
开始工作,其振荡频率由2脚外接的定时电容C9、C11大小决定。振荡威廉希尔官方网站
工作后,产生振荡脉冲,加到内部逻辑控制威廉希尔官方网站
和驱动威廉希尔官方网站
,经过变换整形后从5~4脚输出PWM脉冲,去推动驱动威廉希尔官方网站
工作。
(2)驱动威廉希尔官方网站
驱动威廉希尔官方网站
用于产生符合要求的交流高压,驱动CCFL工作。驱动威廉希尔官方网站
由双驱动管U2、升压变压器T1等组成,这是一个零电压切换的推挽威廉希尔官方网站
结构。工作时,电源威廉希尔官方网站
输出的Vin(12V)经升压变压器T1的2~1绕组和2~5绕组分别加到U2内两只场效应管V1、V2的漏极;由OZ9RR的5脚和4脚产生的驱动脉冲分别加到U2内V1、V2的栅极,在驱动脉冲的作用下,使U2内的两个开关管V1和V2交替导通,输出对称的开关管驱动脉冲,经升压变压器升压后,产生近似正弦波的电压和电流,点燃背光灯管。
(3)亮度调节威廉希尔官方网站
OZ9RR的7脚是亮度控制端和升压变压器电压检测双功能端。需要调整亮度时,由微控制器产生的亮度控制信号DIM经R1、R2分压和D1隔离,加到OZ9RR的7脚,经内部威廉希尔官方网站
处理后,通过控制5-4脚输出的驱动脉冲占空比,达到亮度控制的目的。
高压板的DIM输入端口输入的是连续可调直流控制电压,控制电压范围是0.5~3.6V,0.5V对应最低亮度,3.6V对应最高亮度。
(4)保护威廉希尔官方网站
①欠电压保护威廉希尔官方网站
:OZ9RR的6脚为5V电源端,6脚内部还设有欠电压保护威廉希尔官方网站
,当电源电压低于3.8V时,欠电压保护威廉希尔官方网站
将动作,OZ9RR控制5~4脚停止输出驱动脉冲。
②软启动保护威廉希尔官方网站
:OZ9RR的1脚是一个多功能引脚,除了用来引入EN控制电压外,还外接软启动定时电容C5,起到软启动定时的作用。OZ9RR工作后,1脚内威廉希尔官方网站
向C5进行充电,随着C5两端电压的升高,OZ9RR输出的驱动脉冲控制开关管向升压变压器提供的能量也逐渐增大。软启动威廉希尔官方网站
的使用,可以防止背光灯初始工作时产生过大的冲击电流。
③稳流威廉希尔官方网站
:稳流威廉希尔官方网站
用来保护CCFL不致因电流过大而老化或损坏。升压变压器二次侧的R12为过电流检测电阻,R12两端的电压随工作电流变化而变化,电流越大,R12两端电压越高,此电压经C12滤波后加到OZ9RR的8脚,作为电流检测端。
在背光灯管点火阶段(启动期间),高压电源需要提供较高频率的点火电压,一般来说, 点火频率是正常工作频率的1.3倍左右, 由OZ9RR的2脚外接定式电容决定。
OZ9RR设定的点火时间是2 S,如果2 S后,8脚灯管电流检端检测不到灯管电流,OZ9RR将停止工作。
背光灯管点火后,灯管进入正常工作阶段,OZ9RR通过8脚检测灯管电流,并通过控制威廉希尔官方网站
稳定灯管电流,8脚的基准电压在1.25V左右。灯管正常工作时的驱动电压频率也是由2脚定时电容决定的。
另外,若CCFL的工作电流过大,会使OZ9RR的8脚升高很多,当达到一定值时,经OZ9RR内部处理,会控制5~4脚停止输出驱动脉冲,达到保护的目的。
④过电压保护威廉希尔官方网站
:OZ9RR内的过电压保护威廉希尔官方网站
可以防止灯管升压变压器二次侧在非正常情况下产生过高的高压而损坏升压变压器。在启动阶段,7脚电压检测/亮度控制端检测升压变压器的二次电压,当达到3V时,OZ9RR将不再升高输出电压,进入稳定输出电压阶段。
⑤灯管开路保护威廉希尔官方网站
:如果灯管与灯座接触不良、灯管被取下,或灯管损坏,OZ9RR将自动切断5~4脚输出的驱动脉冲,从而达到保护的目的。
三、 “PWM控制芯片+全桥结构驱动威廉希尔官方网站
”构成方案
1.“PWM控制芯片+全桥结构驱动威廉希尔官方网站
”构成方案的基本结构形式
“PWM控制芯片+全桥结构驱动威廉希尔官方网站
”构成方案最适合于直流电源电压非常宽的应用,因此几乎所有笔记本电脑都采用全桥方式。在笔记本电脑中,逆变器的直流电源直接来自系统的主直流电源,其变化范围通常在7V(低电池电压)~21V(交流适配器)。另外,这种构成方案在液晶彩电、液晶显示器中也有较多的应用。
全桥结构驱动威廉希尔官方网站
一般由四只场效应管或四只晶体管构成,根据场效应管或晶体管的类型不同,该构成方案主要有两种结构形式,一种是采用四只N沟道沟道场效应管;另一种是采用两只N沟道沟道场效应管和两只P沟道场效应管。
(1)全桥驱动威廉希尔官方网站
采用四只N沟道场效应管
全桥驱动威廉希尔官方网站
采用四只N沟道场效应管的结构形式如图7所示。
2011-12-30 20:41:23 上传
下载附件 (40.98 KB)
图7全桥驱动威廉希尔官方网站
采用四只N沟道场效应管
威廉希尔官方网站
工作时,在驱动控制Ic的控制下,使V1、V4同时导通,V2、V3同时导通,且V1、V4导通时,V2、V3截止,也就是说,V1、V4与V2、V3是交替导通的,使变压器一次侧形成交流电压,改变开关脉冲的占空比,就可以改变V1、V4和V2、V3导通与截止时间,从而改变变压器的储能,也就改变了输出的电压值。
需要注意的是,如果V1、V4与V2、V3的导通时间不对称,则变压器一次侧的交流电压中将含有直流分量,会在变压器二次侧产生很大的直流分量,造成磁路饱和。因此全桥威廉希尔官方网站
应注意避免直流电压分量的产生,也可以在一次回路串联一个电容,以阻断直流电流。
(2)全桥驱动威廉希尔官方网站
采用两只N沟道和两只P沟道场效应管
全桥驱动威廉希尔官方网站
采用两只N沟道和两只P沟道场效应管的结构形式如图8所示。

2011-12-30 20:41:23 上传
下载附件 (40.13 KB)
图8 全桥驱动威廉希尔官方网站
采用两只N沟道和两只P沟道场效应管
威廉希尔官方网站
工作时,在驱动控制IC的控制下,使V4、V1同时导通,V2、V3同时导通,且V4、V1导通时,V2、V3截止,也就是说,V4、V1与V2、V3是交替导通的,使变压器一次侧形成交流电压。
在“PWM控制芯片+全桥结构驱动威廉希尔官方网站
”构成方案中,PWM控制芯片常采用OZ960、OZ970、OZ9910、BIT3105、BIT3106、MPS1010B、MP1026、MP1029、MP1038、BD9883、BD9884等。
2.“OZ960+全桥结构驱动威廉希尔官方网站
”高压板威廉希尔官方网站
由“OZ960+全桥结构驱动威廉希尔官方网站
”构成的高压板威廉希尔官方网站
如图9所示。

2011-12-30 20:41:23 上传
下载附件 (216.68 KB)
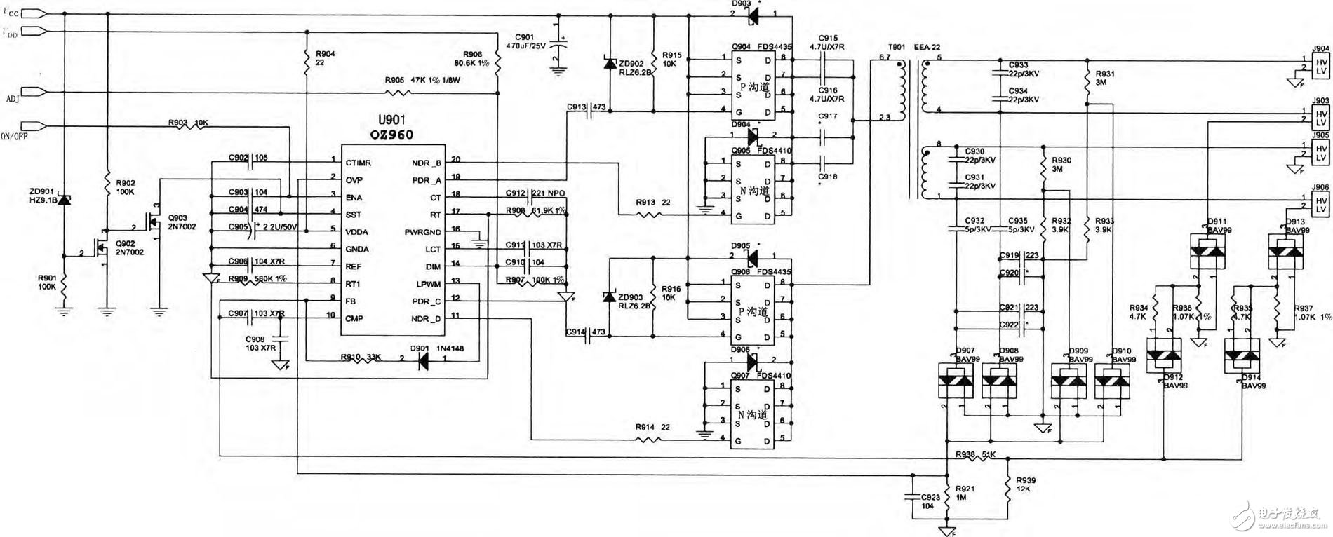
图9 “OZ960+全桥结构驱动威廉希尔官方网站
”高压板威廉希尔官方网站
OZ960是背光灯高压逆变PWM控制芯片,具有如下特点:高效率,零电压切换;支持较宽的输入电压范围;恒定的工作频率;具有较宽的调光范围;具有软启动功能;内置开灯启动保护和过电压保护等。OZ960内部威廉希尔官方网站
框图如图10所示,引脚功能见表3.

2011-12-30 20:41:23 上传
下载附件 (112.36 KB)
图10 OZ960内部威廉希尔官方网站
框图
表3 OZ960引脚功能

2011-12-30 20:41:23 上传
下载附件 (182.43 KB)
(1)驱动控制威廉希尔官方网站
驱动控制威廉希尔官方网站
由U901(OZ960)及其外围元器件组成。
由开关电源产生的Vdd电压(一般为5V)经R904限流,加到OZ960的供电端5脚,为OZ960提供工作时所需电压。
当需要点亮液晶彩电时,微控制器输出的ON/OFF信号为高电平,经R903,使加到OZ960的3脚电压为高电平(1.5V以上的电压为高电平)。
OZ960在5脚得到供电,同时3脚得到高电平信号后,内部振荡威廉希尔官方网站
开始工作,振荡频率由17~18脚外接的定时电阻R908和定时电容C912的值决定。振荡威廉希尔官方网站
工作后,产生振荡脉冲,加到内部零电压切换移相控制威廉希尔官方网站
和驱动威廉希尔官方网站
,经过变换整形后从19脚、20脚、12脚、11脚输出PWM脉冲,去全桥驱动威廉希尔官方网站
。
(2)全桥驱动威廉希尔官方网站
全桥驱动威廉希尔官方网站
用于产生符合要求的交流高压,驱动CCFL工作,由Q904、Q905、Q906、Q907、T901等组成。这是一个具有零电压切换的全桥威廉希尔官方网站
结构,Vcc(一般为12V)电压加到Q904、Q906的源极,Q905、Q907的源极接地,在OZ960输出的驱动脉冲(其波形如图11所示)控制下,使Q904、Q907同时导通,Q905、Q906同时导通,且Q904、Q907导通时,Q905、Q906截止,也就是说,Q904、Q907与Q905、Q906是交替导通的,输出对称的开关管驱动脉冲,经C915、C916、C917、C918、升压变压器T901以及背光灯管组成的谐振威廉希尔官方网站
,产生近似正弦波的电压和电流,点燃背光灯管。

2011-12-30 20:41:23 上传
下载附件 (90.8 KB)
图11 OZ960输出的驱动脉冲波形
(3)亮度调节威廉希尔官方网站
OZ960的14脚是亮度控制端,当需要调整亮度时,由微控制器产生的亮度控制电压经R906、R907分压,加到14脚,经内部威廉希尔官方网站
处理后,通过控制OZ960输出的驱动脉冲占空比,从而达到亮度控制的目的。
(4)保护威廉希尔官方网站
①软启动保护威廉希尔官方网站
:OZ960的4脚软启动端,外接软启动电容C904,起到软启动定时的作用。OZ960工作后,4脚内威廉希尔官方网站
向C904进行充电,随着C904两端电压的升高,OZ960输出的驱动脉冲控制驱动管向高压变压器提供的能量也逐渐增大。软启动威廉希尔官方网站
可以防止背光灯初始工作时产生过大的冲击电流。
②过电压保护威廉希尔官方网站
:OZ960内的过电压保护威廉希尔官方网站
可以防止灯管高压变压器二次侧在非正常情况下产生过高的高压而损坏高压变压器和灯管。威廉希尔官方网站
中,由T901二次侧产生的高压经R930、R932和R931、R933分压后,作为取样电压,经D909、D910加到2脚,在启动阶段,2脚检测高压变压器的二次电压,当2脚电压达到2V时,OZ960将不再升高输出电压,而进入稳定输出电压阶段。
③ 过电流保护威廉希尔官方网站
: 过电流保护威廉希尔官方网站
用来保护CCFL不致因电流过大而老化或损坏。
威廉希尔官方网站
中,R936、R937为过电流检测电阻,R936、R937两端的电压随工作电流变化而变化,电流越大,R936、R937两端电压越高, 此电压经D912、D914加到OZ960的9脚, 作为电流检测端, 通过内部控制威廉希尔官方网站
稳定灯管电流。若CCFL的工作电流过大,会使9脚升高很多,当9脚电压达到1.25V时, 经OZ960内部处理, 会控制OZ960的停止输出驱动脉冲, 达到保护的目的。
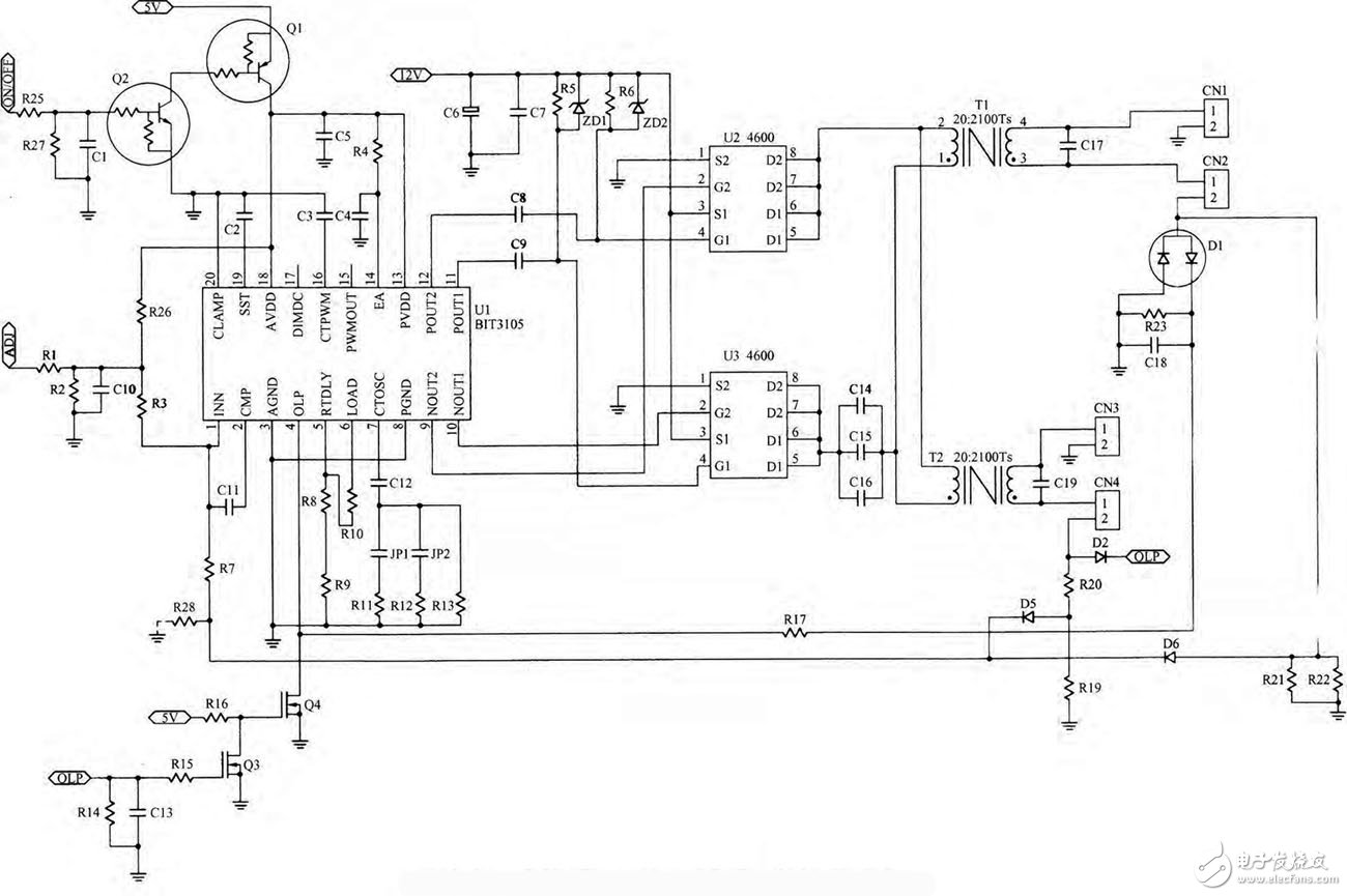
3.“BIT3105+全桥结构驱动威廉希尔官方网站
”高压板威廉希尔官方网站
“BIT3105+全桥结构驱动威廉希尔官方网站
” 构成的高压板威廉希尔官方网站
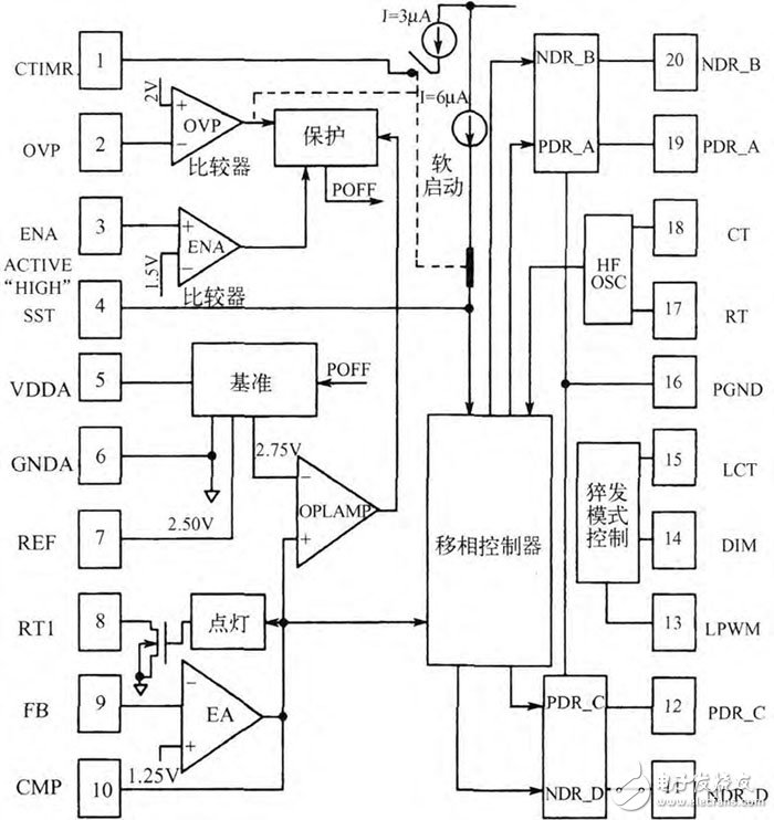
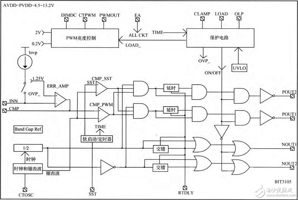
如图12所示。BIT3105是PWM控制芯片,其内部威廉希尔官方网站
框图如图13所示,引脚功能见表4.

2011-12-30 20:41:23 上传
下载附件 (142.93 KB)
图12 “BIT3105+全桥结构驱动威廉希尔官方网站
” 高压板威廉希尔官方网站

2011-12-30 20:41:23 上传
下载附件 (122.23 KB)
图13 BIT3105内部威廉希尔官方网站
框图
表4 BIT3105引脚功能

2011-12-30 20:41:23 上传
下载附件 (181.68 KB)
(1)驱动控制威廉希尔官方网站
驱动控制威廉希尔官方网站
由U1(BIT3105)及其外围元器件组成。
当需要点亮液晶背光灯时,微控制器输出的ON/OFF信号为高电平,经R25加到Q2的b极,控制Q2导通,其集电极输出低电平,进而使Q1导通;于是,5V电压经导通的Q1加到BIT3105的13脚和18脚,BIT3105内部振荡威廉希尔官方网站
开始工作,振荡频率由5脚、7脚外接的定时电阻和定时电容值决定。振荡威廉希尔官方网站
工作后,产生振荡脉冲,经分频后,加到内部驱动威廉希尔官方网站
,经过变换整形后从9~12脚输出,去全桥驱动威廉希尔官方网站
。
(2)全桥驱动威廉希尔官方网站
全桥驱动威廉希尔官方网站
用于产生符合要求要交流高压,驱动CCFL工作,由U2、U3、T1、T2等元器件组成,其中T1、T2为高压变压器,U2、U3为复合场效应管,内含两个MOS管(一只P沟道MOS管,一只N沟道MOS管)。
由BIT3105内部振荡威廉希尔官方网站
产生的振荡脉冲,一方面从BIT3105的11~12脚输出P沟道MOS驱动信号,送到驱动威廉希尔官方网站
U2、U3的4脚,经U2、U3内部PMOS管放大后,从U2、U3的5、6脚输出;另一方面,从BIT3105的9~10脚输出N沟道MOS驱动信号,送到驱动威廉希尔官方网站
U2、U3的2脚,经U2、U3内部NMOS管放大后,从U2、U3的7~8脚输出。
在驱动脉冲的驱动下,U2、U3内部的PMOS管和NMOS管交替导通与截止,并从U2、U3的5~8脚输出脉冲信号,经C14~C16加到T1、T2的一次绕组,经T1、T2变换后,在T1、T3变压器二次绕组输出高压。
从变压器T1二次侧输出的高压经CN1、CN2的进入灯管1和灯管2,点亮灯管。另外,从CN2的2脚输出的电流经R21、R22到地形成回路,并在R21、R22上端产生反馈电压,经D6、R7反馈至BIT3105的1脚内部放大器反相输入端,自动稳定BIT3105内部放大器的工作状态。
从变压器T2二次输出的高压经CN3、CN4的进入灯管3和灯管4,点亮灯管。另外,从CN4的2脚输出的电流经R19到地形成回路,并在R19上端产生反馈电压,经D5、R7反馈至BIT3105的1脚内部放大器反相输入端,自动稳定BIT3105内部放大器的工作状态。
(3)亮度调节威廉希尔官方网站
R1、R2、R3、C10以及BIT3105内部威廉希尔官方网站
共同组成灯管亮度控制威廉希尔官方网站
。需要控制灯管的亮度时,从主板送来PWM控制电压ADJ经R1、R2分压,C10滤波和R3限流后,加到BIT3105的1脚,经BIT3105内部威廉希尔官方网站
处理后,通过控制BIT3105的输出的驱动脉冲占空比,达到亮度控制的目的。
(4)电流保护威廉希尔官方网站
CN1、CN2上的灯管1、灯管2的电流检测威廉希尔官方网站
由D1、R23、C18、R17以及BIT3105的4脚内部威廉希尔官方网站
组成。
当灯管1、灯管2点亮后,将在R23上端形成检测电压,该电压经R17送到BIT3105的4脚;当某种原因造成灯管1或灯管2电流减小时,在R23上端获得的电压下降,导致BIT3105的4脚电压下降,下降至0.3V以下时,9~12脚停止输出驱动脉冲,威廉希尔官方网站
处于保护状态。
CN3、CN4上的灯管3、灯管4的电流检测威廉希尔官方网站
由D2、R14、R15、R16、Q3、Q4以及BIT3105的4脚内部威廉希尔官方网站
组成。
当灯管3、灯管4点亮后,将在R14上端形成检测电压,当某种原因造成灯管3、灯管4电流减小时,在R14上端获得的电压下降,Q3栅极电压下降,漏极电压上升,进而控制Q4漏电电压下降,并送人BIT3105的4脚,当4脚电压下降到0.3V以下时,9~12脚停止输出驱动脉冲,威廉希尔官方网站
处于保护状态。