移动通信
关键词: D类放大器 , MAX98400 , Maxim , MP3 , 坞站
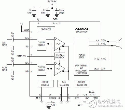
Maxim公司的MAX98400A/MAX98400B是高性能热效率高的D类音频放大器, MAX98400A能向8欧姆负载提供2x20W或向4欧姆负载提供1x40W, MAX98400B则向8欧姆负载提供2x8W功率.单电源8V 到28V工作,提供67dB PSRR,12V时的效率高达90%,主要用在LCD/PDP TV,LCD监视器,MP3坞站和笔记本PC.本文介绍了MAX98400A/MAX98400B主要特性, MAX98400A/B功能方框图,以及MAX98400A立体声和单声道配置图, MAX98400 D类音频放大器参考设计主要特性,威廉希尔官方网站
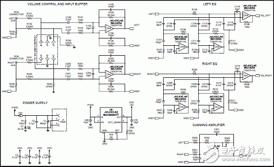
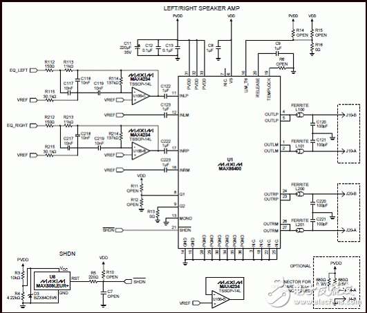
图,材料清单和PCB布局图.
2011-11-14 13:19:07 上传
The MAX98400A/MAX98400B Class D amplifiers provide high-performance, thermally efficient amplifier solutions. The MAX98400A delivers 2x20W into 8I loads or 1x40W into a 4I load. The MAX98400B delivers 2x12W into 8I loads.
An integrated limiting circuit prevents output clipping distortion, protects small speakers from transient voltages, and reduces power dissipation.
A thermal-foldback feature can be enabled to automatically reduce the output power at above a junction temperature of +120NC. Traditional thermal protection is also available in addition to robust overcurrent protection.
The ICs operate from a single 8V to 28V supply and provide a high 67dB PSRR, eliminating the need for a regulated power supply. They offer up to 90% efficiency from a 12V supply.
Filterless modulation allows the ICs to pass EN55022B EMI limits with 1m cables using only a low-cost ferrite bead and small-value capacitor on each output. Both devices feature eight digitally controlled gain settings.
Comprehensive click-and-pop reduction circuitry minimizes noise coming into and out of shutdown.
The MAX98400A/MAX98400B are available in 36-pin and 24-pin TQFN packages, respectively, and are specified over the -40NC to +85NC temperature range.
MAX98400A/MAX98400B主要特性:
Wide 8V to 28V Supply Voltage Range
Single-Supply Operation
Low EMI: Active Emissions Limiting
Clipping Limiter
Low Quiescent Current
Thermal Foldback
Thermal and Overcurrent Protection
MAX98400A/MAX98400B应用:
LCD/PDP Televisions
LCD Monitors
MP3 Docking Stations
Notebook PCs


2011-11-14 13:19:07 上传
下载附件 (15.2 KB)
2011-11-14 13:19:07 上传
下载附件 (27.06 KB)
2011-11-14 13:19:07 上传
下载附件 (20.62 KB)
2011-11-14 13:19:07 上传
下载附件 (79.96 KB)
2011-11-14 13:19:07 上传
下载附件 (40.85 KB)
2011-11-14 13:19:07 上传
下载附件 (36.32 KB)
2011-11-14 13:19:07 上传
下载附件 (38.84 KB)
2011-11-14 13:19:07 上传
下载附件 (42.09 KB)
2011-11-14 13:19:07 上传
下载附件 (34.32 KB)
2011-11-14 13:19:07 上传
下载附件 (55.99 KB)
2011-11-14 13:19:07 上传
下载附件 (21.47 KB)
2011-11-14 13:19:07 上传
下载附件 (46.26 KB)
2011-11-14 13:18:42 上传
下载次数: 0
2011-11-14 13:18:04 上传
下载次数: 0全部0条评论
快来发表一下你的评论吧 !