移动通信
关键词: LED , SC5010 , Semtech , 背光驱动 , 笔记本
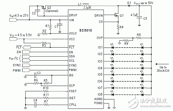
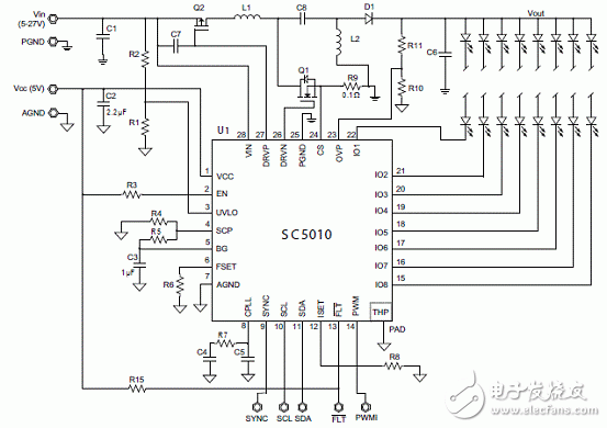
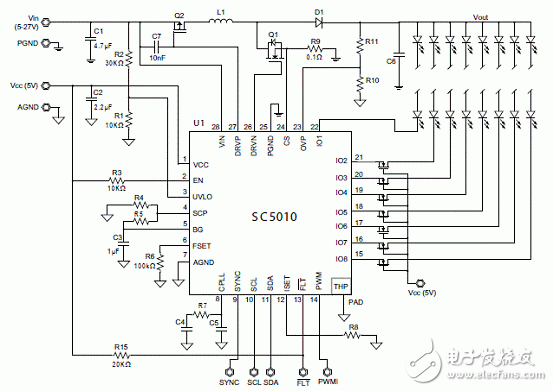
Semtech(升特)公司的 SC5010是超薄笔记本面板用的相移式8通道白光LED背光驱动器,采用创新的PWM相移调光控制法,可使用1mm高的2.2μH微型电感,用于高效超薄的4mm厚度显示器.SC5010提供精确的背光色温以及全屏一致的亮度,通道间的电流匹配度为+/-1%,精度为+/-1.5%。它有完备的保护功能,包括LED开路保护和可编程的LED短路保护、可调过压保护(OVP),以及过热保护;另外还有欠压锁定(UVLO)关断功能。器件输入电4.5V至27V;输出电压最高达50V, 最高效率达92%,最多可驱动112只白光LED,主要用在超薄笔记本电脑,UMPC,LCD监视器和平板电脑.本文介绍了SC5010主要特性,方框图,LED PWM调光控制框图,详细应用威廉希尔官方网站
以及SEPIC配置图,高输出电压应用威廉希尔官方网站
图.
2011-9-13 11:10:42 上传
The SC5010 is an 8-channel high-precision, high-effi ciency step-up (Boost) LED driver for backlight applications. It features wide input voltage range (4.5V to 27V) , fl exible output configuration, wide analog and PWM dimming range, phase shifting and fading. It also features video signal synchronization (VSYNC), I2C interface, and numerous protection features. An optional disconnect p-MOSFET provides true load disconnection and inrush current limiting.
The boost controller, with programmable switching frequency from 200kHz to 2.2MHz, maximizes effi ciency by dynamically minimizing the output voltage while maintaining LED string current accuracy. It provides excellent line and load response with no external compensation components.
Each linear current sink is matched within ±1% for superb lighting uniformity, and the accuracy of each string current is ±1.5%. An external resistor adjusts the current from 10-30mA per string. It also features PWM dimming resolution of 9 or 10 bits (user selectable) over dimming frequency from 100Hz to 20kHz, synchronized to the SYNC signal or the boost oscillator. String-by-string phase shifting reduces the demand on the input/output capacitance, decreases EMI, and improves dimming linearity.
SC5010 is available in a low-profi le, thermally enhanced, 4 X 4 X 0.6(mm) QFN 28-pin package.
SC5010主要特性:
VIN Range — 4.5V to 27V, VOUT Range — Up to 50V
Step-up (Boost) Controller
Excellent Transient Response
Programmable Switching Frequency
Linear Current Sinks
8 Strings, up to 30mA/String
Current Matching ±1%
Current Accuracy ±1.5%
PWM Dimming
String-by-String Phase Shifting
Input Dimming Frequency 100Hz-30kHz
User Selectable 9 or 10 Bits Dimming Resolution
Optional Synchronization to VSYNC/HSYNC Signal
5-bit Analog Dimming
Optional External p-MOSFET Disconnect Switch
True Load Disconnect and Inrush Current Limiting
I2C Interface
Fault Status — Open/Short LED, UVLO, OTP
Device Control — SYNC Freq, PLL Setting
Protection Features
Open/Shorted LED(s) and adjustable OVP
Over-Temperature and UVLO Shutdown Protection
4 X 4(mm) 28-pin QFN Package
SC5010应用:
Notebook PCs, UMPC, LCD Monitors, and Tablet PCs


2011-9-13 11:10:42 上传
下载附件 (16.12 KB)
2011-9-13 11:10:42 上传
下载附件 (23.3 KB)
2011-9-13 11:10:42 上传
下载附件 (28.76 KB)
2011-9-13 11:10:42 上传
下载附件 (25.6 KB)
2011-9-13 11:10:42 上传
下载附件 (26.84 KB)
2011-9-25 21:09:20 上传
下载次数: 0全部0条评论
快来发表一下你的评论吧 !