硬声

学习电子

数字电子技术:5.8 移位寄存器74194的功能及应用-田亚男#数字电子技术

打开App,查看更多精彩内容
相关推荐 评论0
电子技术,电工技术
6380

#电子技术教学#电工教学#电子工程师培训#电气工程师 #直流电机驱动#C语言教学 带你做项目小时钟案例 显示函

电池,元器件,电阻,威廉希尔官方网站
,电子技术
4186

指针万用表和数字表测二极管有什么区别?

电子技术,元器件
2523

#电子技术 #电子元器件 用一个简单的元件就能自制一个触控小夜灯,非常好使 #电子爱好者

威廉希尔官方网站
,电子技术
1093

12v 降5v,Buck降压威廉希尔官方网站 是怎么做到的?#工作原理大揭秘

威廉希尔官方网站
,电子技术
979

#威廉希尔官方网站 原理

电子技术,DIY
2006

只需要几个小配件,就能DIY一个电子打火机,不怕风可循环使用 #DIY #电子爱好者 #电子打火机 #电子技术

DIY,元器件,电子技术
1760

冰箱压缩机切割注意事项,汽缸吸气过程和部件,直观拆解工作原理

电流,电源,元器件,电子技术
1752

TP4056充电温度实测,1A电流超过90℃

电子技术,电源,威廉希尔官方网站
1335

变电站监控系统设备简介

电流,电源,电子技术
1107

零基础学习威廉希尔官方网站 图20,电磁阀控制气缸威廉希尔官方网站 ,威廉希尔官方网站 图+实物接线分析

电子技术,电工技术
1013

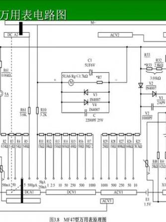
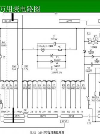
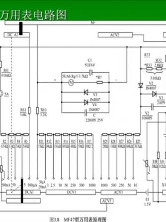
#电工教学 关注我带你从零起步入门电气工程师电工技师,本期讲解万用表内部原理直流电流电压测量原理,数字

电子技术,电工技术
1011

#电工教学 关注我带你从零起步入门电气工程师电工技师,本期讲解万用表内部原理直流电流电压测量原理

电子技术,电工技术
982

#电工教学 关注我带你从零起步入门电气工程师电工技师,本期讲解万用表内部原理交流电流电压测量原理

万用表,元器件,电源,电子技术
971

万用表太费电,那就改锂电池供电吧

电子技术,电工技术
969

#电工教学 关注我带你从零起步入门电气工程师电工技师,本期讲解万用表内部原理电阻测量原理

电子技术,电工技术
959

#电工教学 关注我带你从零起步入门电气工程师电工技师,本期讲解万用表内部原理直流电压测量原理,万用表内

电子技术,电工技术
958

#电子技术教学#电工教学#电子工程师培训#电气工程师 #直流电机驱动 #单片机教学 #电子工程师教学 带你入门

电子技术,电工技术
956

#电工教学 关注我带你从零起步入门电气工程师电工技师,本期讲解万用表内部原理三极管放大倍数检测原理

电子技术,电工技术
947

#电子技术教学#电工教学#电子工程师培训#电气工程师 #直流电机驱动 #单片机教学 #电子工程师教学 带你入门

电子技术,电工技术
947

#电工教学 关注我带你从零起步入门电气工程师电工技师,本期讲解万用表内部原理电流电压测量原理