硬声

学习电子知识

[6.2.1]--5.2.1SR锁存器

打开App,查看更多精彩内容
相关推荐 评论0
芯片,SR
1354

#全志科技 #D1s 芯片驱动sRGB #显示屏

行业资讯,平台,物理,SR
497

智能制造在铸造行业的应用,CPS物理系统平台,集成了MES,WMS,QMS,SRM等系统

锁存器,元器件,锁存器
325

51.1 SR锁存器 (3)-1#锁存器

锁存器,元器件,数字威廉希尔官方网站
,威廉希尔官方网站
设计分析,RGB
285

RGB 4针LED追逐灯威廉希尔官方网站 自动和手动变色模式[共阳极]#工作原理大揭秘

锁存器,元器件,锁存器
283

2-2 锁存器和开关-操作和释放点#锁存器

数字电子技术,锁存器,锁存
217

#硬声创作季 数字电子技术:SR锁存器

音响,CS,SR,功放机,csr8675,功放
211

#硬声创作季 CSR8675高端蓝牙,也出功放机了。 #发烧音响  #专业音响 #BRZHIFI

锁存器,锁存
210

数字电子技术基础:锁存器#数字电子技术

锁存器,元器件,锁存器
202

锁存器的或门置位

SR
200

#硬声创作季 #STM32 学STM32-70 外部SRAM实验-1

锁存器,元器件,锁存器
292

51.2 SR锁存器 (3)#锁存器

锁存器,元器件,数字威廉希尔官方网站
,威廉希尔官方网站
设计分析,锁存器
276

52. SR锁存器 (4)#锁存器 #数字威廉希尔官方网站

数字威廉希尔官方网站
,威廉希尔官方网站
设计分析,锁存器
265

49.SR锁存器 (1)#锁存器 #数字威廉希尔官方网站

锁存器,元器件,数字威廉希尔官方网站
,威廉希尔官方网站
设计分析,锁存器
263

53. D锁存器 (1)#锁存器 #数字威廉希尔官方网站

数字威廉希尔官方网站
,威廉希尔官方网站
设计分析,锁存器,元器件,锁存器
262

50. SR锁存器 (2)#锁存器 #数字威廉希尔官方网站

锁存器,元器件,数字威廉希尔官方网站
,威廉希尔官方网站
设计分析,锁存器
252

54. D锁存器 (2) #锁存器 #数字威廉希尔官方网站

经验分享,行业芯事,工具使用,威廉希尔官方网站
设计分析,锁存器
247

锁存器的与门复位#工作原理大揭秘

锁存器,元器件
243

单推锁存威廉希尔官方网站 #工作原理大揭秘

威廉希尔官方网站
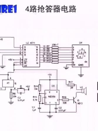
分析,抢答器,逻辑芯片,锁存
205

#硬声创作季 抢答器威廉希尔官方网站 工作原理,逻辑芯片构成,威廉希尔官方网站 结构简单,如何实现锁存

IC设计,数字集成威廉希尔官方网站
,锁存
200

#硬声创作季 数字集成威廉希尔官方网站 设计:82.1锁存式时钟控制