12
0
0
jf_14451220
18701997398安科瑞嵌入式安装电表96外形可编程防窃电适用于低压柜抽屉柜配电柜#物联网 #威廉希尔官方网站 原理
打开App,查看更多精彩内容
相关推荐
评论0
356
24
三相电表有功无功指示灯闪烁故障蜂鸣器报警原因: 1.电流不平衡,2.电压波动,3.线路接触不良。#威廉希尔官方网站 知识
数采物联网
96
8
新品速递:Bourns推出符合AEC-Q200标准车规级高隔离反激式变压器系列
电子发烧友网官方
119
9
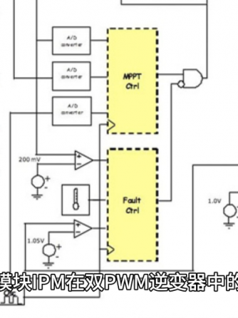
智能模块IPM在双PWM逆变器中的应用
深圳市宝威特电源有限公司
183
11
一分钟学会区别MOS管好坏情况# #威廉希尔官方网站 知识 #电工 #威廉希尔官方网站 原理 #电工知识 #工作原理大揭秘
MDD辰达半导体
406
11
理想: 百分百做人形机器人,不做Robotaxi
电子发烧友网官方
140
10
傲颖-水样蒸发仪-解说视频
jf_12990097
141
10
一文搞懂!什么是RS485通讯?#RS485 #rs232 #数据采集卡 #仪器仪表
西安阿尔泰电子科技发展有限公司
140
10
程斯-水样蒸发仪-视频解说
jf_62302303
140
10
全封闭式智能水表#气密检测设备 -连拓精密#气密性测试设备
连拓精密科技
140
10
激光对射穿透玻璃报警测试
SASDSAS
159
12
高效静电消除棒,静电的终结者,为您的产线保驾护航 #静电消除器
深圳市荣盛源科技有限公司
7605
88
硬声福利#电子制作
陈运华
6300
121
【对比评测】最贵的竟然最差?五款五百元左右热门有线HiFi耳机评#硬声创作季
乱弹发烧友
6584
300
01)IC芯片丝印的年份应该怎么看?
芯广场
3878
262
慕尼黑华南电子展,将于11月15-17日在深圳国际会展中心举办!#2022慕尼黑华南电子展
新知录
8993
161
如何设计一个锂电池充电威廉希尔官方网站 #威廉希尔官方网站 设计
小鱼教你模数电
5581
142
家电维修初学者之好学好用,真心不错,快速入行门道#电工知识 #电工
电器维修
4695
97
#硬声创作季 fpv眼镜,同等体积下,最具性价比的穿越机眼镜
纸箱里的猫咪
1.0w
284
如何取大体积芯片?
8号线攻城狮
在App内观看