硬声

学习电子知识

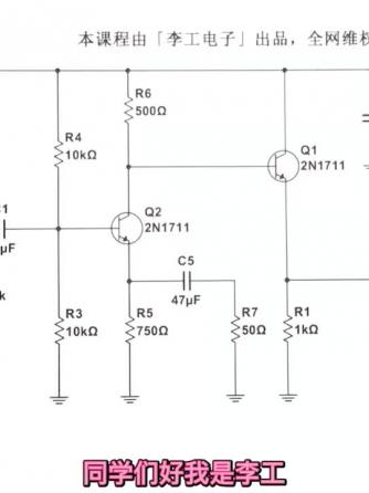
00029 什么是甲类功放?这节视频来简单介绍下甲类功放工作原理!

打开App,查看更多精彩内容
相关推荐 评论0
元器件,音箱/音响,HIFI,立体声,甲类功放
1327

自制1969甲类功放,真HIFI!立体声测试及制作过程

PCB加工,实验室,甲类功放
547

#硬声创作季 自己第一块甲类功放,从PCB打板到元器件的采购到焊接都是自己完成的,这要感谢HACK实验室的开源

音频放大,音频技术,偏置威廉希尔官方网站
,甲类功放
518

由重载所引起的增益衰减,偏置威廉希尔官方网站 调整方法,甲类功放的缺点#硬件设计遇到过哪些坑?

音响,甲类功放,功放
306

#硬声创作季 我们的金嗓子线路A75纯甲类功放—生产全程#现场实拍 #装机过程 #发烧hifi 

威廉希尔官方网站
设计分析,元器件,甲类功放
196

乙类功放推挽式放大威廉希尔官方网站 工作原理讲解,与甲类功放相比哪些优缺点#硬声创作季

威廉希尔官方网站
设计分析,甲类功放
186

什么是甲类功放?这节视频来简单介绍下甲类功放工作原理!#硬声创作季

集成威廉希尔官方网站
,电子,功放,功放威廉希尔官方网站
图,甲类功放,放电,功放
161

第33期 01 三极管放大,成本5元的甲类功放威廉希尔官方网站 ,效果超乎想象#硬声创作季

行业资讯,行业芯事
96

新品速递:Bourns推出符合AEC-Q200标准车规级高隔离反激式变压器系列

光立方
911

#我和我的作品 光立方

单片机
568

#电子元器件

行业资讯,行业芯事
406

理想: 百分百做人形机器人,不做Robotaxi

面包板,威廉希尔官方网站
398

#面包板威廉希尔官方网站

光控
1121

#威廉希尔官方网站 设计 灯光控制

通信
119

5W大功率全双工模块传输距离实测#思为无线 #全双工 #远距离通信

网络分析仪
120

猜猜视频中都有哪些仪器设备?#维修日常 #维修工程师 #示波器 #网络分析仪

控制系统
120

正运动开放式数控系统在五轴义齿机上的应用 #正运动技术 #运动控制 #运动控制系统 #CNC加工

串口屏
120

广州大彩串口屏7寸线控器再次升级,主频性能大幅度提升!# #plc教学 #单片机 #广州大彩串口屏

物联网
119

今天给大家介绍一下rfid超高频零售标签 #rfid标签 #零售标签

传感器
119

温湿光传感器