硬声

英飞凌工业半导体

英飞凌单管功率器件的SPICE模型解析及使用方法# #工欲善其事必先利其器,晒一晒你的工具库

打开App,查看更多精彩内容
相关推荐 评论3
集成威廉希尔官方网站
,模型,数字集成威廉希尔官方网站
1986

#硬声创作季 #数字集成威廉希尔官方网站 数字集成威廉希尔官方网站 设计-3.2.1 导线模型-集总RC和分布式RC模型-2

晶闸管,功率器件,元器件
1127

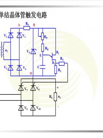
#电子工程师 #晶闸管单结型晶体管触发威廉希尔官方网站 分析

晶闸管,功率器件,元器件
1020

#电子工程师晶闸管的导通角和控制角

晶闸管,功率器件,元器件
993

#电子工程师 #晶闸管单结型晶体管触发威廉希尔官方网站 带电磁隔离

晶闸管,功率器件,元器件
958

#电子工程师 #晶闸管单相交流调压器

晶闸管,功率器件,元器件
954

#电子工程师晶闸管相关参数简介

晶闸管,功率器件,元器件
944

#电子工程师晶闸管组成的全桥威廉希尔官方网站

晶闸管,功率器件,元器件
925

#电子工程师晶闸管简介

晶闸管,功率器件,元器件
911

#电子工程师晶闸管相关的计算

晶闸管,功率器件,元器件
873

#电子工程师 #晶闸管双向晶闸管的应用威廉希尔官方网站

晶闸管,功率器件,元器件
869

#电子工程师 #晶闸管比较原始的晶闸管触发威廉希尔官方网站

晶闸管,功率器件,元器件
826

#电子工程师 #晶闸管三相半控桥式整流威廉希尔官方网站 的波形分析

晶闸管,功率器件,元器件
790

#电子工程师 #晶闸管双向晶闸管的应用威廉希尔官方网站

晶闸管,功率器件,元器件
773

#电子工程师 #晶闸管三相半波可控制流威廉希尔官方网站 波形分析

编译码器,元器件,功率器件
772

#电子技术 #数字电子技术基础 编码器 3线8线编码器 优先编码器

编译码器,元器件,功率器件
767

#电子技术 #数字电子技术基础 编码器 二进制十进制编码器

晶闸管,功率器件,元器件
756

#电子工程师 #晶闸管双向晶闸管的应用威廉希尔官方网站

编译码器,元器件,功率器件
752

#电子技术 #数字电子技术基础 编码器 3线8线译码器 数字威廉希尔官方网站 38译码器

编译码器,元器件,功率器件
737

#电子技术 #数字电子技术基础 编码器 3线8线编码器 数字威廉希尔官方网站

晶闸管,功率器件,元器件
727

#电子工程师 #晶闸管双向晶闸管的应用威廉希尔官方网站