大研智造:激光焊锡机,微电子制造的革新力量#电子制作 #机械制造 #pcb #电子制造
 #微电子焊接

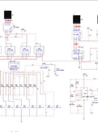
jf_44781395

大研智造:激光焊锡机,微电子制造的革新力量#电子制作 #机械制造 #pcb #电子制造 #微电子焊接

打开App,查看更多精彩内容
相关推荐 评论0
Arduino,pcb,led
1265

小时候的一个幻想,现在终于实现了!OLED屏幕笔 #diy #单片机 #pcb #电子 #arduino

锡焊,焊接
858

#硬声创作季 BK881二合一综合焊台感应休眠功能设置

传感器,pcb
646

【安装教程】教你正确安装ART_DAQ采集卡驱动#数据采集卡 #阿尔泰科技 #plc #传感器 #pcb

pcb,ESP,PCB设计
577

ESP 多彩灯光控制板PCB设计

pcb,测量仪
561

PCB应力应变测试方法与步骤/TSK-32-32C品控科技阿克蒙德测试仪#pcb设计 #威廉希尔官方网站 设计

pcb,PCB设计,微带线,带状线,布线规范
557

什么是PCB微带线,什么是带状线?PCB设计时如何选择#威廉希尔官方网站 知识 #pcb设计 #PCB设计教学

焊接
497

日常小焊

pcb
452

pcb板高度测量

pcb,焊接
443

PCB通孔插针送丝,激光送丝焊接,激光锡焊,易为芯光电

altium,电源,pcb
438

Altium教程 第27课 原理图如何导入PCB及导入常见报错

pcb,硬件
436

PCB走线的传输延时有多少#硬件设计

pcb,PCB设计
427

【硬核科普】PCB工艺系列—第07期—外层图形电镀 #嵌入式开发 #pcb

焊接,芯片
424

芯片明明是原装为什么还经常不良,烧录不进,调试不出等问题?

pcb
423

求大佬讲解,PCB板咋焊接#威廉希尔官方网站 原理 #电工知识 #电子制作

pcb,PCB设计
422

今天带大家来vivo车间看看,手机的PCBA威廉希尔官方网站 板原来是这样制作出来的!

pcb
417

PCB片料单双张检测--选阿童木双张检测器

烙铁,焊接,烙铁,焊接
417

#硬声创作季 良禽择木而栖,今年初三学生中考的筛选 ,没想到比高考还提前难。难倒了初三的家长648分的留下

pcb
534

pcb样板开箱

altium,电源,pcb
422

在家闲散,完善一下TFT屏幕的颜色换算器

pcb
412

QFP和QFN的区别,你清楚嘛?