模拟技术
Matthew “Rusty” Juszkiewicz
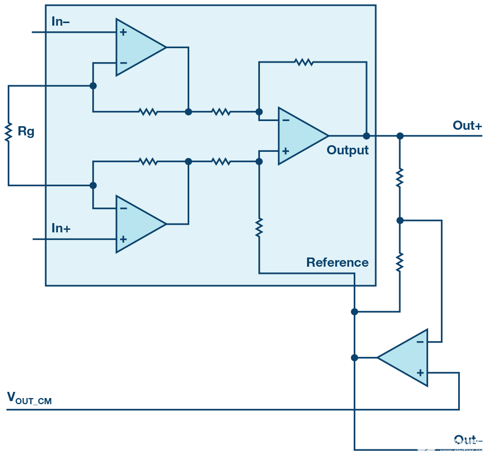
随着精度的不断提升,全差分信号链组件的性能越来越受欢迎,其中一个主要优势是噪声抑制,可以通过信号路由拾取。由于输出会拾取这种噪声,因此误差会很常见,因此在信号链中会进一步衰减。此外,在同一电源上,差分信号可以实现两倍于单端信号的信号范围。因此,对于全差分信号,信噪比(SNR)更高。经典的三运放仪表放大器(仪表放大器)具有许多优点,包括共模信号抑制、高输入阻抗和精确(可调)增益;但是,当需要全差分输出信号时,它就不足了。已经使用了几种方法来实现使用标准元件的全差分仪表放大器。但是,它们也有其自身的缺点。

图1.经典仪表放大器。
一种技术是使用运算放大器驱动基准引脚,正输入为共模,负输入位于两个将输出连接在一起的匹配电阻的中心。此配置使用仪表放大器输出作为正输出,将运算放大器输出用作负输出。由于两个输出是不同的放大器,这些放大器之间的动态性能不匹配会极大地影响整体威廉希尔官方网站 性能。此外,两个电阻的匹配会导致输出共模随输出信号移动,从而导致失真。设计该威廉希尔官方网站 时,在选择放大器时必须考虑稳定性,并且可能需要在运算放大器上安装反馈电容,这限制了威廉希尔官方网站 的总带宽。最后,该威廉希尔官方网站 的增益范围基于仪表放大器。因此,小于 1 的增益是无法实现的。

图2.使用外部运算放大器产生反相输出。
另一种技术是将两个仪表放大器并联,并联开关输入。与以前的威廉希尔官方网站 相比,这种配置具有更好的匹配驱动威廉希尔官方网站 和频率响应。但是,它不能获得少于两个的收益。该威廉希尔官方网站 还需要精密匹配增益电阻来实现纯差分信号。这些电阻的失配会导致输出共模电平发生偏移,其影响与以前的架构相同。

图3.使用第二个仪表放大器产生反相输出。
这两种方法对可实现的增益以及对匹配元件的要求都有限制。
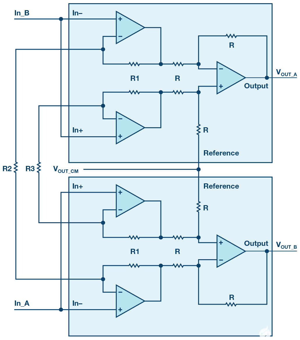
新的交叉连接技术
如图4所示,通过交叉连接两个仪表放大器,该新威廉希尔官方网站 使用单个增益电阻提供具有精确增益或衰减的全差分输出。通过将两个基准引脚连接在一起,用户可以根据需要调整输出共模。

图4.交叉连接技术—产生差分仪表放大器输出的解决方案。
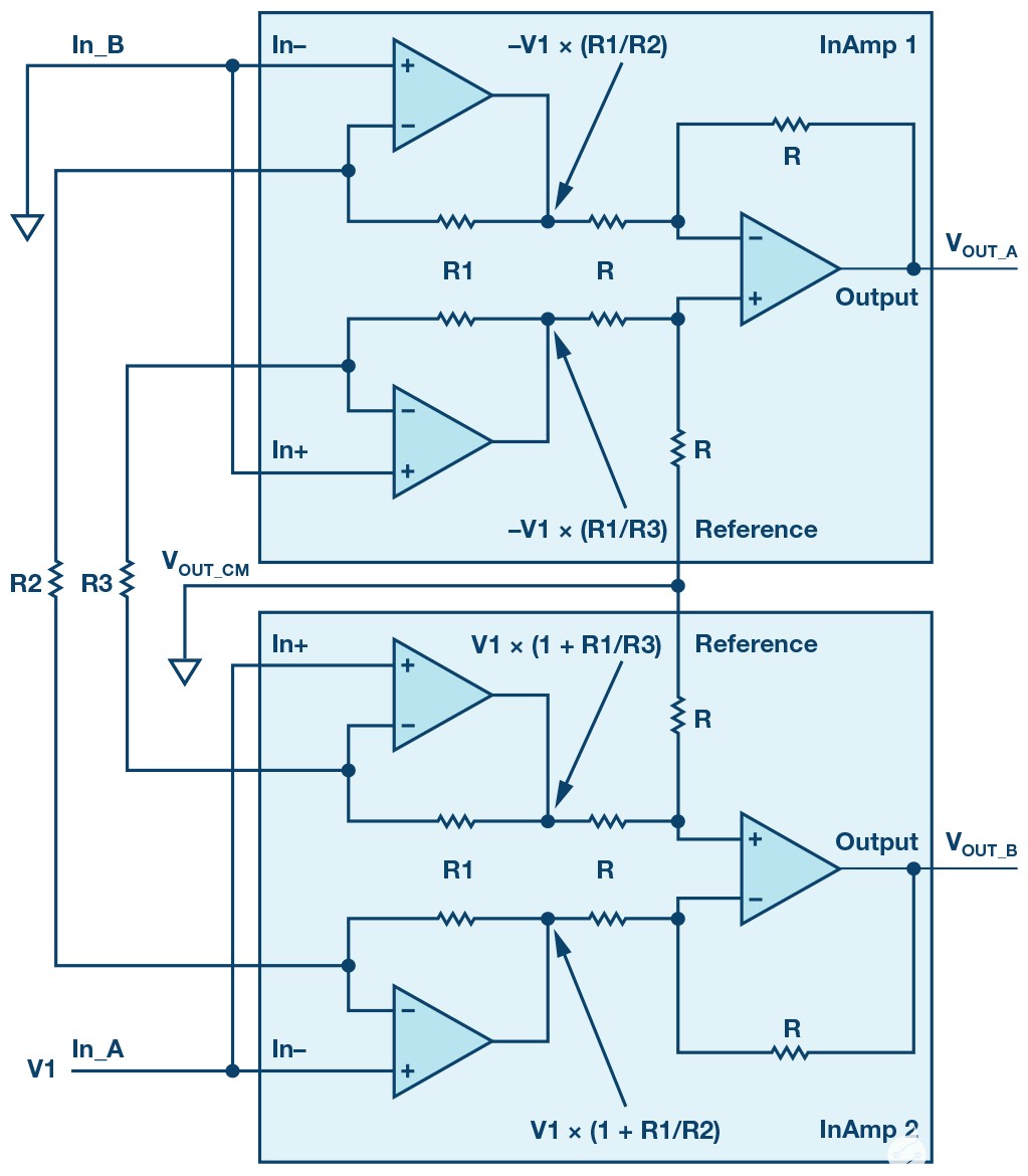
In_A的增益由以下公式得出。由于输入电压出现在仪表放大器2输入缓冲器的正端,而电阻R2和R3的另一端为0 V,因此这些缓冲器的增益遵循同相运算放大器配置的公式。类似地,对于仪表放大器1的输入缓冲器,增益遵循反相运算放大器配置。由于差动放大器中的所有电阻都匹配,因此缓冲器输出的增益是一致的。

图5.仪表放大器内部的匹配电阻是交叉连接技术的关键。

通过对称性,如果在In_B施加电压V2,在地施加In_A,则结果如下:

将两个结果结合起来,得到威廉希尔官方网站 的增益。

增益电阻R3和R2设置威廉希尔官方网站 的增益,只需一个即可实现全差分信号。正/负输出取决于安装的电阻器。不安装R3将导致增益方程中的第二项变为零。因此,所得增益为R2/R1×2。不安装R2将导致增益方程中的第一个项变为零。因此,所得增益为R2/R1×3。需要注意的另一件事是,增益纯粹是一个比率,因此可以实现小于 2 的增益。请记住,由于R3和R<>对增益的影响相反,包括两个增益电阻会使第一级的增益高于输出。如果在选择电阻值时不小心,这可能会加剧第一级运算放大器引起的输出失调。
为了演示该威廉希尔官方网站 的使用,将两个仪表放大器AD8221连接在一起。数据手册列出的R1为24.7 kΩ,因此当R2为49.4 kΩ时,可以实现<>的增益。
CH1 是 In_A 处的输入信号,CH2 是 V外_A,CH3 为 V外红细胞输出A和B匹配且异相,并且与输入信号的幅度差相等。

图6.增益 = 1 的测量结果使用交叉连接技术生成差分仪表放大器输出信号。
接下来,通过将49.4 kΩ增益电阻从R2移至R3,威廉希尔官方网站 的新增益为–1。现在Out_A与输入异相,输出之间的差等于输入信号的幅度。

图 7.增益 = –1 的测量结果,使用交叉连接技术生成差分放大器内输出信号。
如前所述,其他技术的一个限制是无法实现衰减。按照增益公式,使用R2 = 98.8 kΩ,威廉希尔官方网站 将输入信号衰减两倍。

图 8.增益 = 1/2 的测量结果,使用交叉连接技术生成差分仪表放大器输出信号。
最后,为了证明高增益,选择R2 = 494 Ω来实现G = 100。

图9.增益 = 100 的测量结果采用交叉连接技术生成差分仪表放大器输出信号。
威廉希尔官方网站 执行如增益方程所述。为了获得最佳性能,使用此威廉希尔官方网站 时应采取一些预防措施。增益电阻的精度和漂移会增加仪表放大器的增益误差,因此根据误差要求选择合适的容差。由于仪表放大器Rg引脚上的电容会导致频率性能不佳,因此如果需要高频性能,则应小心这些节点。此外,两个仪表放大器之间的温度不匹配会因失调漂移而导致系统失调,因此此处应注意布局和负载。使用像AD8222这样的双通道仪表放大器有助于克服这些潜在问题。
结论
交叉连接技术在保持仪表放大器所需特性的同时提供附加功能。尽管讨论的所有示例都实现了差分输出,但在交叉连接威廉希尔官方网站 中,输出的共模不像其他架构那样受到电阻对失配的影响。因此,始终可以实现真正的差分输出。此外,如增益公式所示,差分信号衰减是可能的,这消除了以前需要漏斗放大器的需要。最后,输出的极性由增益电阻的位置(使用R2或R3)决定,这为用户提供了更大的灵活性。
审核编辑:郭婷
全部0条评论
快来发表一下你的评论吧 !