无线/传感
目前我国主要是依靠人工抄表收费,但存在入户难、企业管理费用开支高、效率低等诸多问题,已不能适应社会发展要求.智能化网络自动抄表系统成为必然趋势。而自动抄表技术的关键是改造传统的电表电量计量,即传统电表的电量检测与控制是实现自动抄表的核心。实现方法众多,如数字电表、基于IC卡电表等,但我国许多用户还是采用传统的磁电式电表。因此改造该电表是首要问题。传统的磁电式电表检测是利用红外检测、光电检测等方法,然后利用无线或红外发送方式传送到计算机或掌上机,以实现自动抄表。
这里提出的无线抄表检测系统是基于掌上无线近距离抄表系统,检测电能表的转数,通过串行通讯口传送数据到掌上抄表器.从而控制断、送电。
威廉希尔官方网站 原理
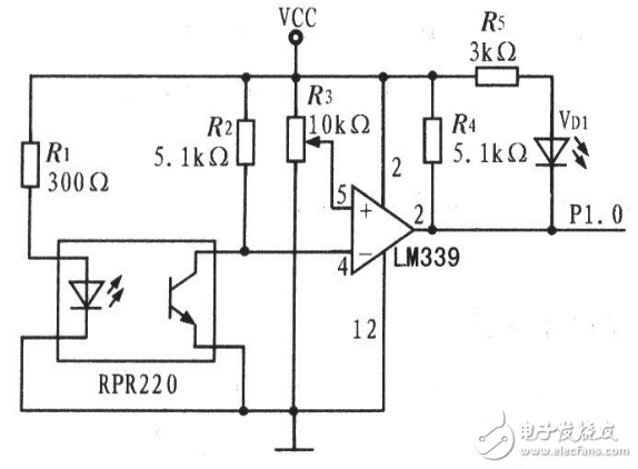
光电检测模块
光电检测模块是准确测量用户电表表盘转数。常用检测方法:红外线对射式和反射式。而采用红外线对射式方法实现该系统设计较复杂,需将用户电表的表盘打孔。但采用红外线反射式方法较简单。只需在用户的表盘上做明显标记。因此该系统检测选用RPR220型反射式红外线识别传感器。在用户的电表表盘的某处用暗色油漆做标记,采用 RPR220识别无、有标记处,通过电压比较器比较输出高低电平信号,当检测到有标记时,比较器输出高电平,发光二极管不发光;当检测到无标记时,比较器输出低电平,发光二极管发光。图1为光电检测部分威廉希尔官方网站 原理。

图1 光电检测威廉希尔官方网站 原理
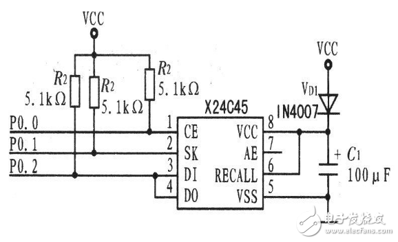
存储器模块模块设计
由于该系统检测模块需要储存大量数据,并具有掉电自动保存数据功能,X24C45是按16x16方式组织的SRAM和EEPROM位对位构成的串行 256 位NOVRAM(非易失性SRAM),另外,X24C45具有上电时自动调出,掉电时自动存储(Autostore)数据的功能,所以这里采用 X24C45实现数据存储功能。上电后,SRAM和EEPROM的数据互相传送。对SRAM操作,读写次数无任何限制。一旦电源电压降至4.3 V以下,数据便自动从SRAM保存到EEPROM中。为保证数据能够可靠存入EEPROM,电源电压不能下降太快,其典型时间为5 ms,带有电容的系统中一般都能够满足。EEPROM具有1 000 000次的存储寿命,数据可保存100年以上。
X24C45的读写操作都是针对SRAM的,因而其读写次数无限制。X24C45内部有8位指令寄存器,单片机通过SK和DI进行访问。在整个数据操作期间,CE必须保持高电平。图2为X24C45与AT89C51单片机的接口威廉希尔官方网站 。

图2 X24C45与单片机的接口威廉希尔官方网站
编者结语
无线掌上抄表系统是以单片机为控制器,以其高性能、高速度、体积小、价格低廉、稳定可靠的特点应用于该系统。解决了目前传统抄表中的入户难、企业管理费用开支高、查表收费人员工作条件差、效率低、劳动强度大等问题。自动抄表系统是我国抄表行业的必然发展趋势。
全部0条评论
快来发表一下你的评论吧 !