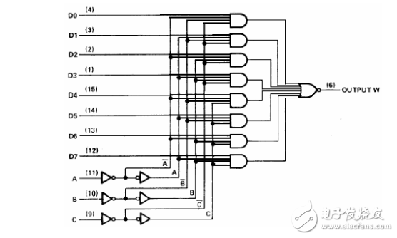
LSTTL型8选1数据选择器74LS152,这种单片数据选择器包含全芯片的二进制译码,以便从 8 个数据中选择 1 个数据输出。
特点:
执行并-串行转换
可用于 N 线到 1 线的多路选择
可作布尔函数发生器
输入箝位二极管简化系统设计
与大多数 TTL 和 DTL 威廉希尔官方网站
完全相容
74LS152逻辑图:

声明:本文内容及配图由入驻作者撰写或者入驻合作网站授权转载。文章观点仅代表作者本人,不代表电子发烧友网立场。文章及其配图仅供工程师学习之用,如有内容侵权或者其他违规问题,请联系本站处理。 举报投诉
全部0条评论
快来发表一下你的评论吧 !