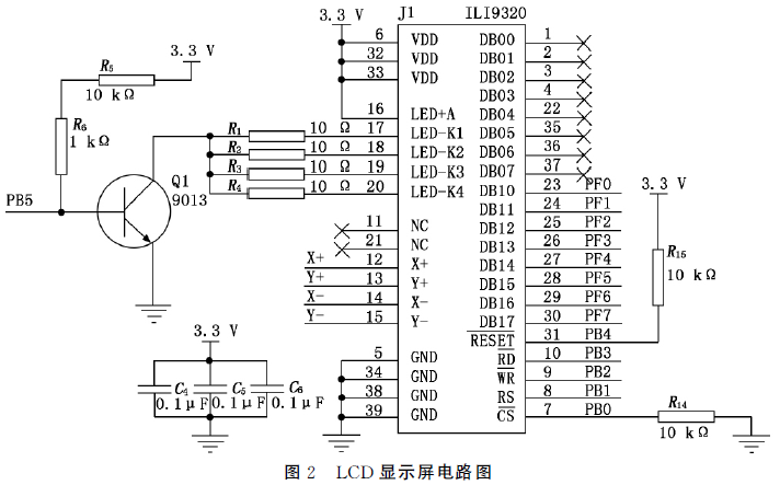
触摸屏是目前最易于使用的人机交互系统。介绍了触摸屏的分类,并以四线电阻触摸屏为例,介绍了它的工作原理;然后给合ILI9320液晶显示屏,给出了其基于LM3S1138处理器的硬件威廉希尔官方网站 ;并且简单介绍了触摸屏的校正原理,以及如何开发基于GRLIB库的图形化应用程序,最后给出了相应的软件流程图。

声明:本文内容及配图由入驻作者撰写或者入驻合作网站授权转载。文章观点仅代表作者本人,不代表电子发烧友网立场。文章及其配图仅供工程师学习之用,如有内容侵权或者其他违规问题,请联系本站处理。 举报投诉
全部0条评论
快来发表一下你的评论吧 !