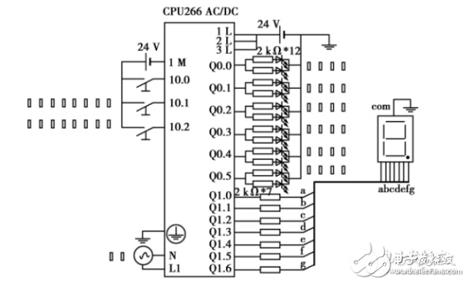
该系统采用西门子S7-200PLC,为了能达到较好的教学效果,采用红、绿、黄三种发光二极管模拟交通信号灯,七段数码显示器显示工作时间,根据系统的输入输出点数采用CPU226AC/DC型PLC,共有24输入点,16个输出点,系统I/O地址定义如表所示。

由于东西和南北方向的信号灯显示时间一致,故采用信号灯并联,以节约PLC输出点数。考虑到发光二极管和七段数码管的耐压情况,采用在PLC的输出端串联2kΩ电阻限流,七段数码显示器使用SM4205共阴型数码显示器,相应的硬件接线图形如图所示。

常见的交通灯控制程序采用多个定时器设计,程序繁琐复杂。在此采用一个定时器,通过数据比较指令,把信号灯闪亮的时间顺序依次分段,并采用特殊存储器SM0.5实现东西绿灯和南北绿灯的闪烁。用SEG指令把时间译码送到七段数码管显示。用4个位存储器实现互锁和强通信号结束标志。程序简单,思路清晰,易于理解。梯形图程序如图所示。

打开MCGS组态软件,在组态环境的“用户窗口”中组态动画,根据工具箱提供的绘画工具,设计十字交通灯监控系统画面如图所示。

声明:本文内容及配图由入驻作者撰写或者入驻合作网站授权转载。文章观点仅代表作者本人,不代表电子发烧友网立场。文章及其配图仅供工程师学习之用,如有内容侵权或者其他违规问题,请联系本站处理。 举报投诉
全部0条评论
快来发表一下你的评论吧 !