汽车电子
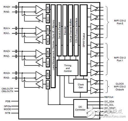
TI公司的DS90UB964-Q1是多功能摄像头集线器,可通过FPD-Link III接口连接4个独立视频数据流所收到的串行摄像头数据,与DS90UB913A/913Q串行器相结合时,可接收来自100万像素图像传感器的数据,并在30Hz或60Hz帧速率下支持720p/800p/960p分辨率,主要用在汽车ADAS系统如环视系统,照相机监视系统,传感器融合以及安全和监视系统.本文介绍了DS90UB964-Q1主要特性,功能框图,应用威廉希尔官方网站 框图以及评估模块DS90UB96X-Q1EVM主要特性,威廉希尔官方网站 图,材料清单和PCB设计图.
The DS90UB964-Q1 is a versatile camera hubcapable of connecting serialized camera datareceived from 4 independent video datastreams viaan FPD-Link III interface. When coupled withDS90UB913AQ/913Q/933Q serializers, theDS90UB964-Q1 receives data from 1-Megapixelimage sensors supporting 720p/800p/960p resolutionat 30-Hz or 60-Hz frame rates. Data is received andaggregated into a MIPI CSI-2 compliant output forinterconnect to a downstream processor. A secondMIPI CSI-2 output port is available to provideadditional bandwidth, or offers a second replicatedoutput.
The DS90UB964-Q1 includes 4 FPD-Link IIIdeserializers, each enabling a connection via costeffective50-Ω single-ended coaxial or 100-Ωdifferential STP cables. The receive equalizerautomatically adapts to compensate for cable losscharacteristics, including degradation over time.
Each of the FPD-Link III interfaces also includes aseparate low latency bi-directional control channelthat conveys control information from an I2C port andis independent of video blanking period. Generalpurpose I/O signals such as those required forcamera synchronization and functional safetyfeatures also make use of this bi-directional control channel.
DS90UB964-Q1主要特性:
1• Qualified for Automotive Applications
• AEC-Q100 Qualified With the Following Results:
– Device Temperature Grade 2: –40℃to +105℃
Ambient Operating Temperature Range
– Device HBM ESD Classification Level ±4 kV
– Device CDM ESD Classification Level C6
• Aggregates Data From up to 4 Cameras OverFPD-Link III Interface
• Supports 1-Megapixel Sensors With HD720p/800p/960p Resolution at 30-Hz or 60-Hz
Frame Rate
• Multi-Camera Synchronization
• MIPI DPHY Version 1.2 / CSI-2 Version 1.3Compliant
– 2× CSI-2 Output Ports
– Supports 1, 2, 3, 4 Data Lanes per CSI-2 port
– CSI-2 Data Rate Scalable for 400 Mbps / 800Mbps / 1.5 Gbps / 1.6 Gbps each Data Lane
– Programmable Data Types
– Four Virtual Channels
– ECC and CRC Generation
• Supports Single-Ended Coaxial or ShieldedTwisted-Pair (STP) Cable
• Adaptive Receive Equalization
• I2C With Fast-Mode Plus up to 1 Mbps
• Flexible GPIOs for Camera Sync and FunctionalSafety
• Compatible With DS90UB913AQ/913Q/933QSerializers
• CRC protection on the internal Data Path
• ISO 10605 and IEC 61000-4-2 ESD Compliant
DS90UB964-Q1应用:
• Automotive ADAS
– Surround View Systems
– Camera Monitoring Systems
– Sensor Fusion
• Security and Surveillance

图1.DS90UB964-Q1功能框图

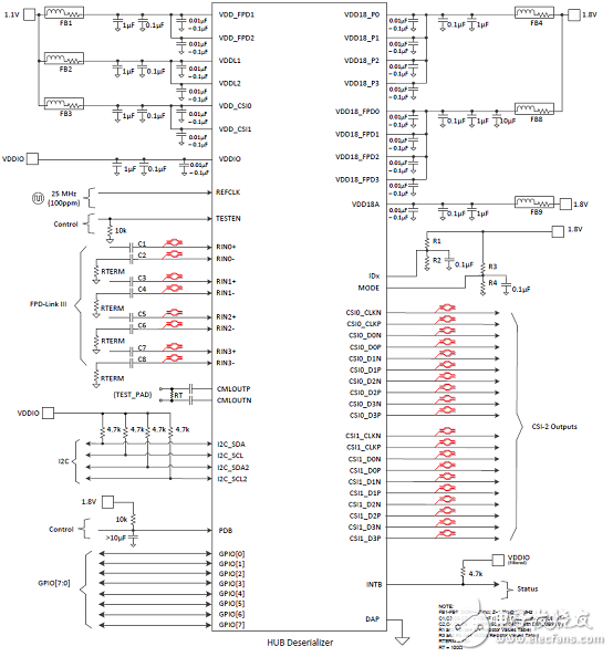
图2.DS90UB964-Q1典型应用威廉希尔官方网站
框图

图3.DS90UB964-Q1典型连接图(同轴)
评估模块DS90UB96X-Q1EVM
The Texas Instruments DS90UB96X-Q1EVM evaluation module (EVM) is a functional board design forevaluating the FPD-Link III Deserializer to MIPI CSI-2 ADAS (Advanced Driver Assistance Systems) Hub.
This kit will demonstrate the functionality and operation of the DS90UB96X-Q1 family of chipsets. Theinformation provided in this document can be applied to devices such as DS90UB964-Q1. This EVM canalso be used as a hardware reference design for any implementation of the DS90UB96X-Q1 series. Someportions and components in the EVM or in this document may include the references to DS90UB964-Q1instead of addressing all part numbers. For the purposes of this document, the DS90UB964-Q1 is interchangeable with the DS90UB96X-Q1.
The DS90UB96X-Q1 is a versatile camera hub capable of connecting serialized camera data receivedfrom up to 4 independent video datastreams via an FPD-Link III interface using standard coaxial cables.When coupled with DS90UB913A/913Q serializers, the DS90UB964-Q1 receives data from 1-Megapixelimagers supporting HD 720p/800p/960p resolution at 30/60Hz frame rates. The DS90UB96X-Q1 mergesand manages multiple data streams into a MIPI CSI-2 compliant output for interconnect to a downstreamprocessor.
The EVM is a development add-on module to add surround view capability to any of a variety of videoprocessor systems such as the TI TDA3x ADAS Processor, or an Applications Processor, Image SignalProcessor (ISP), and SOC. The system consists of four cameras each of which receives controlinformation and power through FAKRA coaxial cables, and uses the same cable to return the videoinformation to an EVM board. Each of the FPD-Link III interfaces also includes a separate low latency bidirectionalcontrol channel that conveys control information from an I2C port. General purpose I/O signalssuch as those required for camera synchronization and functional safety features also make use of this bidirectionalcontrol channel.
The Texas Instruments DS90UB96X-Q1EVM helps to evaluate the operation and performance of theDS90UB964-Q1 and is available for order in two variants.
评估模块DS90UB96X-Q1EVM主要特性:
• Aggregates data from up to 4 cameras over FPD-Link III interface
• Supports 1-Megapixel sensors with HD 720P/800P/960P resolution at 30/60Hz frame rate (paired w/DS90UB913A)
• Multi-camera synchronization
• Supports MIPI DPHY 1.2/CSI-2 Version 1.3 compliant
– 2x CSI-2 output ports
– Supports 1, 2, 3, 4 data lanes per CSI-2 port
– CSI-2 data rate scalable for 400 Mbps/800 Mbps/1.6 Gbps per data lane
– Programmable data types
– Four Virtual Channels
– ECC and CRC generation
• Supports Single-ended Coax cable and Power Over Coax
• Adaptive receive equalization
• I2C with Fast-mode Plus up to 1 Mbps
• Flexible GPIOs for camera sync and functional safety
• Single +12V power supply for EVM
评估模块DS90UB96X-Q1EVM主要元件:
• DS90UB964-Q1
• On-board Power-over-Coax (POC) interface
• Four Fakra coax connectors for digital video, power, control and diagnostics
• Samtec QSH type connectors on CSI-2 interfaces
• On-board I2C programming interface

图4.评估模块DS90UB96X-Q1EVM外形图

图5.评估模块DS90UB96X-Q1EVM典型配置图

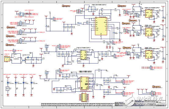
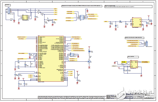
图6.评估模块DS90UB96X-Q1EVM威廉希尔官方网站 图(1)

图7.评估模块DS90UB96X-Q1EVM威廉希尔官方网站 图(2)

图8.评估模块DS90UB96X-Q1EVM威廉希尔官方网站 图(3)

图9.评估模块DS90UB96X-Q1EVM威廉希尔官方网站 图(4)

图10.评估模块DS90UB96X-Q1EVM威廉希尔官方网站 图(5)

图11.评估模块DS90UB96X-Q1EVM威廉希尔官方网站 图(6)

图12.评估模块DS90UB96X-Q1EVM威廉希尔官方网站 图(7)
装配SV601176-001的评估模块DS90UB96X-Q1EVM材料清单:





装配SV601176-002的评估模块DS90UB96X-Q1EVM材料清单:






图13.评估模块DS90UB96X-Q1EVM PCB设计图(顶层)

图14.评估模块DS90UB96X-Q1EVM PCB设计图(顶层焊接图)

图15.评估模块DS90UB96X-Q1EVM PCB设计图(顶层1)

图16.评估模块DS90UB96X-Q1EVM PCB设计图(层2)

图17.评估模块DS90UB96X-Q1EVM PCB设计图(层3)

图18.评估模块DS90UB96X-Q1EVM PCB设计图(层4)

图19.评估模块DS90UB96X-Q1EVM PCB设计图(层5)

图20.评估模块DS90UB96X-Q1EVM PCB设计图(底层6)

图21.评估模块DS90UB96X-Q1EVM PCB设计图(底层焊接图)

图22.评估模块DS90UB96X-Q1EVM PCB设计图(底层)
全部0条评论
快来发表一下你的评论吧 !