完善资料让更多小伙伴认识你,还能领取20积分哦, 立即完善>
扫一扫,分享给好友
数控直流电源设计
一、系统组成与原理概述本文所设计的数控直流电源与传统稳压电源相比,具有操作方便、电压稳定度高的特点,其输出电压大小采用数字显示,原理方框组成图见图1。它共由六部分组成。输出电压的大小调节通过“+”、“-”两键操作,控制可逆计数器分别作加、减计数,可逆计数器的二进制数字输出分两路运行:一路用于驱动数显威廉希尔官方网站 ,指示电源输出电压的大小值;另一路进入D/A转换威廉希尔官方网站 ,D/A转换器将数字量按比例转换成模拟电压,然后经过射极跟随器控制调整输出级输出所需的稳定电压。为了实现上述几部分威廉希尔官方网站 的正常工作,需另制±15V和±5V的稳压直流电源及一组未经稳压的12~17V的直流电压。
二、具体实现威廉希尔官方网站
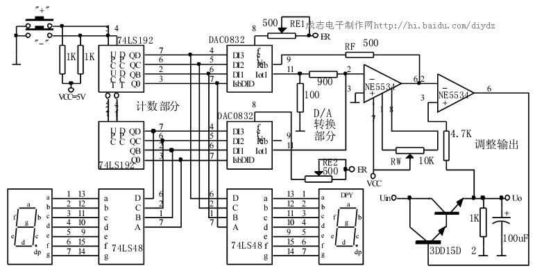
根据以上数控直流电源的方框图,采用集成威廉希尔官方网站 设计了输出电压为0~9.9V的数控电源,详细威廉希尔官方网站 原理如图2所示。
1. 威廉希尔官方网站 简介两按钮开关作为电压调整键与可逆计数器的加计数和减计数输入端相连,可逆计数器采用两片四位十进制同步加/减计数集成块74LS192级联而成,把第一块的进位和借位输出端分别接到下一组的加计数端和减计数端。两级计数器总计数范围从00000000至10011001(即0~99)。数显译码驱动采用两块74LS248集成块,74LS248为四线-七段译码器/驱动器,内部输出带上拉电阻,它把从计数器传送来的二-十进制的8421码转换成十进制码,并驱动数码管显示数码。 数模转换威廉希尔官方网站 采用两块DAC0832集成块,它是一个8位数/模转换器,这里只使用高4位数字量输入端。由于DAC0832不包含运算放大器,所以需要外接一个运算放大器相配,才构成完整的DAC,低位DAC输出模拟量经9∶1的分流器分流后与高位DAC输出模拟量相加后送入运放,运放将其转换成与数字端输入的数值成正比的模拟输出电压,运放采用具有调零端的低噪声高速率优质运放NE5534。 调整输出级采用运放作射极跟随器,使调整管的输出电压精确地与D/A转换器输出电压保持一致。调整管采用大功率达林顿管,确保威廉希尔官方网站 的输出电流值达到设计要求。数控电源各部分工作所需的±15V和+5V稳压电源由固定集成稳压器7815、7915和7805提供,调整管所需输入电压经简单整流、滤波即可得到,但要求能提供5A的电流。2. 威廉希尔官方网站 调试调节步骤如下:1)输入数字00000000,短接RE1、RE2、RF,调运放调零电位器Rw,用数字万用表检测,使输出电压Vo=0±1mV.2)输入数字10011001,调整RE1、RE2、RF,使输出电压Vo达到预定的满量程值9.9V。3. 主要技术指标本文所设计数控直流电源的电压输出范围为0~9.9V,步进值为0.1V,输出纹波电压不大于10mV,输出电流为5A。三、改进措施本电源输出电压大小尚受限制,在需要较高输出电压时,在不改变调节精度(即步进值)的前提下,只要增加计数器的级联数和相应D/A转换器的个数,扩大数显指示范围,配合选用高电压输出运放,就能轻易地满足要求。当需要正负对称输出电压时,只要另增一组电源,对D/A转换器及调整输出威廉希尔官方网站 稍作改动即可达到目的。
正在做这个,不知道NE5534的管脚应该怎么接啊
求指教。。。。。。。
举报
篮球精灵
有关于这个威廉希尔官方网站 的想请教LZ
求QQ,或可不可以你叫我啊 1453693855
急急急急 急
bxyang
羅文忠
e5300
青松
枫之焰
电子发烧友1993
发布
无局放变频电源哪家做的比较好?
689 浏览 0 评论
UC2844反激开关电源出现打嗝现象,求助
1021 浏览 1 评论
反激式开关电源输出电压不对
1212 浏览 1 评论
急求电源改造是否可行?如果可以得怎么接线?感谢各位!
1279 浏览 1 评论
使用鑫鼎盛的TX4139直流降压芯片时,目的是输入24V,输出11V,为啥实际测量输出电压为20.2V?
1911 浏览 3 评论
电子发烧友网
电子发烧友william hill官网
查看 »
小黑屋| 手机版| Archiver| 电子发烧友 ( 湘ICP备2023018690号 )
GMT+8, 2024-12-28 02:33 , Processed in 0.658223 second(s), Total 56, Slave 49 queries .
Powered by 电子发烧友网
© 2015 bbs.elecfans.com